电脑桌面
添加小米粒文库到电脑桌面
安装后可以在桌面快捷访问

4设备卡片(297)

4设备卡片(297)_第1页
1/54
4设备卡片(297)_第2页
2/54
4设备卡片(297)_第3页
3/54
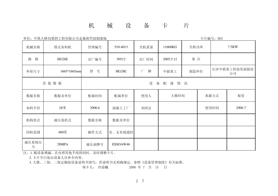
机械名称 混凝土搅拌站管理编号 510-4011全机重量规 格HZS50E出厂编号0631出厂时间 2003.4外形尺寸26000*6000*9000mm型 号HZS50E厂 牌建友数据名称数据及单位配属时间 配属单位使用人租赁骨料计量精度%±22005.8混凝土工厂 刘西京2005.8水泥计量精度%±2数据名称数据及单位粉煤灰计量精度%±2外加剂计量精度%±1水计量精度%±2最大卸料高度 1.5米注:1. 随设备增减,在办理其他手续的同时,及时调整卡片。 2. 卡片空白处由设备人员补全内容。 3. 大修、三保、二保定额按设备说明书填写,若说明书无明确规定,参照《设备管理制度》有关标准。填卡人: 冷晨曦 2006 年 3 月 11 日使用时间制造单位山东省建筑机械厂其 他 数 据设 备 配 属 情 况大修时间来源方式机 械 设 备 卡 片全机功率备 注单位:中铁大桥局第四工程有限公司金寨斑竹园制梁场 卡片编号: 001297机械名称 混凝土搅拌站管理编号 510-4012全机重量规 格HZS50E出厂编号06311出厂时间 2003.4外形尺寸26000*6000*9000mm型 号HZS50E厂 牌建友数据名称数据及单位配属时间 配属单位使用人租赁骨料计量精度%±22005.8混凝土工厂 刘西京2005.8水泥计量精度%±2数据名称数据及单位粉煤灰计量精度%±2外加剂计量精度%±1水计量精度%±2最大卸料高度 1.5米注:1. 随设备增减,在办理其他手续的同时,及时调整卡片。 2. 卡片空白处由设备人员补全内容。 3. 大修、三保、二保定额按设备说明书填写,若说明书无明确规定,参照《设备管理制度》有关标准。填卡人: 冷晨曦 2006 年 3 月 11 日其 他 数 据设 备 配 属 情 况大修时间来源方式使用时间全机功率备 注制造单位山东省建筑机械厂机 械 设 备 卡 片单位:中铁大桥局第四工程有限公司金寨斑竹园制梁场 卡片编号: 002297机械名称塔式布料机管理编号 510-4013全机重量11600KG规 格HG28E出厂编号50512出厂时间2005.5.12外形尺寸1665*1665mm型 号HG28E厂 牌 中联重工数据名称数据及单位配属时间 配属单位 使用人租赁布料半径28米2006.6混凝土工厂 刘西京2006.7机构形式液压卷折式数据名称数据及单位回转范围480度操作方式有、无有线遥控液压系统压力28MPA液压油牌号ESSOAW46注:1. 随设备增减,在办理其他手续的同时,及时调整卡片。 2. 卡片空白处由设备人员补全内容。 3. 大修、三保、二保定额按设备说明书填写,若说明书无明确规定,参照《设备管理制...

1、当您付费下载文档后,您只拥有了使用权限,并不意味着购买了版权,文档只能用于自身使用,不得用于其他商业用途(如 [转卖]进行直接盈利或[编辑后售卖]进行间接盈利)。
2、本站所有内容均由合作方或网友上传,本站不对文档的完整性、权威性及其观点立场正确性做任何保证或承诺!文档内容仅供研究参考,付费前请自行鉴别。
3、如文档内容存在违规,或者侵犯商业秘密、侵犯著作权等,请点击“违规举报”。

碎片内容

4设备卡片(297)

确认删除?
VIP
微信客服
  • 扫码咨询
会员Q群
  • 会员专属群点击这里加入QQ群
客服邮箱
回到顶部