电脑桌面
添加小米粒文库到电脑桌面
安装后可以在桌面快捷访问

5000吨六偏磷酸钠可行性报告修改好的

5000吨六偏磷酸钠可行性报告修改好的_第1页
1/9
5000吨六偏磷酸钠可行性报告修改好的_第2页
2/9
5000吨六偏磷酸钠可行性报告修改好的_第3页
3/9
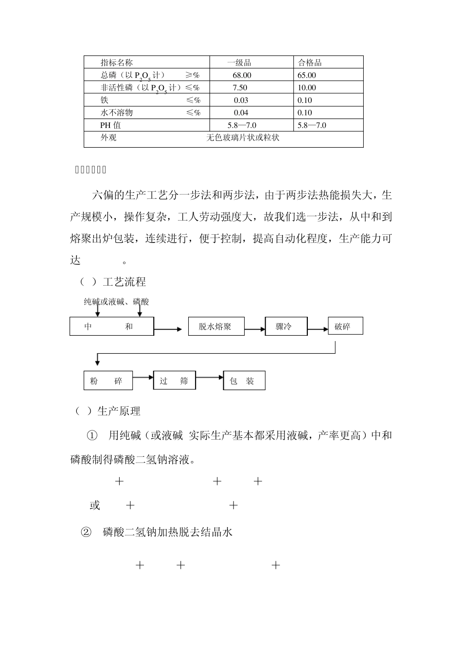
5000t/a 六偏磷酸钠 可 行 性 报 告 编制:陈仕斌 编制日期:2010 年 1 月 5000t/a 六偏磷酸钠可行性报告 一、项目简介 (1)项目概况 5000t/a六偏总投资近128万元,年总产值达2500-3000万元,年利润总额可达约304万元。近年来,由于国家宏观经济调控初见成效。WTO的加入,刺激出口增长,六偏的国内、国外用户激增,市场容量进一步增大,市场售价在5500元/吨—6500元/吨,由于__公司充足的黄磷尾气,而我们通过对聚合炉,炉头的优化设计 5000t/a六偏可全面采用尾气作燃料,仅此一项每吨产品可节约成本(天然气1.6元/m3,每吨耗天然气 300 m3)480.0元,即每年可净增利润240万元,使该厂的六偏具有独特的竞争优势。且本设计产能为 5000吨/年,控制恰当可以达到 6000吨/年。 (2)六偏的性质 六偏磷酸钠,简称“六偏”,由磷酸二氢钠经加热脱水熔聚再经骤冷而形成的透明玻璃状粉末或片状固体。 六偏分子式:(NaPO3)6, 分子量611.32,熔点 625℃,相对密度 2.484,在空气中容易潮湿,易溶于水,1%溶液的PH值5.5—6.5。 六偏不溶于有机溶剂,能与其它离子或化合物形成絮凝胶状沉淀 (3)六偏的用途 六偏作为一种优良的沉淀剂,反絮凝剂和胶溶剂,可作浮选剂、料浆降粘剂、分散剂,大量应用于循环水处理、食品、采矿、钻井、纺织印染等诸多方面。 (4) 六偏的质量标准:HG/T2519-2007 指标名称 一级品 合格品 总磷(以P2O5 计) ≥% 68.00 65.00 非活性磷(以P2O5 计)≤% 7.50 10.00 铁 ≤% 0.03 0.10 水不溶物 ≤% 0.04 0.10 PH 值 5.8—7.0 5.8—7.0 外观 无色玻璃片状或粒状 二、工艺流程 六偏的生产工艺分一步法和两步法,由于两步法热能损失大,生产规模小,操作复杂,工人劳动强度大,故我们选一步法,从中和到熔聚出炉包装,连续进行,便于控制,提高自动化程度,生产能力可达 5000t/a。 (1) 工艺流程 (2)生产原理 ① 用纯碱(或液碱,实际生产基本都采用液碱,产率更高)中和磷酸制得磷酸二氢钠溶液。 ② 磷酸二氢钠加热脱去结晶水 纯碱或液碱、磷酸 中 和 脱水熔聚 骤冷 破碎 粉 碎 过 筛 包 装 NaCO3+H3PO4 NaH2PO4+ 2H2O + CO2 或 NaOH+ H3PO4 NaH2PO4+ 2H2O NaH2PO4 + 2H2O + CO2 NaH2PO4 + 2H2O ③ 继续加热脱去结构水 ④ 进一步加热至620℃,脱水生成的偏磷酸钠熔融,并聚合为六偏磷酸钠。 在聚合炉中于700℃...

1、当您付费下载文档后,您只拥有了使用权限,并不意味着购买了版权,文档只能用于自身使用,不得用于其他商业用途(如 [转卖]进行直接盈利或[编辑后售卖]进行间接盈利)。
2、本站所有内容均由合作方或网友上传,本站不对文档的完整性、权威性及其观点立场正确性做任何保证或承诺!文档内容仅供研究参考,付费前请自行鉴别。
3、如文档内容存在违规,或者侵犯商业秘密、侵犯著作权等,请点击“违规举报”。

碎片内容

5000吨六偏磷酸钠可行性报告修改好的

确认删除?
VIP
微信客服
  • 扫码咨询
会员Q群
  • 会员专属群点击这里加入QQ群
客服邮箱
回到顶部