电脑桌面
添加小米粒文库到电脑桌面
安装后可以在桌面快捷访问

5m深基坑专项施工方案

5m深基坑专项施工方案_第1页
1/25
5m深基坑专项施工方案_第2页
2/25
5m深基坑专项施工方案_第3页
3/25
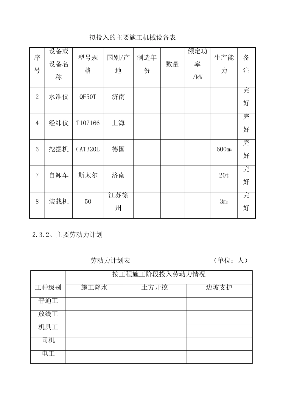
基坑土方开挖专项施工方案 第一部分 综合说明 1. 工程概况 工程名称 地理位置 建设单位 设计单位 监理单位 监督单位 施工总承包单位 合同范围 详见合同 投资性质 企业自筹 出资比例 100% 合同质量目标 合格 1.2 本工程场地较宽,附近无建筑物,实测土质较好-5m以上为土,-5m以下为粉细沙层,经计算采用错台放坡法开挖。 土方开挖时要做好标高控制,严禁超挖。该工程地下水位较高,根据实测软塑粘性土,地下水位埋深5m(自然地坪始计),土方开挖前须做好基坑降水。 二、计算依据及参考资料 1.编制依据 该施工组织设计的编制主要依据:招标文件及图纸;现行规范、规程以及现场实际情况。主要规范、规程如下: 《建筑边坡工程技术规范》(GB50330-2002) 《建筑地基基础工程施工质量验收规范》(GB50202-2002) 《建筑施工安全检查标准》(JGJ59-1999) 《建筑施工机械安全检查技术规范》(GB50300) 《建筑工程施工质量验收统一标准》(GB50300-2001) 《建筑机械使用安全技术规程》(JGJ33-2001) 《建筑施工计算手册》(江正荣 编著 中国建筑出版社) 《建筑基坑支护技术规程》(JGJ120-99) 《建筑与市政降水工程技术规范》(JGJ/T111-98) 《建筑基坑工程检测技术规范》(GB50497-2009) 《建筑施工土石方安全技术规程》(JGJ180-2009) 《XXX 城工程岩土工程勘察报告》 2.总体施工部署 2.1 质量目标 根据招标文件要求,确保合格,争创优良工程。 2.2 安全文明施工目标 现场施工期间,现场安全文明达到市“安全文明优秀示范工地”标准。 2.3 施工部署 该工程开工前应协调办理交通、环卫、环保车辆通行手续,根据降水观测情况,满足条件后开挖。采用2 台德国CAT320L(1m3)反铲挖掘机,10辆斯太尔自卸车,进行土方开挖。 2.3.1、拟投入的主要施工机械设备 拟投入的主要施工机械设备表 序号 设备或 设备名称 型号规格 国别/产地 制造年份 数量 额定功率 /kW 生产能力 备注 2 水准仪 QF50T 济南 完好 4 经纬仪 T107166 上海 完好 6 挖掘机 CAT320L 德国 600m3 完好 7 自卸车 斯太尔 济南 20t 完好 8 装载机 50 江苏徐州 3m3 完好 2.3.2、主要劳动力计划 劳动力计划表 (单位:人) 工种级别 按工程施工阶段投入劳动力情况 施工降水 土方开挖 边坡支护 普通工 放线工 机具工 司机 电工 维修工 第二部分 土方开挖方案 1. 施工准备 1....

1、当您付费下载文档后,您只拥有了使用权限,并不意味着购买了版权,文档只能用于自身使用,不得用于其他商业用途(如 [转卖]进行直接盈利或[编辑后售卖]进行间接盈利)。
2、本站所有内容均由合作方或网友上传,本站不对文档的完整性、权威性及其观点立场正确性做任何保证或承诺!文档内容仅供研究参考,付费前请自行鉴别。
3、如文档内容存在违规,或者侵犯商业秘密、侵犯著作权等,请点击“违规举报”。

碎片内容

5m深基坑专项施工方案

您可能关注的文档

确认删除?
VIP
微信客服
  • 扫码咨询
会员Q群
  • 会员专属群点击这里加入QQ群
客服邮箱
回到顶部