电脑桌面
添加小米粒文库到电脑桌面
安装后可以在桌面快捷访问

6.1500V直流开关柜安装作业指导书

6.1500V直流开关柜安装作业指导书_第1页
1/6
6.1500V直流开关柜安装作业指导书_第2页
2/6
6.1500V直流开关柜安装作业指导书_第3页
3/6
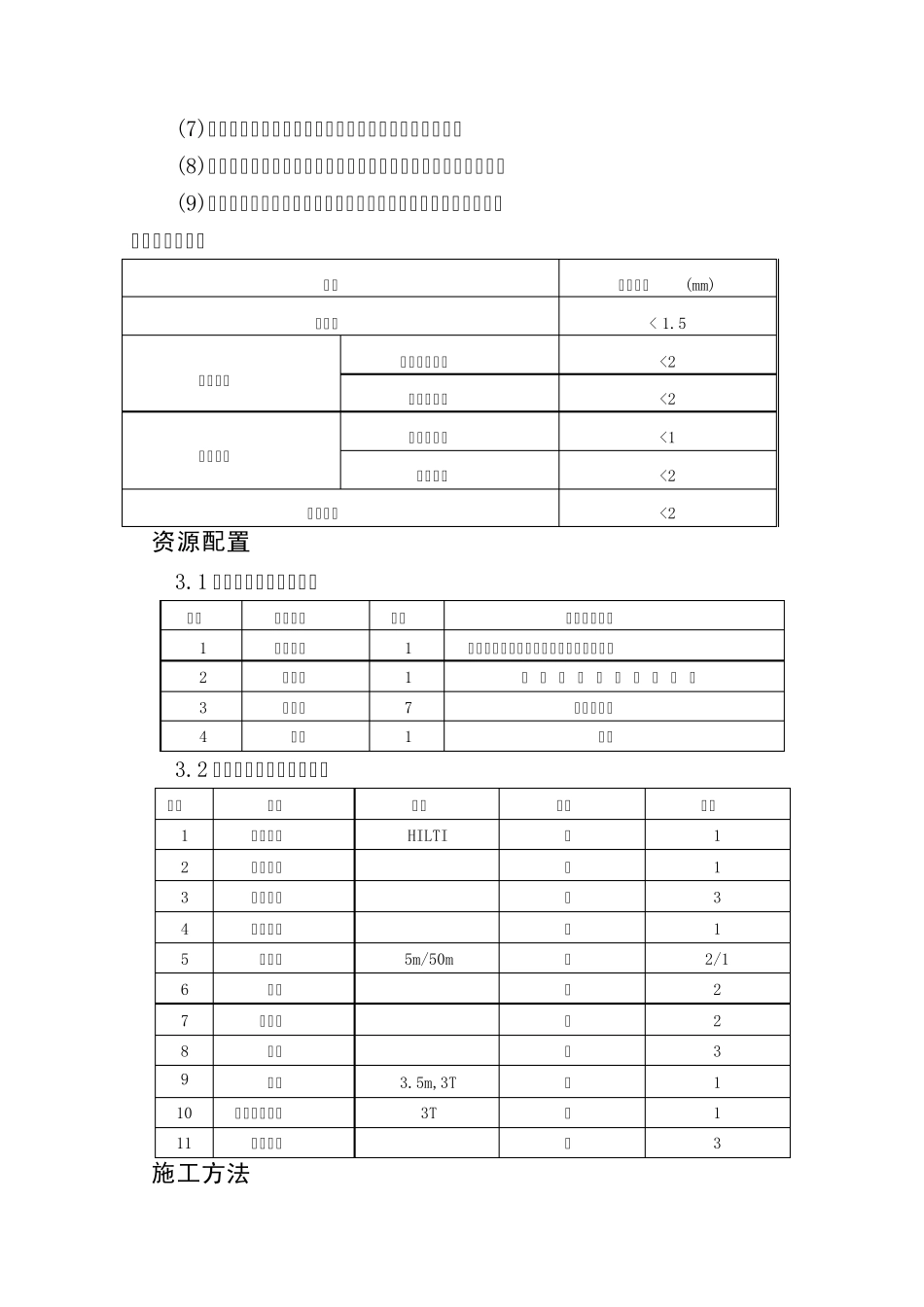
广州地铁六号线一期东标段供电系统安装工程 1500V直流开关柜安装 作业指导书 编 制: 审 核: 批 准: 编制单位: 广州轨道交通六号线供电工程项目部 编制日期: 2012.07 1适用范围、特点 本作业指导书只适用于广州白云电器设备股份有限公司生产的1500V 直流开关柜、负极柜和西安永电电气有限公司生产的整流器柜的安装。 盘柜安装在盘柜运输到变电设备房后进行,由设备安装组完成此项工作,在设备供方专业人员的督导下进行。 直流柜安装包括1500V 直流柜、整流器柜、负极柜安装。1500V 直流柜、整流器柜、负极柜均为绝缘法安装,其他为非绝缘法安装。 供货商: 1500V 直流开关柜、负极柜——广州白云电器设备股份有限公司 整流器柜——西安永电电气有限公司 2适用标准、规范及工艺要求 2.1 施工技术标准 《广州市轨道交通六号线(浔峰岗至香雪)供电系统安装工程施工质量验收标准》 2.2 工艺要求 (1)盘、柜内设备的型号规格及盘、柜的安装位置应符合设计要求。 (2)盘柜内安装的元、器件完好无损、固定牢固。 (3)盘柜内安装的1500V 直流断路器的型号、规格及安装位置符合设计要求,辅助开关及闭锁装置动作准确可靠,触头接头紧密,所有传动部位无卡阻现象,位置指示器与开关的实际位置相符。 (4)盘柜的安装方法与设计相符,1500V 直流柜、整流器柜、负极柜为绝缘法安装。绝缘法安装的盘柜接好框架保护接地。同时对框架对地进行绝缘测试。 (5)盘柜与基础的连接固定牢靠,所有紧固件应防腐处理,盘柜内清洁无杂物。 (6)1500V 直流开关柜手车推拉灵活、无卡阻、碰撞现象。接地触头接触紧密,接入时触头比主触头先接触,退出时接地触头后脱开,主触头的动、静触头中心线一致,接触紧密,小车的互换性好。 (7)盘柜内母线与母线、母线与电气接线端子的螺栓紧密。 (8)盘柜面油漆完整、无锈蚀。标志牌、标志框齐全、清晰、正确。 (9)成列盘柜的垂直度、水平偏差、盘柜面偏差和盘柜间接缝的允许偏差符合下表: 项目 允许偏差(mm) 垂直度 < 1.5 水平偏差 相邻两盘顶部 <2 成列盘顶部 <2 盘面偏差 相邻两盘边 <1 成列盘面 <2 盘间接缝 <2 3资源配置 3.1 劳动力组织:如下表。 序号 人员名称 人数 主要工作内容 1 技术人员 1 负责安装安全、质量并填写安装技术记录 2 领工员 1 负 责 劳 动 力 组 织 、 协 调 3 安装工 7 盘柜等安装 4 焊工 1 焊接 3.2 施工机具准...

1、当您付费下载文档后,您只拥有了使用权限,并不意味着购买了版权,文档只能用于自身使用,不得用于其他商业用途(如 [转卖]进行直接盈利或[编辑后售卖]进行间接盈利)。
2、本站所有内容均由合作方或网友上传,本站不对文档的完整性、权威性及其观点立场正确性做任何保证或承诺!文档内容仅供研究参考,付费前请自行鉴别。
3、如文档内容存在违规,或者侵犯商业秘密、侵犯著作权等,请点击“违规举报”。

碎片内容

6.1500V直流开关柜安装作业指导书

小辰9+ 关注
实名认证
内容提供者

出售各种资料和文档

确认删除?
VIP
微信客服
  • 扫码咨询
会员Q群
  • 会员专属群点击这里加入QQ群
客服邮箱
回到顶部