电脑桌面
添加小米粒文库到电脑桌面
安装后可以在桌面快捷访问

6S管理即指整理

6S管理即指整理_第1页
1/6
6S管理即指整理_第2页
2/6
6S管理即指整理_第3页
3/6
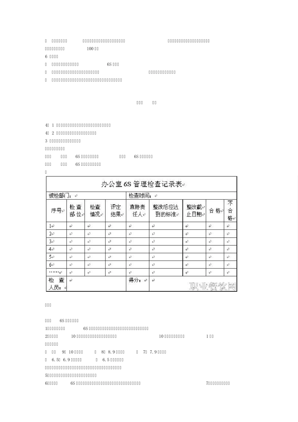
6S 管理即指整理、整顿、清扫、清洁、修养和安全。由于前五个词组日文的罗马拼写和第六个词组英文的字母拼写中,第一个字母均为“S”,故简称为“6S”。6S 管理起源于日本,现已成为企业现场管理的经典之作。 1. 2 6S 管理之内容⑴ 整理:首先,对工作现场物品进行分类处理,区分为必要物品和非必要物品、常用物品和非常用物品、一般物品和贵重物品等; ⑵ 整顿:对非必要物品果断丢弃,对必要物品要妥善保存,使工作现场秩序昂然、井井有条;并能经常保持良好状态。这样才能做到想要什么,即刻便能拿到,有效地消除寻找物品的时间浪费和手忙脚乱; ⑶ 清扫:对各自岗位周围、办公设施进行彻底清扫、清洗,保持无垃圾、无脏污; ⑷ 清洁:维护清扫后的整洁状态; ⑸ 修养:将上述四项内容切实执行、持之以恒,从而养成习惯; ⑹ 安全:上述一切活动,始终贯彻一个宗旨:安全第一。 第二章 为何实行6S 管理 2. 1 实行6S 管理,是理顺工作现场秩序和提高工作效率的重要管理手段。 2. 2 将 6S 管理引用到办公室管理,能有效地加速办公室工作环境和工作状况的调整及改良,最终结果:提高了工作效率;同时置身于优美的办公环境,也有一种美的感受。2. 3 办公室代表公司的窗口,为了发挥窗口的作用,树立企业良好的对内对外形象。 第三章 如何推动6S 管理 3. 1 责任部门 行政部统一管理公司办公室6S 的推动工作,负责组建一个由各部门指定人员参加的6S 管理小组,该小组有权对各部门6S 开展情况进行指导、监督、检查、评比、奖罚和发布。 2 责任区 ⑴ 个人责任区是指个人的桌面、抽屉、电脑、文件柜以及个人办公桌周围一米之内的地面。每个人均有责任做好个人责任区的6S 工作; ⑵ 公共责任区是指大堂、花草、电梯走廊、公共通道、楼梯口、安全口、茶水间、洗手间和未分配到部门的办公区域。公共责任区的6S 工作由行政部制定标准,并指定专人管理。 3 个人6S 操作规范 ⑴ 员工每天下班离开办公室之前,均须整理个人桌面。桌面允许摆放的物品包括电脑、电话、文具架和茶杯,其它物品一律不得保留; ⑵ 个人抽屉应每星期整理一次,对三个月内用不到的东西,应从抽屉里清理走,最下面一个抽屉用于存放私人物品; ⑶ 文件柜要每半个月整理一次,并按大小、类别、使用频率等进行分类建档,贴上标签;若有变动,标签应及时更新; ⑷ 对舍弃的文件、资料,应遵照安全、保密的原则进行销毁。3...

1、当您付费下载文档后,您只拥有了使用权限,并不意味着购买了版权,文档只能用于自身使用,不得用于其他商业用途(如 [转卖]进行直接盈利或[编辑后售卖]进行间接盈利)。
2、本站所有内容均由合作方或网友上传,本站不对文档的完整性、权威性及其观点立场正确性做任何保证或承诺!文档内容仅供研究参考,付费前请自行鉴别。
3、如文档内容存在违规,或者侵犯商业秘密、侵犯著作权等,请点击“违规举报”。

碎片内容

6S管理即指整理

确认删除?
VIP
微信客服
  • 扫码咨询
会员Q群
  • 会员专属群点击这里加入QQ群
客服邮箱
回到顶部