电脑桌面
添加小米粒文库到电脑桌面
安装后可以在桌面快捷访问

6S管理要与不要原则及处理

6S管理要与不要原则及处理_第1页
1/7
6S管理要与不要原则及处理_第2页
2/7
6S管理要与不要原则及处理_第3页
3/7
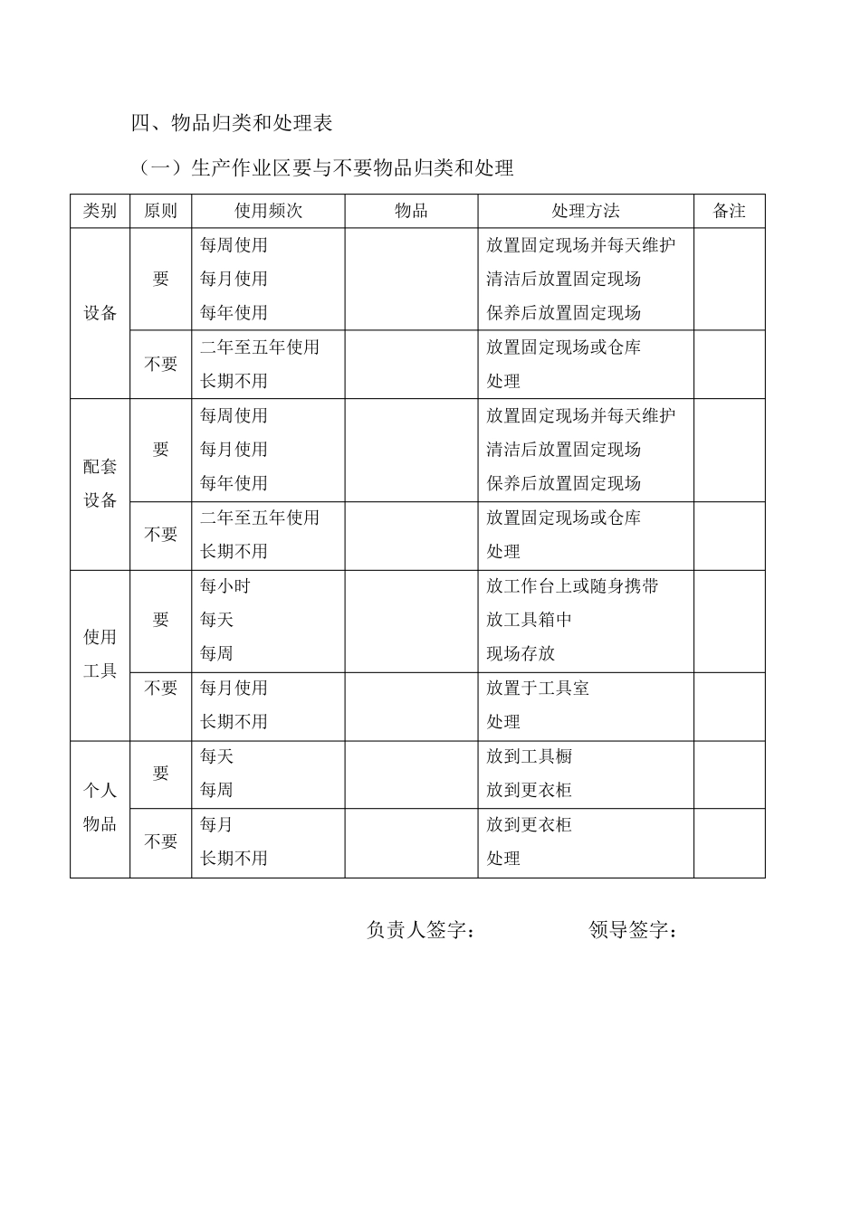
6S 管理要与不要判断标准 一、目的: 为使生产作业区域整洁、有序,将必需与非必需品区分开,在生产作业区只放必需物品,制定本原则。 二、要与不要区分方式: 根据物品的使用频率来决定它的放置和管理方法。使用频率是每个小时、每天、每周或者每月都在用的,确定为必需品。反之为非必需品。 三、要与不要的原则 (一)要 1 、正常的设备、机器或电气装置 2 、附属设备 3 、推车 4 、正常使用中的工具 5 、正常的工作椅、板凳 6 、尚有使用价值的消耗用品 7 、原材料、半成品、成品 8 、尚有利用价值的边料 9 、垫板、塑胶框、防尘用品 1 0 、使用中的垃圾桶、垃圾袋 1 1 、使用中的样品 1 2 、办公用品、文具 1 3 、使用中的清洁用品 1 4 、美化用的海报、看板 15、推行中的活动海报、看板 16、有用的书稿、杂志、报表、档案 17、其他(私人用品) (二)不要 1、地板上的 A、废纸、灰尘、杂物、烟蒂 B、油污 C、不再使用的设备、工夹具、模具 D、不再使用的办公用品、垃圾筒 E、破垫板、纸箱 F、废料或过期样品 2、桌子或橱柜 A、破旧的书籍、报纸 B、破椅垫 C、老旧无用的报表、帐本 D、损耗的工具、余料、样品 3、墙壁上的 A、蜘蛛网 B、过期海报、看报 C、过时的月历、标语 4、吊着的 A、不再使用的配线配管 B、不堪使用的手工夹具 E、更改前的部门牌 四、物品归类和处理表 (一)生产作业区要与不要物品归类和处理 类别 原则 使用频次 物品 处理方法 备注 设备 要 每周使用 每月使用 每年使用 放置固定现场并每天维护 清洁后放置固定现场 保养后放置固定现场 不要 二年至五年使用 长期不用 放置固定现场或仓库 处理 配套设备 要 每周使用 每月使用 每年使用 放置固定现场并每天维护 清洁后放置固定现场 保养后放置固定现场 不要 二年至五年使用 长期不用 放置固定现场或仓库 处理 使用工具 要 每小时 每天 每周 放工作台上或随身携带 放工具箱中 现场存放 不要 每月使用 长期不用 放置于工具室 处理 个人物品 要 每天 每周 放到工具橱 放到更衣柜 不要 每月 长期不用 放到更衣柜 处理 负责人签字: 领导签字: 五、生产作业区检查要点 1、 现场摆放的物品是否符合规定; 2、 物料架、模具架、工具架等是否正确使用与清理; 3、 桌面及抽屉有没有定时清理; 4、 物品、材料、废料、余料等是否置放清...

1、当您付费下载文档后,您只拥有了使用权限,并不意味着购买了版权,文档只能用于自身使用,不得用于其他商业用途(如 [转卖]进行直接盈利或[编辑后售卖]进行间接盈利)。
2、本站所有内容均由合作方或网友上传,本站不对文档的完整性、权威性及其观点立场正确性做任何保证或承诺!文档内容仅供研究参考,付费前请自行鉴别。
3、如文档内容存在违规,或者侵犯商业秘密、侵犯著作权等,请点击“违规举报”。

碎片内容

6S管理要与不要原则及处理

确认删除?
VIP
微信客服
  • 扫码咨询
会员Q群
  • 会员专属群点击这里加入QQ群
客服邮箱
回到顶部