电脑桌面
添加小米粒文库到电脑桌面
安装后可以在桌面快捷访问

74HC245中文资料VIP专享

74HC245中文资料_第1页
1/8
74HC245中文资料_第2页
2/8
74HC245中文资料_第3页
3/8
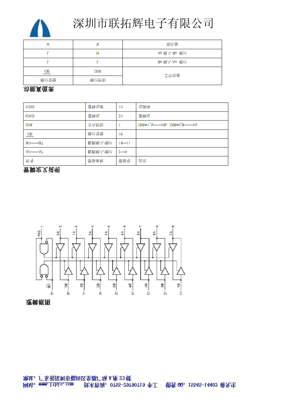
深圳市联拓辉电子有限公司双 P沟道增强型 MOS管------747474HC245HC245概述与特点�概述 74HC245是一种三态输出、八路信号收发器,主要应用于大屏显示,以及其它的消费类电子产品中增加驱动。主要特性�采用 CMOS工艺�宽电压工作范围:3.0V—5.0V�双向三态输出�八线双向收发器�封装形式:SOP20、SOP20-2、TSSOP20、DIP20应用领域�适用于显示屏以及其他数字电路的驱动。深圳市联拓辉电子有限公司深圳市联拓辉电子有限公司深圳市联拓辉电子有限公司深圳市联拓辉电子有限公司深圳市联拓辉电子有限公司深圳市联拓辉电子有限公司深圳市联拓辉电子有限公司

1、当您付费下载文档后,您只拥有了使用权限,并不意味着购买了版权,文档只能用于自身使用,不得用于其他商业用途(如 [转卖]进行直接盈利或[编辑后售卖]进行间接盈利)。
2、本站所有内容均由合作方或网友上传,本站不对文档的完整性、权威性及其观点立场正确性做任何保证或承诺!文档内容仅供研究参考,付费前请自行鉴别。
3、如文档内容存在违规,或者侵犯商业秘密、侵犯著作权等,请点击“违规举报”。

碎片内容

74HC245中文资料

确认删除?
VIP
微信客服
  • 扫码咨询
会员Q群
  • 会员专属群点击这里加入QQ群
客服邮箱
回到顶部