电脑桌面
添加小米粒文库到电脑桌面
安装后可以在桌面快捷访问

保护装置调试报告

保护装置调试报告_第1页
1/10
保护装置调试报告_第2页
2/10
保护装置调试报告_第3页
3/10
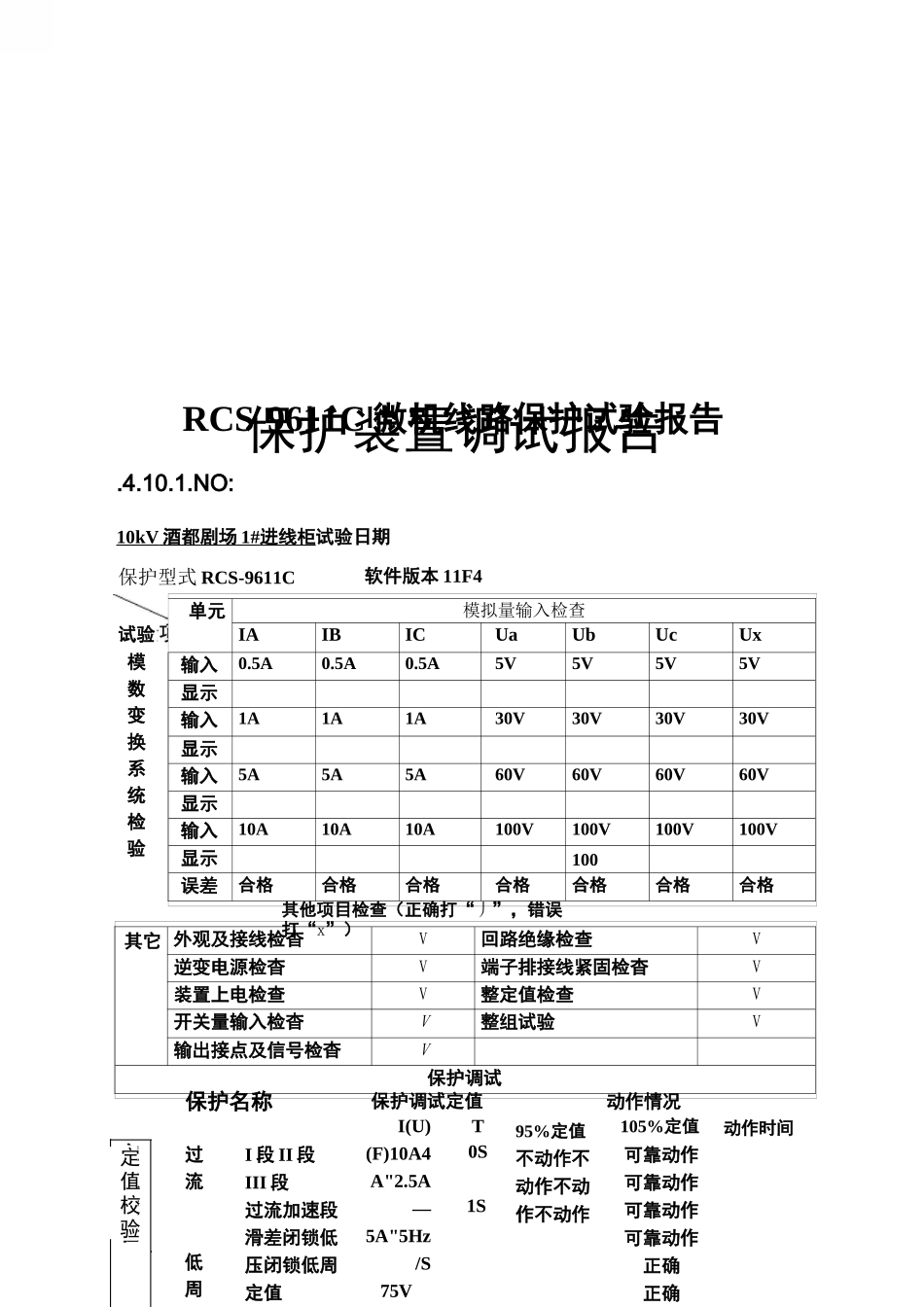
保护装置调试报告RCS-9611C 微机线路保护试验报告.4.10.1.NO:10kV 酒都剧场 1# 进线柜 试验日期保护型式 RCS-9611C试验模数变换系统检验单元模拟量输入检查IAIBICUaUbUcUx输入0.5A0.5A0.5A5V5V5V5V显示输入1A1A1A30V30V30V30V显示输入5A5A5A60V60V60V60V显示输入10A10A10A100V100V100V100V显示100误差合格合格合格合格合格合格合格软件版本 11F4其它 外观及接线检杳V回路绝缘检查V逆变电源检杳V端子排接线紧固检杳V装置上电检查V整定值检查V开关量输入检杳V整组试验V输出接点及信号检杳V保护调试其他项目检查(正确打“丿”,错误打“x”)保护调试定值动作情况保护名称过流低周定值校验I 段 II 段III 段过流加速段滑差闭锁低压闭锁低周定值I(U)(F)10A4A"2.5A—5A"5Hz/S75V48HzT0S1S95%定值不动作不动作不动作不动作105%定值动作时间可靠动作可靠动作可靠动作可靠动作正确正确正确I 段 II 段III 段过流加速段滑差闭锁低压闭锁低周定值I(U)(F)10A4A"2.5A—5A"5Hz/S75V48Hz可靠动作可靠动作可靠动作可靠动作正确正确正确批准审核试验员记录RCS-9611C 微机线路保护试验报告.4.10.1.NO:10kV 酒都剧场 2# 进线柜 试验日期—保护型式 RCS-9611C模数变换系统检验单元模拟量输入检查IAIBICUaUbUcUx输入0.5A0.5A0.5A5V5V5V5V显示输入1A1A1A30V30V30V30V显示输入5A5A5A60V60V60V60V显示输入10A10A10A100V100V100V100V显示100误差合格合格合格合格合格合格合格软件版本 11F4其它 外观及接线检杳V回路绝缘检查V逆变电源检杳V端子排接线紧固检杳V装置上电检查V整定值检查V开关量输入检杳V整组试验V输出接点及信号检杳V保护调试其他项目检查(正确打“丿”,错误打“x”)保护调试定值动作情况保护名称过流低周定值校验I 段 II 段III 段过流加速段滑差闭锁低压闭锁低周定值I(U)(F)10A—4A"2.5A盂5Hz/ST0S1S95%定值不动作不动作不动作不动作105%定值动作时间可靠动作可靠动作可靠动作可靠动作正确正确低周I 段 II 段III 段过流加速段滑差闭锁低压闭锁低周定值I(U)(F)10A—4A"2.5A盂5Hz/S可靠动作可靠动作可靠动作可靠动作正确正确IC备注:批准审核试验员记录RCS-9611C 微机线路保护试验报告.4.10.1.NO:10kV 酒都剧场 1# 变压器保护柜 试验日期__保护型式 RCS-9611C软件版本 11F4单元试验项目模拟量输入检查IAIBICUaUbUc模数变换系统检验输入0.5A0.5A0.5A5V5V5V显示输入1A1A1A30V30V30V显示输入5A5A5A60V60V60V显示输入10A1...

1、当您付费下载文档后,您只拥有了使用权限,并不意味着购买了版权,文档只能用于自身使用,不得用于其他商业用途(如 [转卖]进行直接盈利或[编辑后售卖]进行间接盈利)。
2、本站所有内容均由合作方或网友上传,本站不对文档的完整性、权威性及其观点立场正确性做任何保证或承诺!文档内容仅供研究参考,付费前请自行鉴别。
3、如文档内容存在违规,或者侵犯商业秘密、侵犯著作权等,请点击“违规举报”。

碎片内容

保护装置调试报告

确认删除?
VIP
微信客服
  • 扫码咨询
会员Q群
  • 会员专属群点击这里加入QQ群
客服邮箱
回到顶部