电脑桌面
添加小米粒文库到电脑桌面
安装后可以在桌面快捷访问

A.3工作危害分析(JHA+LS)评价记录

A.3工作危害分析(JHA+LS)评价记录_第1页
1/35
A.3工作危害分析(JHA+LS)评价记录_第2页
2/35
A.3工作危害分析(JHA+LS)评价记录_第3页
3/35
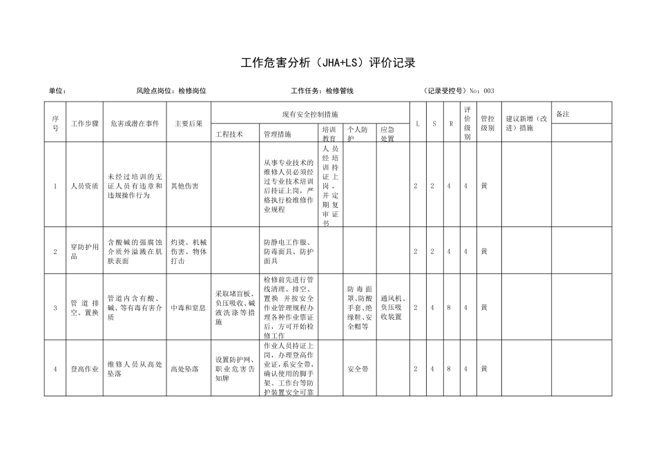
工作危害分析(JHA+LS)评价记录 单位: 风险点岗位: 供配电 工作任务:开关柜运行控制 (记录受控号)No:001 序号 作业 步骤 危险源或潜在事件(人、物、作业环境、管理) 主要 后果 现有控制措施 L S R 评价级别 管控级别 建议新增(改进)措施 备注 工程技术 管理措施 培训教育 个体防护 应急 处置 1 运行巡查 漏电 触电、灼烫 设置漏电保护器、安全警示标志 严格按照安全操作规程操作、配备齐全的劳动防护用品 电工经过正规培训并持证上岗 绝缘鞋、绝缘手套、测电笔等 必要时断电 2 2 4 4 黄 2 工具取放 工具掉落伤人 物体打击 工 具 放 置 在巡检 包 中 或规 定放置地点。 配 备 安全 帽 等个 体 防护用品。 2 2 4 4 黄 3 检查电机设备 触电、机械伤害 触电 联轴器 或转动 部位设 置 防 护罩。 1. 每小时 巡 检一次,发现问题及时处理。 2. 重点 检 查 接地保护,确保电线绝缘良好。 正 确穿戴和使用 绝 缘防护品。 必 要 时断 电 检查 2 2 4 4 黄 4 检查高压配电室 触电 触电 每小时 巡 检 一次,发现问题及时处理。 正 确穿戴劳 保用 品 如护目镜 、 绝缘手套。 设 置 安全警示 ,必要 时 断电检查 2 2 4 4 黄 分 析 人: 日 期 : 审 核 人: 日 期 : 审 定人: 日 期 : 工作危害分析(JHA+LS)评价记录 单位: 风险点岗位:供配电 工作任务:开关柜停车 (记录受控号)No:002 序号 作业 步骤 危险源或潜在事件(人、物、作业环境、管理) 主要 后果 现有控制措施 L S R 评价级别 管控级别 建议新增(改进)措施 备注 工程技术 管理措施 培训教育 个体防护 应急 处置 1 操作前检查 触电、设备放电 触电 设有接地 编 制 电 气 岗位 操 作规 程并严格执行,严 格 执 行 监护 人监 护 制度 电 工经 过培 训并 持证 上岗 正 确 穿戴 和 使用 绝 缘防护品。 设 置 安 全警示,必要时 断 电 检查。 2 2 4 4 黄 2 停电 误操作 触电 编 制 电 气 岗位 操 作规 程并严格执行,严 格 执 行 监护 人监 护 制度 正 确 穿戴 和 使用 绝 缘防护品。 设 置 安 全警示,必要时 断 电 检查。 2 2 4 4 黄 分析人: 日期: 审核人: 日期: 审定人: 日期: 工作危害分析(JHA+LS...

1、当您付费下载文档后,您只拥有了使用权限,并不意味着购买了版权,文档只能用于自身使用,不得用于其他商业用途(如 [转卖]进行直接盈利或[编辑后售卖]进行间接盈利)。
2、本站所有内容均由合作方或网友上传,本站不对文档的完整性、权威性及其观点立场正确性做任何保证或承诺!文档内容仅供研究参考,付费前请自行鉴别。
3、如文档内容存在违规,或者侵犯商业秘密、侵犯著作权等,请点击“违规举报”。

碎片内容

A.3工作危害分析(JHA+LS)评价记录

您可能关注的文档

确认删除?
VIP
微信客服
  • 扫码咨询
会员Q群
  • 会员专属群点击这里加入QQ群
客服邮箱
回到顶部