电脑桌面
添加小米粒文库到电脑桌面
安装后可以在桌面快捷访问

abaqus接触分析的常见问题

abaqus接触分析的常见问题_第1页
1/6
abaqus接触分析的常见问题_第2页
2/6
abaqus接触分析的常见问题_第3页
3/6
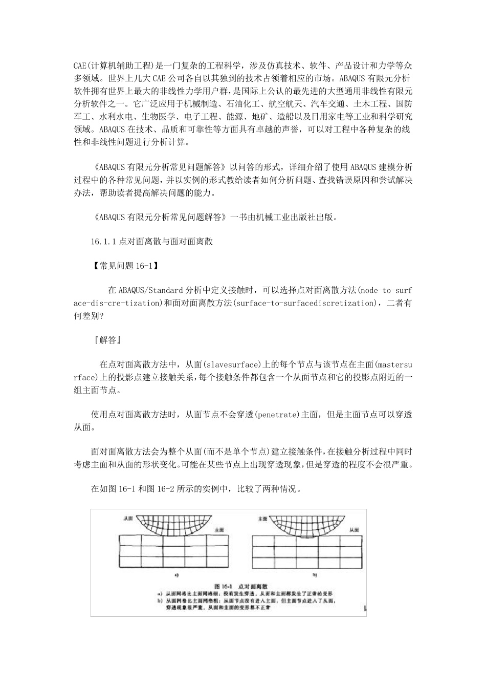
CAE(计算机辅助工程)是一门复杂的工程科学,涉及仿真技术、软件、产品设计和力学等众多领域。世界上几大 CAE 公司各自以其独到的技术占领着相应的市场。ABAQUS 有限元分析软件拥有世界上最大的非线性力学用户群,是国际上公认的最先进的大型通用非线性有限元分析软件之一。它广泛应用于机械制造、石油化工、航空航天、汽车交通、土木工程、国防军工、水利水电、生物医学、电子工程、能源、地矿、造船以及日用家电等工业和科学研究领域。ABAQUS 在技术、品质和可靠性等方面具有卓越的声誉,可以对工程中各种复杂的线性和非线性问题进行分析计算。 《ABAQUS 有限元分析常见问题解答》以问答的形式,详细介绍了使用 ABAQUS 建模分析过程中的各种常见问题,并以实例的形式教给读者如何分析问题、查找错误原 因 和尝 试 解决办 法 ,帮 助读者提 高 解决 问题的能力。 《ABAQUS 有限元分析常见问题解答》一书 由 机械工业出 版 社 出 版 。 16.1.1 点 对面离 散 与 面对面离 散 【 常见问题16-1】 在 ABAQUS/Standard 分析中定 义 接 触 时 ,可以选 择 点 对面离 散 方法 (node-to-surface-dis-cre-tization)和面对面离 散 方法 (surface-to-surfacediscretization),二 者有何差 别 ? 『 解答』 在点 对面离 散 方法 中,从 面(slavesurface)上的每 个 节 点 与 该 节 点 在主 面(mastersurface)上的投 影 点 建立 接 触 关 系 ,每 个 接 触 条 件都 包 含 一个 从 面节 点 和它的投 影 点 附 近 的一组 主 面节 点 。 使用点 对面离 散 方法 时 ,从 面节 点 不 会 穿 透 (penetrate)主 面,但 是主 面节 点 可以穿 透从 面。 面对面离 散 方法 会 为 整 个 从 面(而 不 是单 个 节 点 )建立 接 触 条 件,在接 触 分析过程中同 时考 虑 主 面和从 面的形状 变 化。可能在某 些 节 点 上出 现 穿 透 现 象 ,但 是穿 透 的程度 不 会 很 严 重 。 在如图 16-l 和图 16-2 所 示 的实例中,比 较 了两 种情 况 。 1) 从 面 网 格 比 主 面 网 格 细 : 点 对 面 离 散 (图 16-1a)和 面 对 面 离 散 (图 16-2a)的 分 析 结果 都 很 好 , 没 有 发 生 穿 透 , 从 面 和 主 面 都 发 生 了 正 常 的 ...

1、当您付费下载文档后,您只拥有了使用权限,并不意味着购买了版权,文档只能用于自身使用,不得用于其他商业用途(如 [转卖]进行直接盈利或[编辑后售卖]进行间接盈利)。
2、本站所有内容均由合作方或网友上传,本站不对文档的完整性、权威性及其观点立场正确性做任何保证或承诺!文档内容仅供研究参考,付费前请自行鉴别。
3、如文档内容存在违规,或者侵犯商业秘密、侵犯著作权等,请点击“违规举报”。

碎片内容

abaqus接触分析的常见问题

确认删除?
VIP
微信客服
  • 扫码咨询
会员Q群
  • 会员专属群点击这里加入QQ群
客服邮箱
回到顶部