电脑桌面
添加小米粒文库到电脑桌面
安装后可以在桌面快捷访问

ADC和DAC的工作过程分析

ADC和DAC的工作过程分析_第1页
1/6
ADC和DAC的工作过程分析_第2页
2/6
ADC和DAC的工作过程分析_第3页
3/6
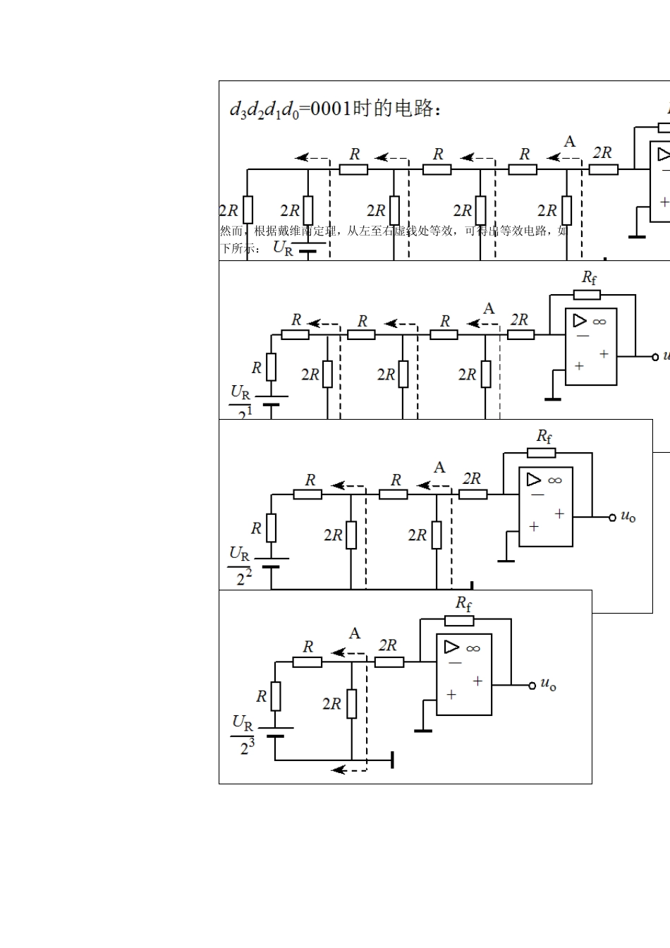
ADC、DAC 转换器的工作过程分析 在含有模拟信号处理与数字信号处理的系统、网络中,会涉及到模拟信号与数字信号处理的问题,在模拟信号与数字信号处理电路中,模拟信号处理部分与数字信号处理部分是不能直接相接、相连的,必需通过接口将此转换为相应的信号,注入在数字电路或模拟电路中,能实现该接口的功能,称之为ADC(模拟—数字信号转换器)、DAC(数字—模拟信号转换器);下面将此作一个简单的介绍。如下: 1、 DAC 转换的工作过程分析。 在这里,简单的对 T 型电阻网络,DAC 转换原理,作一个简单的过程分析;电路如下图所示: (图 1)T 型电阻网络模型,DAC 转换器电原理图。 (1) 何谓 DAC? DAC 指的是digital signals analog signals conversion 的英文缩写,意为数字信号—模拟信号转换器。 (2) DAC 的作用、功能? DAC 的作用是,将数字信号转换为与之相对应电平(幅值)的模拟信号,送往模拟信号处理电路中处理;从而,实现数字信号转换为模拟信号的接口功能。 (3) 实现DAC 的方法有哪些? ① T 型电阻网络方式; ② 倒 T 型电阻网络方式; ③ 译码器、芯片转换方式等。 (4) DAC 的工作过程分析。 从上图图 1 电路中,可以看出,T 型电路网络是由 T 型电阻网络与反相运算器等构成;其 d0~d3 为数字信号注入端,S0~S3 为数字转换开关;Ur 为基准电压; 分析过程如下。 当 di=0(0、1、2、3)时,则 S0~S3 全部接GND,为地电位 0V,这时,输出电压 uo=0V。 当 di=1(0、1、2、3)时,则 S0=1(Ur),S1~S3 接GND, 其等效电路如下: 然而,根据戴维南定理,从左至右虚线处等效,可得出等效电路,如下所示: 由上图可知,可得出输出电压为 uo0: 由于 di=0001 时,即 d0=1, 而 d3=d3=d1=0,所以上式又可写为: 同理,当 di=0010 时,即 d0d1d2d3=0010 时,则输出电压 uo1 为: 当 di=0100 时,即 d0d1d2d3=0100 时,则输出电压 uo2 为: 当 di=1000 时,即 d0d1d2d3=1000 时,则输出电压 uo3 为: 再然后,运用叠加原理,将 4 个电压分量相叠加,即得到 T 型电阻网络的输出电压 uo 总: 当Rf=3R 时,则上式,又可化简成: 在括号中的是4 位2 进制数按权的展开式,由此可见,输入数字电平被转换为模拟信号电压;而且输出的模拟电压与输入的数字量成正比;当d0d1d2d3=0000 时,输出uo=0V ;当d0d1d2d3=0001 时...

1、当您付费下载文档后,您只拥有了使用权限,并不意味着购买了版权,文档只能用于自身使用,不得用于其他商业用途(如 [转卖]进行直接盈利或[编辑后售卖]进行间接盈利)。
2、本站所有内容均由合作方或网友上传,本站不对文档的完整性、权威性及其观点立场正确性做任何保证或承诺!文档内容仅供研究参考,付费前请自行鉴别。
3、如文档内容存在违规,或者侵犯商业秘密、侵犯著作权等,请点击“违规举报”。

碎片内容

ADC和DAC的工作过程分析

确认删除?
VIP
微信客服
  • 扫码咨询
会员Q群
  • 会员专属群点击这里加入QQ群
客服邮箱
回到顶部