电脑桌面
添加小米粒文库到电脑桌面
安装后可以在桌面快捷访问

allegro16.3约束规则设置

allegro16.3约束规则设置_第1页
1/36
allegro16.3约束规则设置_第2页
2/36
allegro16.3约束规则设置_第3页
3/36
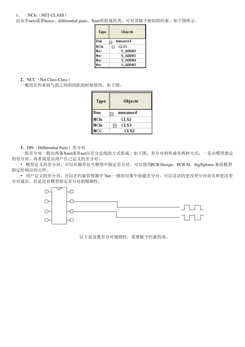
Allegro 16.3约束规则设置 约束管理器是一个交叉的平台,以工作簿和工作表的形式在 Cadence PCB设计流程中用于管理所有工具的高速电子约束。可以使用约束管理器和SigXplorer Ex pert 开发电路的拓扑并得出电子约束,可以包含定制约束、定制测量和定制激励。 所谓约束就是用户定义的限制条件,当在板上走线和放置元件时会遵守这些约束。电子约束(ECSets)就是限制PCB 上与电行为有关的对象,比如可以设置某个网络最大传输延迟为2ns。 以下图为一约束设置窗口。 一、说明 先解释一下约束的类型以及约束中用到的简写名词,如下图所示: 1、 NCIs(NET CLASS) 由众多nets或者bu ses、differential pairs、Xnet所组成的类,可对其赋予相似的约束。如下图所示。 2 、NCC(Net Class-Class) 一般用在约束组与组之间的间距的时候使用,如下图。 3 、DPr(Differential Pairs)差分对 一组差分对一般由两条Xnet或者net以差分走线的方式组成,如下图。差分对的形成有两种方式:一是由模型指定的差分对,再者就是由用户自己定义的差分对。 • 模型定义的差分对:可以在器 件 信 号 模型中 指定差分对,可以使用PCB Design,PCB SI,SigXplores 来 将 模型指定给 相应 的元 件 。 • 用户定义的差分对:可以在约束管 理 器 中 Net 一级 的对象 中 创 建 差分对,可以灵 活 的更 改 差分对命 名 和 更 改 差分对成员 ,但 是没 有模型指定差分对的精 确 性 。 以下是设 置 差分对规 则 时,需 要 赋予约束的项 。 针对以上约束中用到的一些约束点进行解释说明: 差分对的worksheets包含5个主要的约束目录: (1)Pin Delay 此值指一对网络之间管脚封装上的延迟,单位是时间ns 或者长度mil。 (2) 不耦合长度(Uncoupled Length) 不耦合长度约束是用来限制差分对的一对网络之间的不匹配长度。若“gather control” 设置为ignore,则实际不不耦合长度不包括两个驱动和接收之间的耦合带之外的长度。若“gather control”设置为“include”,包含出芯片的这段不耦合长度。当不耦合(即在差分对刚刚从芯片出来的走线通常是不耦合的,不耦合有一定的长度)长度超过“max”时产生冲突。 (3)相位偏差(Static Phase Tolerance) 相位偏差约束确保差分对成员在转换时是同相和同步的。实际的数值(actual value)从长度上或者时间上反应了差分对成员之间的差值,当差值超出 tol...

1、当您付费下载文档后,您只拥有了使用权限,并不意味着购买了版权,文档只能用于自身使用,不得用于其他商业用途(如 [转卖]进行直接盈利或[编辑后售卖]进行间接盈利)。
2、本站所有内容均由合作方或网友上传,本站不对文档的完整性、权威性及其观点立场正确性做任何保证或承诺!文档内容仅供研究参考,付费前请自行鉴别。
3、如文档内容存在违规,或者侵犯商业秘密、侵犯著作权等,请点击“违规举报”。

碎片内容

allegro16.3约束规则设置

小辰+ 关注
实名认证
内容提供者

出售各种文档和资料

相关文档

确认删除?
VIP
微信客服
  • 扫码咨询
会员Q群
  • 会员专属群点击这里加入QQ群
客服邮箱
回到顶部