电脑桌面
添加小米粒文库到电脑桌面
安装后可以在桌面快捷访问

android电容屏:驱动调试之驱动程序分析篇

android电容屏:驱动调试之驱动程序分析篇_第1页
1/15
android电容屏:驱动调试之驱动程序分析篇_第2页
2/15
android电容屏:驱动调试之驱动程序分析篇_第3页
3/15
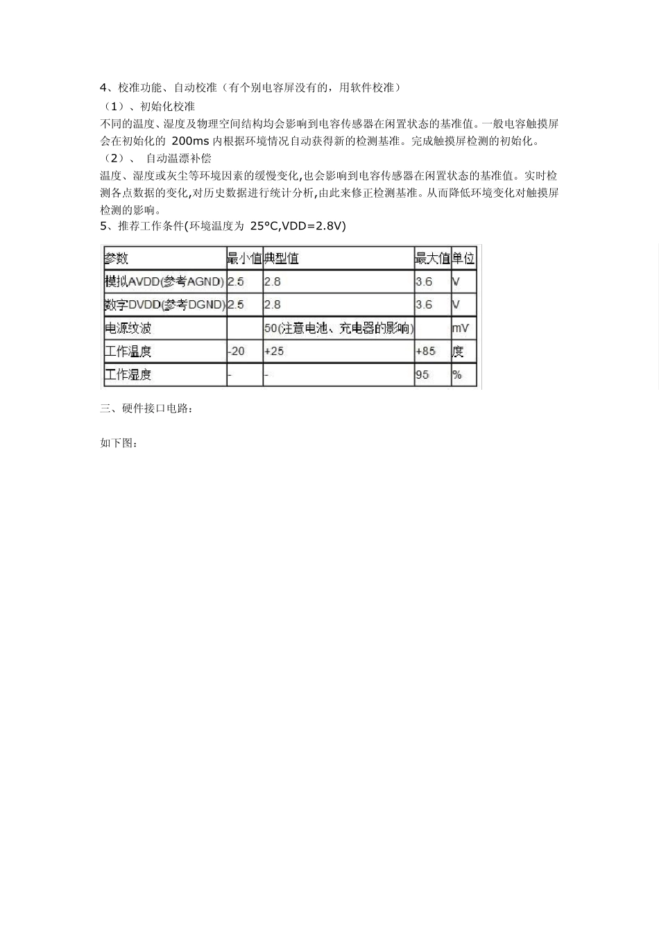
android 电容屏(三):驱动调试之驱动程序分析篇(转) 平台信息: 内核:linux2.6/linux3.0 系统:android/android4.0 平台:S5PV310(samsung exynos 4210) 以goodix 的gt8105 为例 一、总体架构 硬件部分:先看一个总体的图吧,其实触摸屏原理也比较简单,触摸屏和主控芯片间的联系,如下主要有三部分: 1、IIC 部分,初始化 gt8105 的数据和传回主控制的坐标位置信息就是通过 IIC 这条线传输的; 2、INT,当 gt8105 初触摸时,会发出中断通知主控接收信息(坐标数据); 3、gt8105 电源、复位这一部分,不同芯片有所不同,可以根据触摸屏芯片来配置。 二、电容触摸屏的主要参数(这部分面试的时候也许有人会问的) 记得刚出来找工作时有人问我一些问题,我没答不上来,现在感觉很清晰(那时候刚毕业 IIC我都说不全) 1、IIC (1)、clk370KHz~ 400KHz; (2)、触摸屏工作在从模式,这个比较简单; 2、电容检测频率,也就是每秒检测的次数:(大概) (1)、单指≥100Hz; (2)、五指≥80Hz; (3)、十指≥60Hz。 3、手指按下,没抬起时触发多少中断? 中断个数也就是检测频率,按下没提起一直有中断。这样我们就可有判断单点、划线之类的操作; 4、校准功能、自动校准(有个别电容屏没有的,用软件校准) (1)、初始化校准 不同的温度、湿度及物理空间结构均会影响到电容传感器在闲置状态的基准值。一般电容触摸屏会在初始化的 200ms 内根据环境情况自动获得新的检测基准。完成触摸屏检测的初始化。 (2)、 自动温漂补偿 温度、湿度或灰尘等环境因素的缓慢变化,也会影响到电容传感器在闲置状态的基准值。实时检测各点数据的变化,对历史数据进行统计分析,由此来修正检测基准。从而降低环境变化对触摸屏检测的影响。 5、推荐工作条件(环境温度为 25°C,VDD=2.8V) 三、硬件接口电路: 如下图: 软件部分,整体流程如下: 三、IIC 配置 设备到芯片的数据、初始化值都是从这条总线上传输的,首先我们要配置这个条总线, /linux/arch/arm/mach-exynos/mach-smdkv310.c,这个因平台而已,地址右移也跟情况而定,如果本来就是 7bit 的地址就不用移位。 static struct i2c_board_info i2c_devs5[] __initdata = { #if CONFIG_TOUCHSCREEN_GT8105 { I2C_BOARD_INFO("Goodix-TS", (0xaa>>1)), .irq = IRQ_EINT(5), } #endif }; 四、电源、复位(使能脚) 1、电源 3.3V 的电...

1、当您付费下载文档后,您只拥有了使用权限,并不意味着购买了版权,文档只能用于自身使用,不得用于其他商业用途(如 [转卖]进行直接盈利或[编辑后售卖]进行间接盈利)。
2、本站所有内容均由合作方或网友上传,本站不对文档的完整性、权威性及其观点立场正确性做任何保证或承诺!文档内容仅供研究参考,付费前请自行鉴别。
3、如文档内容存在违规,或者侵犯商业秘密、侵犯著作权等,请点击“违规举报”。

碎片内容

android电容屏:驱动调试之驱动程序分析篇

确认删除?
VIP
微信客服
  • 扫码咨询
会员Q群
  • 会员专属群点击这里加入QQ群
客服邮箱
回到顶部