电脑桌面
添加小米粒文库到电脑桌面
安装后可以在桌面快捷访问

ARM9嵌入式系统设计与开发应用P6772

ARM9嵌入式系统设计与开发应用P6772_第1页
1/6
ARM9嵌入式系统设计与开发应用P6772_第2页
2/6
ARM9嵌入式系统设计与开发应用P6772_第3页
3/6
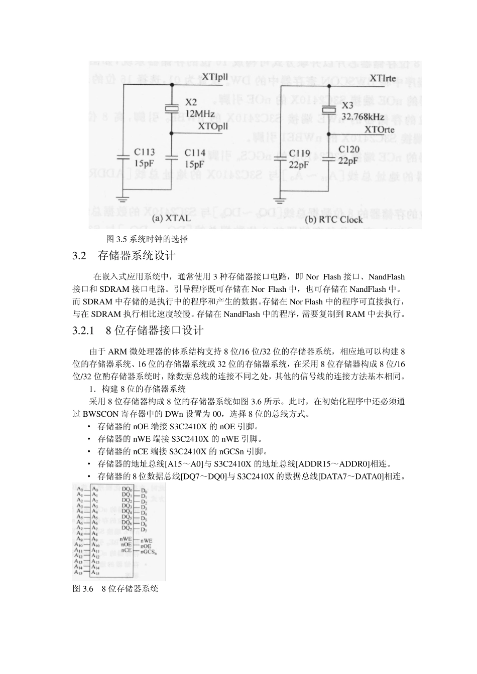
基于S3C2410X 处理器的硬件设计 3.1 基本电路设计 3.1.1 电源电路设计 S3C2410X 需要3.3V 和1.8V 两种供电电压,是由5V 电源电压经LM1085-3.3V 和AS1117-1.8V 分别得到3.3V 和1.8V 的工作电压。开发板上的芯片多数使用了3.3V 电压,而1.8V 电压是供给S3C2410 内核使用的。5V 电压供给音频功放芯片、LCD、电机、硬盘、CAN 总线等电路使用,具体如图 3.1 所示。 图 3.1 系统电源电路 RTC 电路的电压是1.8V,实际是将电池电压或 3.3V 电压经过两个 BAV99(等价于4个二极管串联)降压后得到的,如图 3.2 所示 图 3.2 RTC 电路的电压原理图 3.1.2 复位电路设计 硬件复位电路由IMP811T 构成,实现对电压的监控和手动复位操作。IMP811T 的复位电平可以使CPU JTAG(nTRST)和板级系统(nRESET)全部复位,RESET 反相后得到nRESET 信号,如图3.3 所示。 图3.3 系统的复位电路 3.1.3 晶振电路设计 S3C2410X 微处理器的主时钟可以由外部时钟源提供,也可以由外部振荡器提供,采 用哪种方式通过引脚OM[3:2]来进行选择。 ·()M[3:2]=00 时,MPLL 和UPLL 的时钟均选择外部振荡器。 ·()M[3:2l=01 时,MPLL 的时钟选择外部振荡器,UPLL 选择外部时钟源。 ·()Ml 3:2]=10 时,MPLL 的时钟选择外部时钟源,UPLL 选择外部振荡器。 ·OM[3:2]=11 时,MPLL 和UPLL 的时钟均选择外部时钟源。 该系统中选择OM[3:2]均接地的方式,即采用外部振荡器提供系统时钟。外部振荡 器由12MHz 晶振和2 个 15pF 的微调电容组成,如图3.4 所示。 图3.4 晶振电路原理图 图3.5 所示的是 S3C2410X 应用系统所需的RTC 时钟电路图,电路由12MHz 晶振和2个 15pF 的电容组成,振荡电路的输出接到S3C2410X 微处理器的XTIpll 脚,输入由XTOpll提供。12MHz 的晶振频率经 S3C24IOX 内部PLL 电路的倍频后可达 203MHz。 图3.5 系统时钟的选择 3.2 存储器系统设计 在嵌入式应用系统中,通常使用3 种存储器接口电路,即Nor Flash 接口、NandFlash接口和SDRAM 接口电路。引导程序既可存储在Nor Flash 中,也可存储在NandFlash 中。而SDRAM 中存储的是执行中的程序和产生的数据。存储在Nor Flash 中的程序可直接执行,与在SDRAM 执行相比速度较慢。存储在NandFlash 中的程序,需要复制到RAM 中去执行。 3.2.1 8 位存储器接口设计 由于ARM 微处理器的体系结构支持8 位/16 位/32...

1、当您付费下载文档后,您只拥有了使用权限,并不意味着购买了版权,文档只能用于自身使用,不得用于其他商业用途(如 [转卖]进行直接盈利或[编辑后售卖]进行间接盈利)。
2、本站所有内容均由合作方或网友上传,本站不对文档的完整性、权威性及其观点立场正确性做任何保证或承诺!文档内容仅供研究参考,付费前请自行鉴别。
3、如文档内容存在违规,或者侵犯商业秘密、侵犯著作权等,请点击“违规举报”。

碎片内容

ARM9嵌入式系统设计与开发应用P6772

确认删除?
VIP
微信客服
  • 扫码咨询
会员Q群
  • 会员专属群点击这里加入QQ群
客服邮箱
回到顶部