电脑桌面
添加小米粒文库到电脑桌面
安装后可以在桌面快捷访问

AT89C52单片机资料手册

AT89C52单片机资料手册_第1页
1/24
AT89C52单片机资料手册_第2页
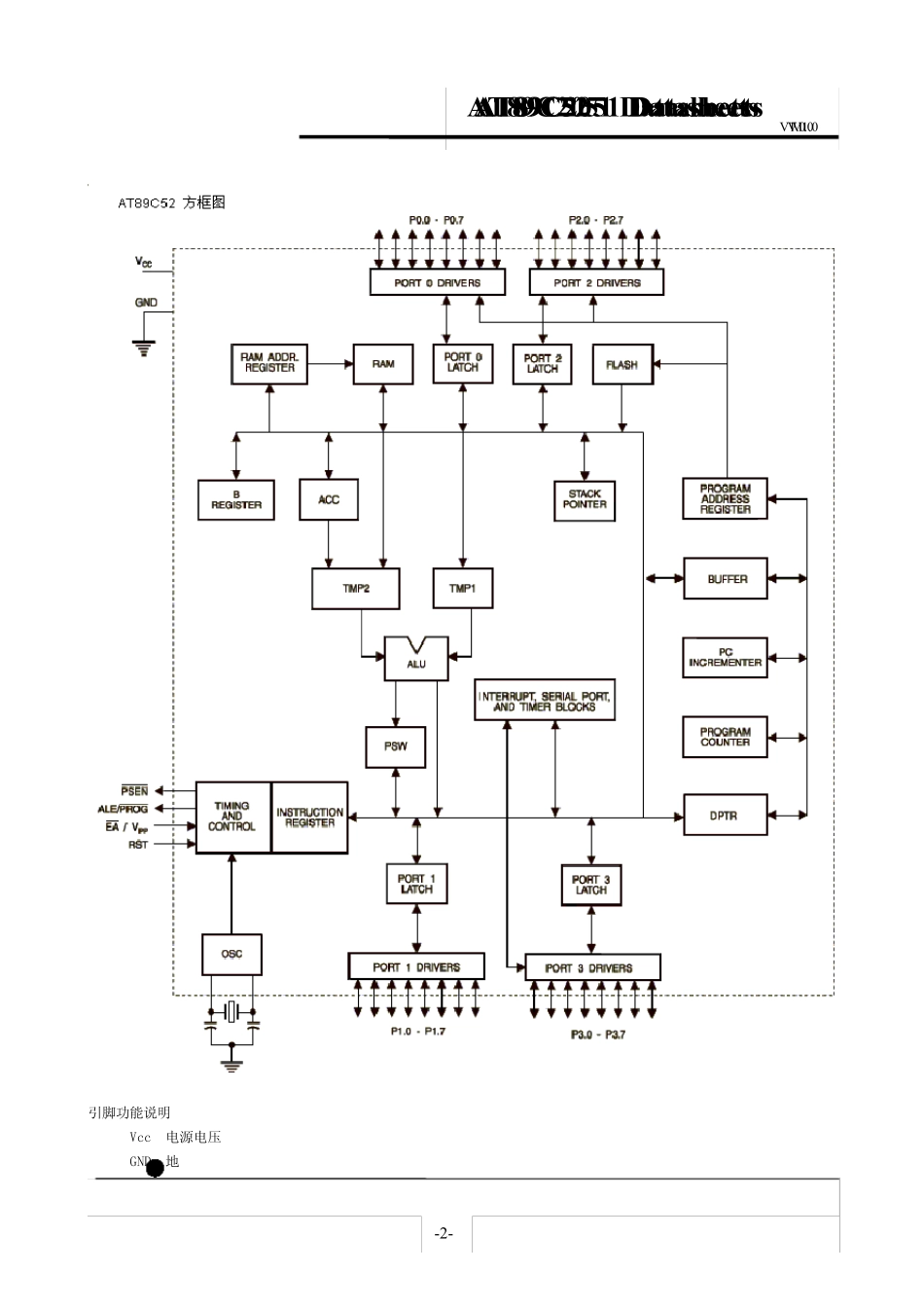
2/24
AT89C52单片机资料手册_第3页
3/24
             !  "#$%  &'(  )*+,-./012  34567  89:;<=>(  ?@AB !  CDEF GHIJKLMNOPQ(RH    DSTU     VWXY12D Z[  \]  Z[^  _ ! `a _  bc!d$ e_  fghi?jkle_mnopq>r`st 7cuvwc xy "# z{|}~h&[o  oJ bc!d$ pq>r`7?j56o  ?<st o^&oYe_&     $0  834!9:m;< Z[¡ ¢£¤¥¦ \] §¨¨¨ ©ª«mz{~¨¬­®¯°¬­±i²) ®³´ Z[^ µ¶°·® _¸ ¹º» `a· _ §´ bcºd$  _?j¼¸pq ½¶µ¾ >¿DÀ!    9:DÁÂÃÄÄ¼ÅÆÇÈ          ɨ `ɨ `eÊ  ËÌÍvÎnf ¹º» ` ÏÐÈÑ!$%Òa(`MÓÔ`(cÕÖ×ØÙÚ _  |}ÛvÜÝ` ɨ §cMÞßÓàÝ(áâãä^$% å cæÊ`açcèéÈÑ  !$%Òa(áâã«êëì^íîÞá ¸c `ï×34Z[ðáñòcÓÔ34Z[ñòcóäïíîÞ ` e_ô^íîÞ  nf ! `  ÓÔõöiÙÚÖ×åÓÔØ$ _  |}ÛvÜÝ`>÷^íîÞøÝ`îùúcÓà`Óà`û(cüM^áíîÞý_9:þä^rÿîcÓÔe_Ø%  &0  wA' ! ' çMbc!d$  ä^d$Óà'!...

1、当您付费下载文档后,您只拥有了使用权限,并不意味着购买了版权,文档只能用于自身使用,不得用于其他商业用途(如 [转卖]进行直接盈利或[编辑后售卖]进行间接盈利)。
2、本站所有内容均由合作方或网友上传,本站不对文档的完整性、权威性及其观点立场正确性做任何保证或承诺!文档内容仅供研究参考,付费前请自行鉴别。
3、如文档内容存在违规,或者侵犯商业秘密、侵犯著作权等,请点击“违规举报”。

碎片内容

AT89C52单片机资料手册

确认删除?
VIP
微信客服
  • 扫码咨询
会员Q群
  • 会员专属群点击这里加入QQ群
客服邮箱
回到顶部