电脑桌面
添加小米粒文库到电脑桌面
安装后可以在桌面快捷访问

A塔楼室内建筑垃圾垂直运输管道方案VIP专享

A塔楼室内建筑垃圾垂直运输管道方案_第1页
1/7
A塔楼室内建筑垃圾垂直运输管道方案_第2页
2/7
A塔楼室内建筑垃圾垂直运输管道方案_第3页
3/7
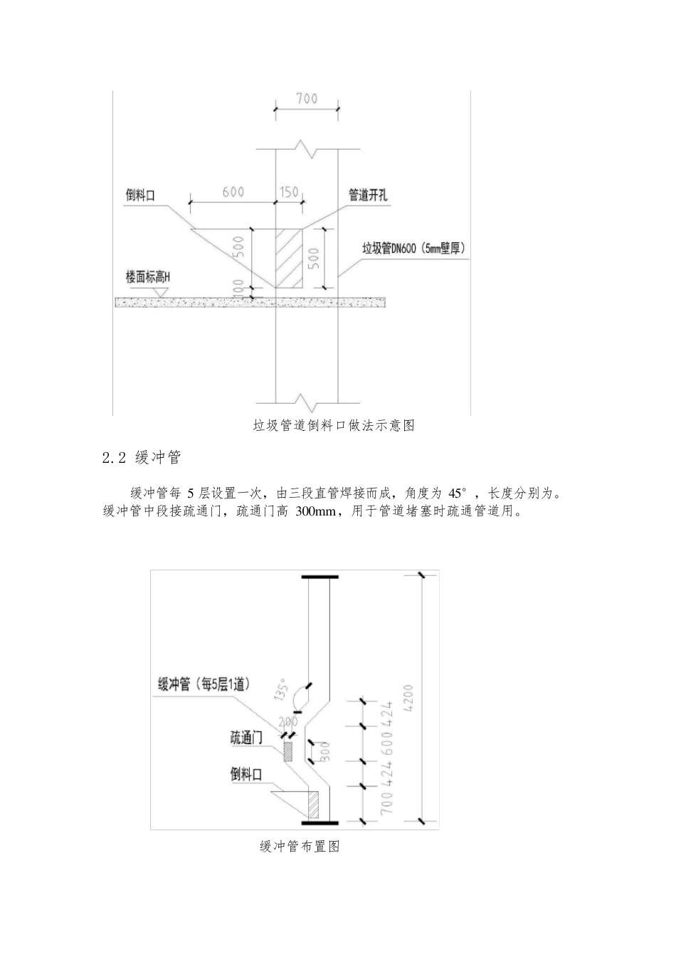
A 塔楼室内建筑垃圾垂直运输管道方案 1 . 技术背景 传统的建筑垃圾排放采用提升机或者人货电梯,这种方式排放等待时间长, 并增加了人货电梯的垂直运输压力。本项目采用新型建筑垃圾垂直管道运输,通过通道将建筑垃圾直接清倒至地下室垃圾指定堆放处,再将垃圾转出外运或合理利用。这种方式作业效率高,且环保节约。 2 . 具体方案 垂直通道安装在 A 塔楼核心筒 A-6 轴交 A-G 轴处楼梯间的正压风井内,送风管井尺寸为 800mm×1000mm。故垃圾通道采用外径 700~750mm(根据市场情况进行选型),壁厚 5mm 的圆钢管。每一层都设一个倒料口,每 3 层设置一个折型缓冲带,减缓高空落物的冲击,缓冲管中部设置疏通门。垃圾管道由四部分组成:倒料口、缓冲管、直管、出料口。 垃圾管道位置示意图 2.1 倒料口 每层均设置垃圾倒料口。垃圾倒料口采用 3mm 厚铁板制作成扩大 口,在管道上 开 孔 400mm(宽 )×500mm(高),底 边 高出楼板 100mm 。扩大 口与 垃圾管道进行焊 接,详 见 下图: 垃圾管道倒料口做法示意图 2.2 缓冲管 缓冲管每 5 层设置一次,由三段直管焊接而成,角度为 45°,长度分别为。缓冲管中段接疏通门,疏通门高 300m m ,用于管道堵塞时疏通管道用。 缓冲管布置图 2.3 加固方案 楼梯间正压送风井洞口尺寸为 800mm×1000mm,采用两根 14#槽钢将垃圾通道固定在四周的梁上,垃圾管道通过 100*100*5mm 的耳板焊接固定在 14#槽钢上,槽钢两端通过 M16 膨胀螺栓固定。 水平固定示意图 垃圾管道固定大样图 2.4 出料口 垃圾出料斗设置在负一层,每周定期清理垃圾池内垃圾,具体定位详见下图。 在负一层设置垃圾出料斗,出料斗四角立柱采用 100*100*3m m 厚方钢管固定在负一层楼板上。具体做法如下图所示: 3 . 注意事项 (1) 严禁倾倒易燃易爆、有腐蚀性的液体或尺寸超过管径的建筑垃圾。 (2) 堵管处理:关闭堵管处楼层以上的倒料口,其垃圾先在倒料口附近集中堆放。打开疏通门,疏通堵塞的管道。 (3) 管道破损处理:关闭破损处楼层以上的倒料口,其垃圾先在倒料口附近集中堆放,截断破损管道,焊接新管道。 (4) 当楼层倾倒垃圾时,将本楼层一下楼层的倒料口进行临时关闭,避免垃圾在下部楼层弹出伤人。 (5) 采用农用车进行装载垃圾前,将垃圾管道出口处的止流阀进行关闭。 4、参考实际效果图 垃圾斗实际效果图 垃圾斗底部合页开关实际效果图 电动葫芦控制开关实际效果图 倒料口实际效果图

1、当您付费下载文档后,您只拥有了使用权限,并不意味着购买了版权,文档只能用于自身使用,不得用于其他商业用途(如 [转卖]进行直接盈利或[编辑后售卖]进行间接盈利)。
2、本站所有内容均由合作方或网友上传,本站不对文档的完整性、权威性及其观点立场正确性做任何保证或承诺!文档内容仅供研究参考,付费前请自行鉴别。
3、如文档内容存在违规,或者侵犯商业秘密、侵犯著作权等,请点击“违规举报”。

碎片内容

A塔楼室内建筑垃圾垂直运输管道方案

确认删除?
VIP
微信客服
  • 扫码咨询
会员Q群
  • 会员专属群点击这里加入QQ群
客服邮箱
回到顶部