电脑桌面
添加小米粒文库到电脑桌面
安装后可以在桌面快捷访问

气液两相流流型实验报告

气液两相流流型实验报告_第1页
1/10
气液两相流流型实验报告_第2页
2/10
气液两相流流型实验报告_第3页
3/10
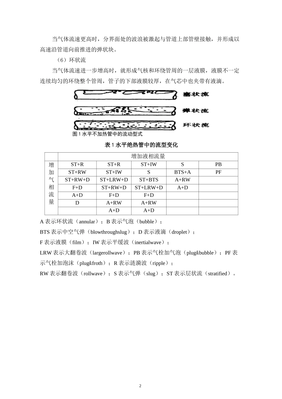
1气液两相流流型实验报告实验名称:气液两相流流型实验目的:1.熟悉台架,掌握流量测量仪表的使用;2.掌握常见两相流流型的划分方法及相关规律,观察水平管中不同流型的特点;3.根据各工况点实验数据绘制两相流流型图,并与典型流型图做比较。实验任务:实验测量数据:(1)测取不同情况下气相,液相流量;记录 P,P,t,t.气减室 w(2)判别流型要求:(1) 实验数据汇总表;(2) 绘制 a—卩曲线(3) 根据实验数据用 Weisman 图判别流型实验原理1、水平管道中气液两相流流型的划分及各流型特征在水平管道中的气液两相流,由于重力影响使流型结构呈现不对称性,因而水平管中的流型特征变得较为复杂。Oshinowo 流型划分原理使流型变得相对简单,根据 Oshinowo 的划分原则,一般把水平管道中的流型划分为六种,泡状流、塞状流、层状流、波状流、弹状流、环状流。(1) 泡状流在泡状流中,气相是以分离的气泡散布在连续的液相内,气泡趋向于沿管道上半部流动,这种流型在含气率低时出现。(2) 塞状流在塞状流中,小气泡结合大气泡,如栓塞状,分布在连续的液相内,大气泡也是趋向于沿管道上部流动,并且在大气泡之间还存在一些小气泡。(3) 层状流在层状流中,两个相的波动被一层较光滑的分界面隔开,由于重力和密度不同,气相在上部液相在下部分开流动。层状流只有在气相和液相的速度都很低时才出现。(4) 波状流当气流速度增大时,在气、液分界面上掀起了扰动的波浪,分界面由于受到沿流动方向的波浪作用而变得波动不止。(5)弹状流2当气体流速更高时,分界面处的波浪被激起与管道上部管壁接触,并形成以高速沿管道向前推进的弹状块。(6)环状流当气体流速进一步增高时,就形成气核和环绕管周的一层液膜,液膜不一定连续均匀的环绕整个管周,管子的下部液膜较厚,在气芯中也夹带有液滴。图 1 水平不加热管中的流动型式表 1 水平绝热管中的流型变化增加液相流量增加气相流量ST+RST+RST+IWSPBST+RWST+IWSBTS+APFST+RW+DST+LRW+DST+BTSA+RWF+DST+RW+DST+LRW+DA+DA+DF+DF+DDA+RWA+RWA+DA+DA 表示环状流(annular);B 表示气泡(bubble);BTS 表示中空气弹(blowthroughslug);D 表示液滴(droplet);F 表示液膜(film);IW 表示平缓波(inertialwave);LRW 表示大翻卷波(largerollwave);PB 表示气栓加气泡(plug&bubble);PF 表示气栓加泡沫(plug&froth);R 表示涟漪波(ripple);RW 表示翻卷波(rollwave);S 表示气弹(...

1、当您付费下载文档后,您只拥有了使用权限,并不意味着购买了版权,文档只能用于自身使用,不得用于其他商业用途(如 [转卖]进行直接盈利或[编辑后售卖]进行间接盈利)。
2、本站所有内容均由合作方或网友上传,本站不对文档的完整性、权威性及其观点立场正确性做任何保证或承诺!文档内容仅供研究参考,付费前请自行鉴别。
3、如文档内容存在违规,或者侵犯商业秘密、侵犯著作权等,请点击“违规举报”。

碎片内容

气液两相流流型实验报告

您可能关注的文档

确认删除?
VIP
微信客服
  • 扫码咨询
会员Q群
  • 会员专属群点击这里加入QQ群
客服邮箱
回到顶部