电脑桌面
添加小米粒文库到电脑桌面
安装后可以在桌面快捷访问

粮油储存品质判定规则.

粮油储存品质判定规则._第1页
1/11
粮油储存品质判定规则._第2页
2/11
粮油储存品质判定规则._第3页
3/11
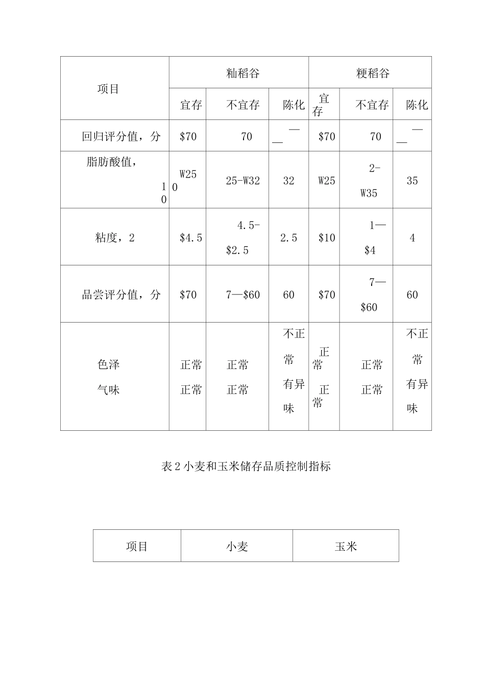
《粮油储存品质判定规则》试行)、范围本规则规定了稻谷、小麦、玉米、大豆、花生油、大豆油、菜籽油、葵花籽油等粮油品种的品质判定定义、储存品质控制指标、储存品质控制指标的使用与判定、试验方法等要求。本规则适用于中央储备粮油、定购粮油、保护价收购粮油,其它性质的粮油亦可参照执行。、引用标准下面标准被修订后,则引用修订后的新标准。—稻谷一小麦一大豆—玉米—大米—小麦粉—花生油一大豆油—菜籽油—食用植物油卫生标准粮食、油料及植物油脂检验规则—粮食、油料检验扦样、分样法—粮食、油料检验色泽、气味、口味鉴定法—粮食、油料检验粗蛋白质测定法—粮食粘度测定法(毛细管法)—粮食、油料检验种子发芽试验—植物油脂检验酸价测定法—油脂过氧化值测定—葵花籽油—油料种籽含油量测定法—小麦粉干面筋测定法一稻米蒸煮试验品质评定—谷物制品脂肪酸值测定法、定义.宜存粮油:符合判定为“宜存”规定的,可继续储存的粮油。.不宜存粮油:符合判定为“不宜存”规定的,需要轮换的粮油。.陈化粮油:符合判定为“陈化”规定的,不宜直接作为口粮食用的粮油。、储存品质控制指标.稻谷、小麦、玉米和大豆(见表、表和表)表稻谷储存品质控制指标项目籼稻谷粳稻谷宜存不宜存陈化宜存不宜存陈化回归评分值,分$7070——$7070——脂肪酸值,10W25025-W3232W252-W3535粘度,2$4.54.5-$2.52.5$101—$44品尝评分值,分$707—$6060$707—$6060色泽气味正常正常正常正常不正常有异味正常正常正常正常不正常有异味表 2 小麦和玉米储存品质控制指标项目小麦玉米宜存不宜存陈化宜存不宜存陈化回归评分值,分——————27070——脂肪酸值,100————W4040-W5050粘度,244————————面筋吸水量,$180180————————品尝评分值,分27070260602707026060色泽气味正常正常正常正常不正常有异正常正常正常正常不正常有异表 3 大豆储存品质控制指标项目大豆宜存不宜存陈化粗脂肪酸值,W3.53.5-5100W5蛋白质溶解比较率,$7575-$6060色泽气味正常正常正常正常不正常有异味4.2 花生油、大豆油、菜籽油和葵花籽油(见表 4)表 4 食油储存品质控制指标小豆油、菜籽油花生油、葵花籽项目宜存不宜存陈化宜存不宜存陈化过氧化值,W8-W12>W121—W2020酸价,W3.53.—W44 W3.53.—W44回 归 评 分 值(■)计算公式:粳稻=+发芽率一脂肪酸值+粘度粳稻=+发芽率一脂肪酸值玉米=+发芽率一脂肪酸值说明:为了计算回归评分值,需要检验发...

1、当您付费下载文档后,您只拥有了使用权限,并不意味着购买了版权,文档只能用于自身使用,不得用于其他商业用途(如 [转卖]进行直接盈利或[编辑后售卖]进行间接盈利)。
2、本站所有内容均由合作方或网友上传,本站不对文档的完整性、权威性及其观点立场正确性做任何保证或承诺!文档内容仅供研究参考,付费前请自行鉴别。
3、如文档内容存在违规,或者侵犯商业秘密、侵犯著作权等,请点击“违规举报”。

碎片内容

粮油储存品质判定规则.

wxg+ 关注
实名认证
内容提供者

该用户很懒,什么也没介绍

确认删除?
VIP
微信客服
  • 扫码咨询
会员Q群
  • 会员专属群点击这里加入QQ群
客服邮箱
回到顶部