电脑桌面
添加小米粒文库到电脑桌面
安装后可以在桌面快捷访问

CA3140中文手册VIP专享

CA3140中文手册_第1页
1/13
CA3140中文手册_第2页
2/13
CA3140中文手册_第3页
3/13
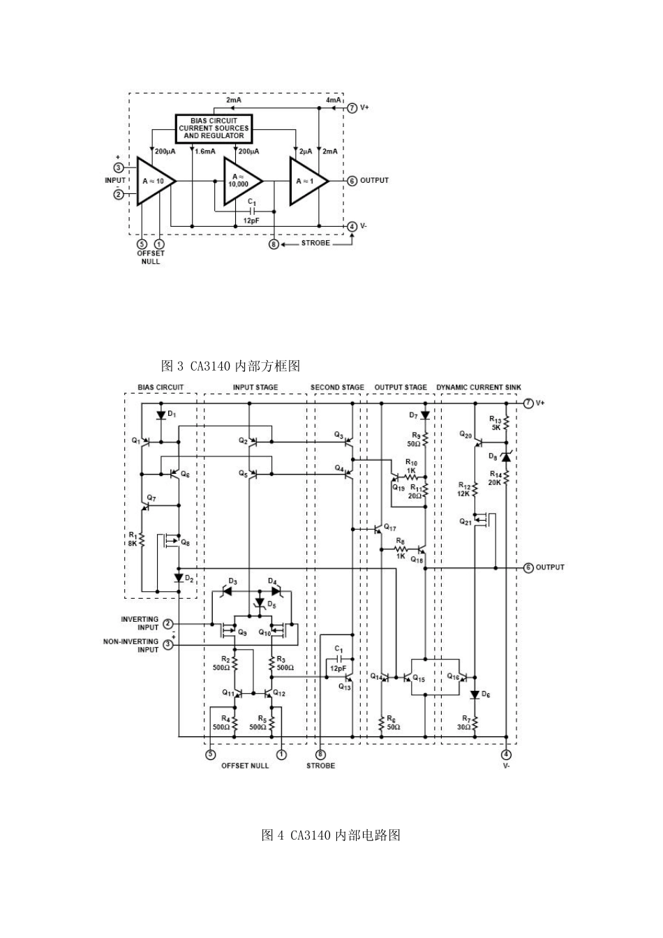
C A 3140 中文资料 CA3140 高输入阻抗运算放大器,是美国无线电公司研制开发的一种BiMOS高电压的运算放大器在一片集成芯片上,该CA3140A和CA3140 BiMOS运算放大器功能保护MOSFET的栅极(PMOS上)中的晶体管输入电路提供非常高的输入阻抗,极低输入电流和高速性能。操作电源电压从 4V至 36V(无论单或双电源),它结合了压电PMOS晶体管工艺和高电压双授晶体管的优点.(互补对称金属氧化物半导体)卓越性能的运放. 应用范围: •单电源放大器在汽车和便携式仪表 •采样保持放大器 •长期定时器 •光电仪表 •探测器 •有源滤波器 •比较器 •TTL 接口 •所有标准运算放大器的应用 •函数发生器 •音调控制 •电源 •便携式仪器 •入侵报警系统 图 1 金属罐形封装及引脚图 图 2 塑料封装 引脚功能表: 引脚号 功能 引脚号 功能 1 OFFSET NULL 偏置(调零端) 5 OFFSET NULL 偏置(调零端), 2 INV. INPUT 反向输入端 6 OUTPUT 输出 3 NON-INV INPUT 同向输入端 7 V+ 电源+4 V- 电源- 8 STROBE 选通端 图3 CA3140 内部方框图 图4 CA3140 内部电路图 直流电源电压(V+和V -端子) 36V 最大存储温度范围 -65℃ to 150℃ 差模输入电压 8 最大结温(塑料封装) 150℃ 直流输入电压 (V+ +8V) To (V- -0.5V)最大结温(金属罐封装) 175℃ 输入端电流 1mA 温度范围 1. θJA is measured with the component mounted on an evaluation PC board in free air. 2. Short circuit may be applied to ground or to either supply. 电气规格 VSUPPLY =±15V, TA=25℃ TYPICAL VALUES 典型值 PARAMETER 参数 SYMBOL 符号 TEST CONDITIONS 测试条件 CA3140 CA3140AUNITS 单位 Input Offset Voltage Adjustment Resistor 输入失调电压调整电阻 4、5 号端子或 4、1 号端子之间电阻典型值,以调整最大失调电压 4.7 18 kΩ Input Resistance 输入电阻 RI - 1.5 1.5 TΩ Input Capacitance 输入电容 CI - 4 4 pF Output Resistance 输出电阻 RO - 60 60 Ω Equivalent Wideband Input Noise Voltage(宽带等效输入噪声电压 eN BW = 140kHz, RS = 1MΩ 48 48 μV f = 1kHz 40 40 nV/√Hz Equivalent Input Noise Voltage 等效输入噪声电压(见图 35) eN RS = 100Ω f =...

1、当您付费下载文档后,您只拥有了使用权限,并不意味着购买了版权,文档只能用于自身使用,不得用于其他商业用途(如 [转卖]进行直接盈利或[编辑后售卖]进行间接盈利)。
2、本站所有内容均由合作方或网友上传,本站不对文档的完整性、权威性及其观点立场正确性做任何保证或承诺!文档内容仅供研究参考,付费前请自行鉴别。
3、如文档内容存在违规,或者侵犯商业秘密、侵犯著作权等,请点击“违规举报”。

碎片内容

CA3140中文手册

确认删除?
VIP
微信客服
  • 扫码咨询
会员Q群
  • 会员专属群点击这里加入QQ群
客服邮箱
回到顶部