电脑桌面
添加小米粒文库到电脑桌面
安装后可以在桌面快捷访问

CFG桩复合地基处理工程计算书

CFG桩复合地基处理工程计算书_第1页
1/10
CFG桩复合地基处理工程计算书_第2页
2/10
CFG桩复合地基处理工程计算书_第3页
3/10
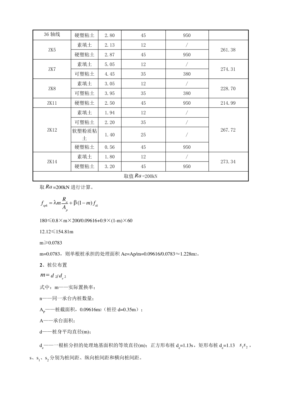
计算书: 1 、面积置换率计算 依据《建筑地基处理技术规范》(JGJ79-2012) skpaspkfmARmf)1( ,pppnipisiAqlqupRa1 式中:spkf——复合地基承载力特征值,取值为 180kPa;  ——单桩承载力发挥系数,取 0.80; pa ——桩端端阻力发挥系数,取 1.0; m ——面积置换率; aR ——单桩承载力特征值(kN); pA ——桩截面积,Ap=0.09616m2(桩径 d=0.35m);  ——桩间土强度的发挥系数,按规范取 0.90; skf——处理后桩间土承载力特征值,取值 60kPa(桩间土按素填土取值); pu ——桩的周长; siq ——桩侧土侧阻力特征值; il ——第 i 层土的厚度; pq ——桩端端阻力特征值,(以可塑粘土、硬塑粘土、强风化泥质砂岩作为桩端持力层)。 单桩承载力 Ra计算和取值表 代表性孔 指标 土层 层厚 桩侧土侧阻力特征值siq (kPa) 桩端端阻力特征值pq (kPa) 单桩承载力特征值aR (kN) ZK1 素填土 0.12 12 / 267.79 软塑粉质粘土 1.90 25 / 硬塑粘土 2.48 45 950 ZK3 附近 23 轴线 素填土 1.40 12 / 264.77 可塑粉质粘土 2.90 30 / 硬塑粘土 1.20 45 950 ZK4 附近 素填土 1.40 12 / 264.77 36 轴线 硬塑粘土 2.80 45 950 ZK5 素填土 2.13 12 / 261.38 硬塑粘土 2.87 45 950 ZK7 素填土 5.05 12 / 274.31 可塑粘土 4.45 35 380 ZK8 素填土 3.05 12 / 228.70 可塑粘土 3.95 35 380 ZK11 硬塑粘土 2.50 45 950 214.99 ZK12 素填土 1.94 12 / 267.72 可塑粘土 2.20 35 / 软塑粉质粘土 1.40 25 / 硬塑粘土 0.56 45 950 ZK14 素填土 1.80 12 / 273.34 硬塑粘土 3.20 45 950 取值Ra =200kN 取Ra =200kN 进行计算。 skpaspkfmARmf)1(  180≤0.8×m×200/0.09616+0.9×(1-m)×60 12.12≤154.81m m≥0.0783 m=0.0783,则单根桩承担的处理面积 Ae=Ap/m=0.09616/0.0783≈1.228m2。 2 、桩位布置 md 2/ed 2 式中:m——实际置换率; n——同一承台内桩数量; AP——桩截面积,0.09616m2(桩径 d=0.35m); A——承台面积; d——桩身平均直径(m); de——一根桩分担的处理地基面积的等效直径(m);正方形布桩 de=1.13s,矩形布桩 de=1.1321ss,s、s1、s2 分别为桩间距、纵向桩间距和横向桩间距。 CFG 桩复合地基设计桩布置 楼...

1、当您付费下载文档后,您只拥有了使用权限,并不意味着购买了版权,文档只能用于自身使用,不得用于其他商业用途(如 [转卖]进行直接盈利或[编辑后售卖]进行间接盈利)。
2、本站所有内容均由合作方或网友上传,本站不对文档的完整性、权威性及其观点立场正确性做任何保证或承诺!文档内容仅供研究参考,付费前请自行鉴别。
3、如文档内容存在违规,或者侵犯商业秘密、侵犯著作权等,请点击“违规举报”。

碎片内容

CFG桩复合地基处理工程计算书

确认删除?
VIP
微信客服
  • 扫码咨询
会员Q群
  • 会员专属群点击这里加入QQ群
客服邮箱
回到顶部