电脑桌面
添加小米粒文库到电脑桌面
安装后可以在桌面快捷访问

CHV160A调试手册VIP专享

CHV160A调试手册_第1页
1/13
CHV160A调试手册_第2页
2/13
CHV160A调试手册_第3页
3/13
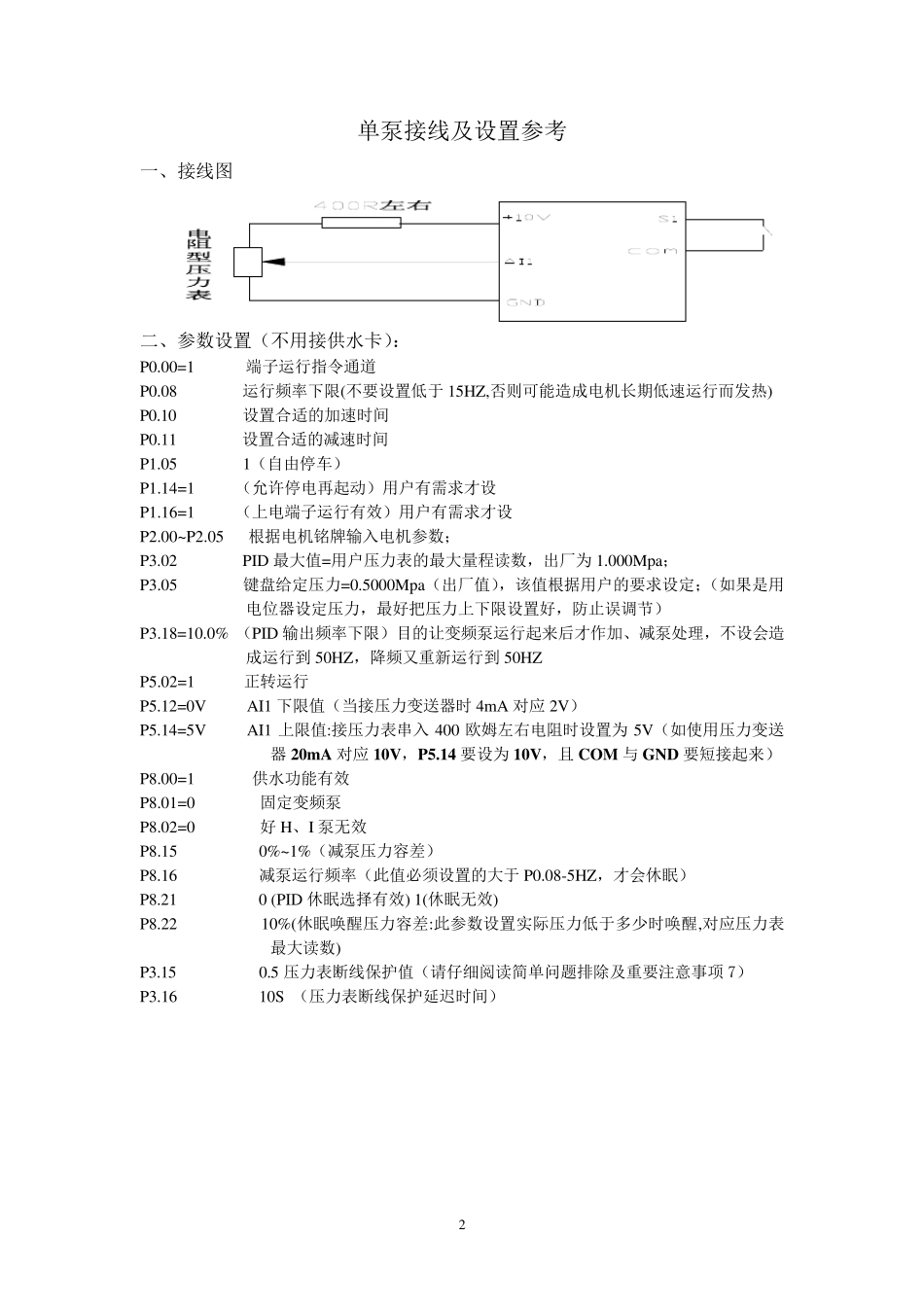
1 目录 目录---------------------------------------------------------------1 一台泵接线及设置参考-----------------------------------------------2 两台泵接线及设置参考-----------------------------------------------3 三台泵接线及设置参考-----------------------------------------------5 四台泵接线及设置参考-----------------------------------------------7 单泵定时控制压力设置-----------------------------------------------9 CHV160A 线路及调试快速检测方法-------------------------------------11 远传压力表及接线简单说明-------------------------------------------12 压力变送器接线示意图-----------------------------------------------12 简单问题排除及重要注意事项-----------------------------------------13 2 单泵接线及设置参考 一、接线图 二、参数设置(不用接供水卡): P0.00=1 端子运行指令通道 P0.08 运行频率下限(不要设置低于 15HZ,否则可能造成电机长期低速运行而发热) P0.10 设置合适的加速时间 P0.11 设置合适的减速时间 P1.05 1(自由停车) P1.14=1 (允许停电再起动)用户有需求才设 P1.16=1 (上电端子运行有效)用户有需求才设 P2.00~P2.05 根据电机铭牌输入电机参数; P3.02 PID 最大值=用户压力表的最大量程读数,出厂为 1.000Mpa; P3.05 键盘给定压力=0.5000Mpa(出厂值),该值根据用户的要求设定;(如果是用电位器设定压力,最好把压力上下限设置好,防止误调节) P3.18=10.0% (PID 输出频率下限)目的让变频泵运行起来后才作加、减泵处理,不设会造成运行到 50HZ,降频又重新运行到 50HZ P5.02=1 正转运行 P5.12=0V AI1 下限值(当接压力变送器时 4mA 对应2V) P5.14=5V AI1 上限值:接压力表串入 400 欧姆左右电阻时设置为 5V(如使用压力变送器 20mA 对应10V,P5.14 要设为 10V,且COM 与GND 要短接起来) P8.00=1 供水功能有效 P8.01=0 固定变频泵 P8.02=0 好 H、I 泵无效 P8.15 0%~1%(减泵压力容差) P8.16 减泵运行频率(此值必须设置的大于 P0.08-5HZ,才会休眠) P8.21 0 (PID 休眠选择有效) 1(休眠无效) P8.22 10%(休眠唤醒压力容差:此参数设置实际压力低于多少时唤醒,对应压力表最大读数) P3.15 0.5 压力表断线保 护 值(请 仔 细 阅 读简 单问 题 排 除 及重...

1、当您付费下载文档后,您只拥有了使用权限,并不意味着购买了版权,文档只能用于自身使用,不得用于其他商业用途(如 [转卖]进行直接盈利或[编辑后售卖]进行间接盈利)。
2、本站所有内容均由合作方或网友上传,本站不对文档的完整性、权威性及其观点立场正确性做任何保证或承诺!文档内容仅供研究参考,付费前请自行鉴别。
3、如文档内容存在违规,或者侵犯商业秘密、侵犯著作权等,请点击“违规举报”。

碎片内容

CHV160A调试手册

确认删除?
VIP
微信客服
  • 扫码咨询
会员Q群
  • 会员专属群点击这里加入QQ群
客服邮箱
回到顶部