电脑桌面
添加小米粒文库到电脑桌面
安装后可以在桌面快捷访问

CMR格式说明VIP专享

CMR格式说明_第1页
1/8
CMR格式说明_第2页
2/8
CMR格式说明_第3页
3/8
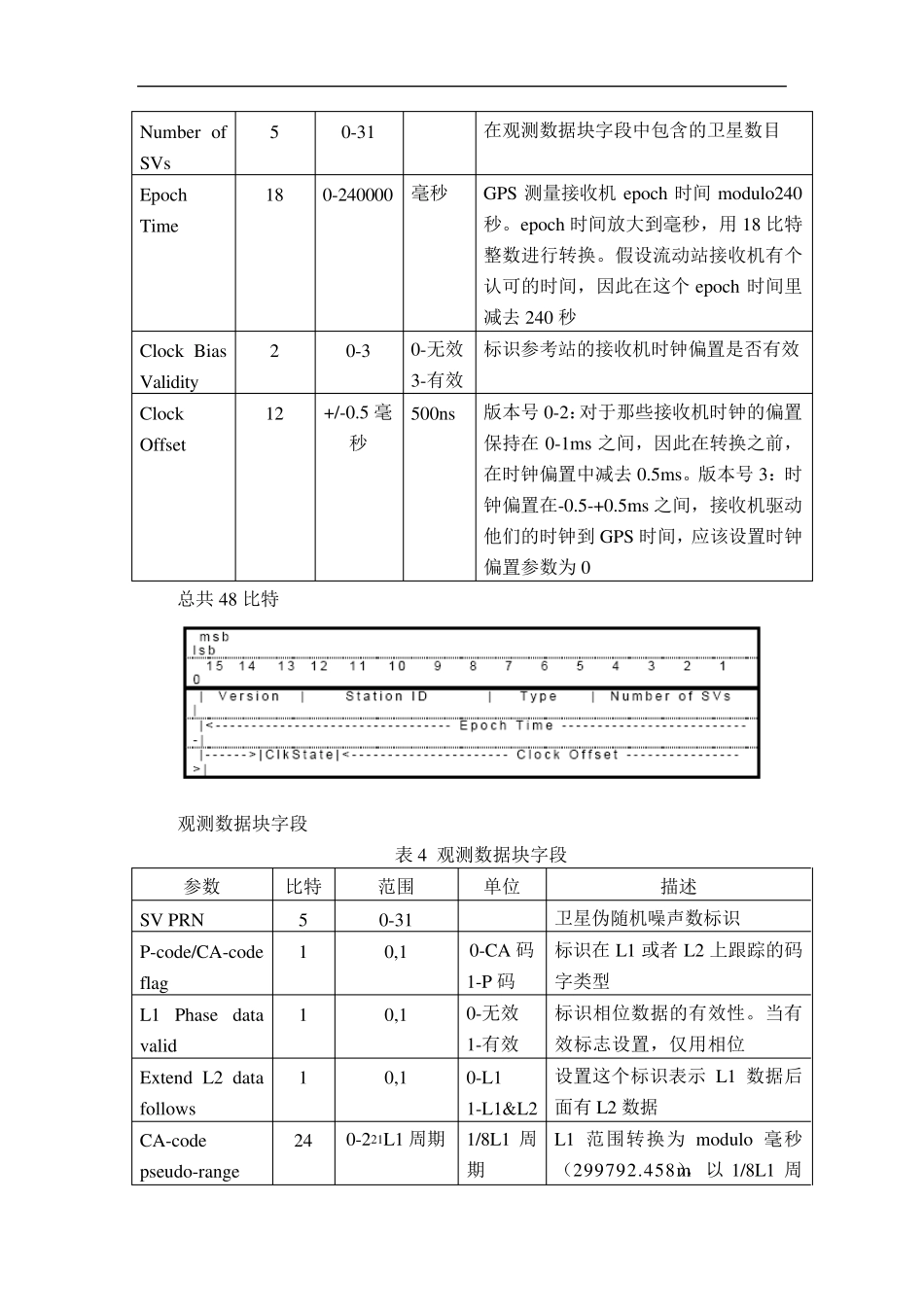
CMR 格式说明 1 CMR格式 每个CMR 信息由6 字节的帧打包而成,每个信息帧是帧头和数据段构成。RTK 定义三种信息类型: 1 观测数据信息-L1 和L2 的载波相位和随机测量数据 2 参考站位置信息-WGS84 坐标和天线偏置 3 参考站描述信息-基站名字和描述的ASCII 信息 观测数据信息每秒钟发送一次。参考站位置信息和参考站描述信息每10s 发送一次,并且是交织的。所有的信息类型描述如表 1: 表 1 压缩测量记录结构 传输结构 传输字节数 包头 4 字节 观测数据信息开始段(类型 0)包括卫星的数目 6 字节 卫星 1 L1 观测数据信息(是否有 L2 数据) 8 字节 卫星 1 L2 观测数据信息 7 字节 卫星 2 L1 观测数据信息 8 字节 卫星 2 L2 观测数据信息 7 字节 …………… …….. 卫星 n L1 观测数据信息 8 字节 卫星 n L2 观测数据信息 7 字节 包尾 2 字节 ……………………….. …………… 观测数据信息包 类型 0:9 sats=147 字节 ………………………… ……………….. 包头 4 字节 参考站坐标开始段(类型 1) 6 字节 参考站位置信息域 7 字节 包尾 2 字节(类型 1:19 字节) 观测数据信息包 ………………………… ………….. 包头 4 字节 参考站描述信息开始段(类型 2) 6 字节 参考站描述信息域 75 字节 包尾 2 字节(类型2:87 字节) ………………………….. …………….. 观测数据信息包 2.CMR包定义 每个CMR 信息都是以6 字节的帧发送的,详细的包结构如表2。CMR 包由传输开始标识字段,CMR 信息类型字段,信息长度字段,信息数据字段,校验码字段,传输结束标识字段构成。 表2 CMR 包定义 参数 字节数 描述 STX 1 传输开始标识字段(02h) Statu s 1 状态字段(00h) Ty pe 1 CMR 信息类型:0-观测数据;1-位置信息;2-描述信息 Length 1 数据字段的长度 Data Block 定义 数据块信息字段 Checksu m 1 数据校验字段,通过计算 Statu s+Ty pe+Length+Data Block取 256 的模 ETX 1 传输结束标识字段 尽管数据校验字段提供防止包出错能力,数据链路也要提供额外和充足的错误检测机制来确保流动站接收到的信息内容是有效的。 3.观测数据信息(信息类型0) CMR 格式分成头部分和数据部分。在测量时,发送开始字段,开始字段包括定时和卫星跟踪信息,这些信息和观测数据字段有关系...

1、当您付费下载文档后,您只拥有了使用权限,并不意味着购买了版权,文档只能用于自身使用,不得用于其他商业用途(如 [转卖]进行直接盈利或[编辑后售卖]进行间接盈利)。
2、本站所有内容均由合作方或网友上传,本站不对文档的完整性、权威性及其观点立场正确性做任何保证或承诺!文档内容仅供研究参考,付费前请自行鉴别。
3、如文档内容存在违规,或者侵犯商业秘密、侵犯著作权等,请点击“违规举报”。

碎片内容

确认删除?
VIP
微信客服
  • 扫码咨询
会员Q群
  • 会员专属群点击这里加入QQ群
客服邮箱
回到顶部