电脑桌面
添加小米粒文库到电脑桌面
安装后可以在桌面快捷访问

DDS307电导率仪说明书

DDS307电导率仪说明书_第1页
1/11
DDS307电导率仪说明书_第2页
2/11
DDS307电导率仪说明书_第3页
3/11
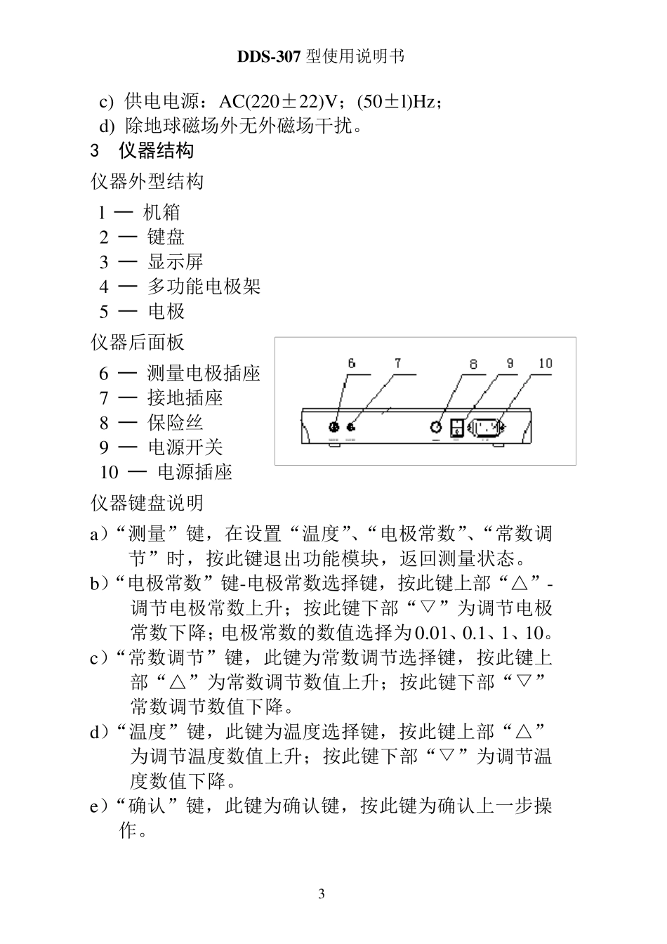
DDS-307 型使用说明书 1 DDS-307 电导率以说明书 目 录 1 概述 2 仪器的主要技术性能 3 仪器结构 4 仪器的使用 5 注意事项 6 电导电极的清洗与贮存 7 附录 8 仪器的成套性 9 用户订货须知 DDS-307 型 使 用 说 明 书 2 1 概 述 DDS- 307 型 电 导 率 仪 ( 以 下 简 称 仪 器 ) 是 实 验 室 测 量水 溶 液 电 导 率 必 备 的 仪 器 , 仪 器 采 用 全 新 设 计 外 形 、 大屏 幕 LCD 段 码 式 液 晶 , 显 示 清 晰 、 美 观 。 该 仪 器 广 泛 应用 于 石 油 化 工 、 生 物 医 药 、 污 水 处 理 、 环 境 监 测 、 矿 山冶 炼 等 行 业 及 大 专 院 校 和 科 研 单 位 。 若 配 用 适 当 常 数 的电 导 电 极 , 可 用 于 测 量 电 子 半 导 体 、 核 能 工 业 和 电 厂 纯水 或 超 纯 水 的 电 导 率 。 仪 器 主 要 特 点 如 下 : ◆ 仪 器 采 用 大 屏 幕 LCD 段 码 式 液 晶 ; ◆ 可 同 时 显 示 电 导 率 /温 度 值 , 显 示 清 晰 ; ◆ 具 有 电 导 电 极 常 数 补 偿 功 能 ; ◆ 具 有 溶 液 的 手 动 温 度 补 偿 功 能 ; 2 仪器的主要技术性能 仪 器 级 别 : 1.0 级 1. 测 量 范围: 0.00μS/cm~100.0mS/cm; 电 极 常 数 以 及 对应 最佳电 导 率 测 量 范围 电 极 常 数 cm-1 电 导 率 量 程μS/cm 0.01 0~2.000 0.1 0.2~20.00 1 2μS/cm~10.00)mS/cm 10 ( 10~100.0) mS/cm 2. 电 子 单 元基本误差: ±1.0%(FS); 3. 仪 器 的 基本误差: 电 导 率 : ±1.5%(FS) ; 4. 外 形 尺寸 1×b×h, mm: 290×210×95 5.重 量 : 1.5kg 6.仪 器 正常 工 作条件: a) 环 境 温 度 : (0~40)℃; b) 相对湿度 : 不大 于 85%; DDS-307 型使用说明书 3 c) 供电电源:AC(220±22)V;(50±l)Hz ; d) 除地球磁场外无外磁场干扰。 3 仪器结构 仪器外型结构 l ─ 机箱 2 ─ 键盘 3 ─ 显示屏 4 ─ 多功能电极架 5 ─ 电极 仪器后面板 6 ─ 测量电极插座 7 ─ 接地插座 8 ─ 保险丝 9 ─ 电源开关 10 ─ ...

1、当您付费下载文档后,您只拥有了使用权限,并不意味着购买了版权,文档只能用于自身使用,不得用于其他商业用途(如 [转卖]进行直接盈利或[编辑后售卖]进行间接盈利)。
2、本站所有内容均由合作方或网友上传,本站不对文档的完整性、权威性及其观点立场正确性做任何保证或承诺!文档内容仅供研究参考,付费前请自行鉴别。
3、如文档内容存在违规,或者侵犯商业秘密、侵犯著作权等,请点击“违规举报”。

碎片内容

DDS307电导率仪说明书

确认删除?
VIP
微信客服
  • 扫码咨询
会员Q群
  • 会员专属群点击这里加入QQ群
客服邮箱
回到顶部