电脑桌面
添加小米粒文库到电脑桌面
安装后可以在桌面快捷访问

室内镀锌钢管安装技术交底

室内镀锌钢管安装技术交底_第1页
1/7
室内镀锌钢管安装技术交底_第2页
2/7
室内镀锌钢管安装技术交底_第3页
3/7
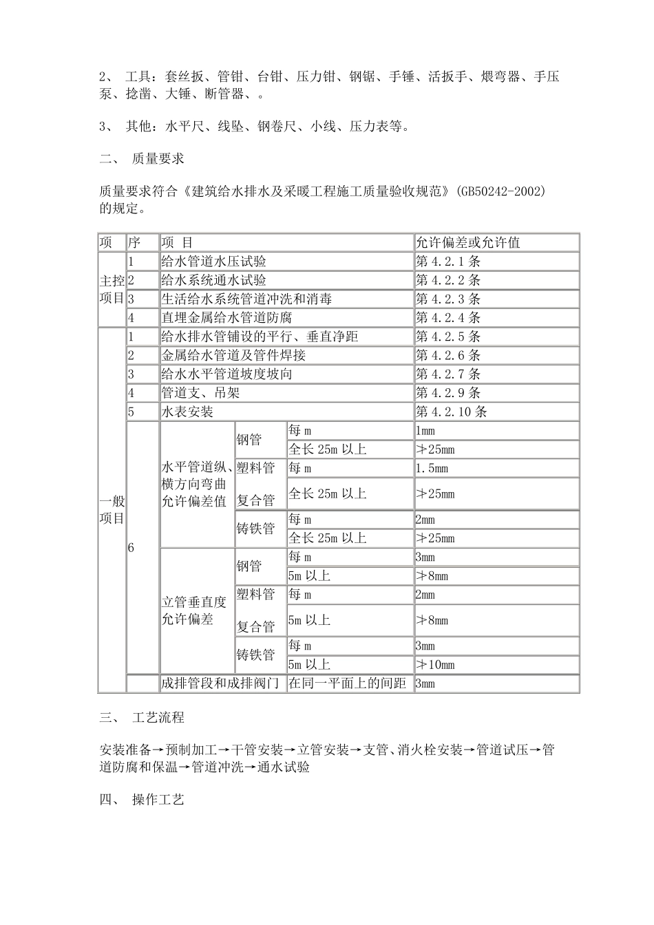
室内给水管道安装工程 分项工程质量技术交底一、 施工准备(一) 作业条件1、 地下管道铺设必须在房心土回填夯实或挖到管底标高,沿管线铺设位置清理干净,管道穿墙处巳留管洞或安装套管,其洞口尺寸和套管规格符合要求,坐标、标高正确。2、 暗装管道应在地沟盖板前或吊顶封闭前进行安装。3、 明装托、吊干管安装必须在安装层的结构顶板完成后进行。沿管线安装位置的模板及杂物清理干净,托吊卡件均已安装牢固,位置正确。4、 立管安装宜在主体结构完成后进行。高层建筑在主体结构达到安装条件后,适当插入进行。每层均应有明确的标高线,暗装竖井管道,应把竖井内的模板及杂物清除干净,并有防坠落措施。5、 支管安装应在墙体砌筑完毕墙面未装修前进行。(二) 材料要求1、 镀锌给水管及管件质量标准应执行 GB/T3091。其规格种类应符合设计要求,管内外镀锌均匀,无锈蚀,无毛刺。管件无偏扣、乱扣、丝扣不全或角度不准等现象。将几个相同直径的管件串起来,看是否乱扣、偏扣、角度不准,然后试压。2、 水表的规格应符合设计图纸要求,其中每户使用 DN15 水表。热水系统选用符合温度要求的热水表。表壳铸造规矩,无砂眼、裂纹,表玻璃盖无损坏,铅封完整。3、 阀门的规格型号应符合设计要求,热水系统阀门符合温度要求。阀体铸造规矩,表面光洁,无裂纹,开关灵活,关闭严密,填料密封完好无渗漏,手轮完整无损坏,干管上的阀门全部试压检验,一般阀门抽查 10%。若有不合格的,则抽查 20%,还有不合格的,则逐个检验。4、 不得使用国家限制使用和淘汰落后的建材。以上工程物资都应有产品质量合格证及相关检验报告。对于国家及北京市有规定的特定设备及材料,如消防、卫生、压力容器,应附有相应资质等级检验单位提供的检验报告;如安全阀、减压阀的调试报告,给水管道材料卫生检验报告,卫生器具环保检测报告,水表和热量表应经校准检定合格,有计量检定证书。(三) 主要机具1、 机械:套丝机,砂轮锯、台钻、调速电锤、手电钻、、电动或手动试压泵等。2、 工具:套丝扳、管钳、台钳、压力钳、钢锯、手锤、活扳手、煨弯器、手压泵、捻凿、大锤、断管器、。3、 其他:水平尺、线坠、钢卷尺、小线、压力表等。二、 质量要求质量要求符合《建筑给水排水及采暖工程施工质量验收规范》(GB50242-2002)的规定。项序1主控 2项目 3412345项 目允许偏差或允许值给水管道水压试验第 4.2.1 条给水系统通水试验第 4.2.2 条生活...

1、当您付费下载文档后,您只拥有了使用权限,并不意味着购买了版权,文档只能用于自身使用,不得用于其他商业用途(如 [转卖]进行直接盈利或[编辑后售卖]进行间接盈利)。
2、本站所有内容均由合作方或网友上传,本站不对文档的完整性、权威性及其观点立场正确性做任何保证或承诺!文档内容仅供研究参考,付费前请自行鉴别。
3、如文档内容存在违规,或者侵犯商业秘密、侵犯著作权等,请点击“违规举报”。

碎片内容

室内镀锌钢管安装技术交底

您可能关注的文档

确认删除?
VIP
微信客服
  • 扫码咨询
会员Q群
  • 会员专属群点击这里加入QQ群
客服邮箱
回到顶部