电脑桌面
添加小米粒文库到电脑桌面
安装后可以在桌面快捷访问

室外楼梯保护性拆除施工方案

室外楼梯保护性拆除施工方案_第1页
1/21
室外楼梯保护性拆除施工方案_第2页
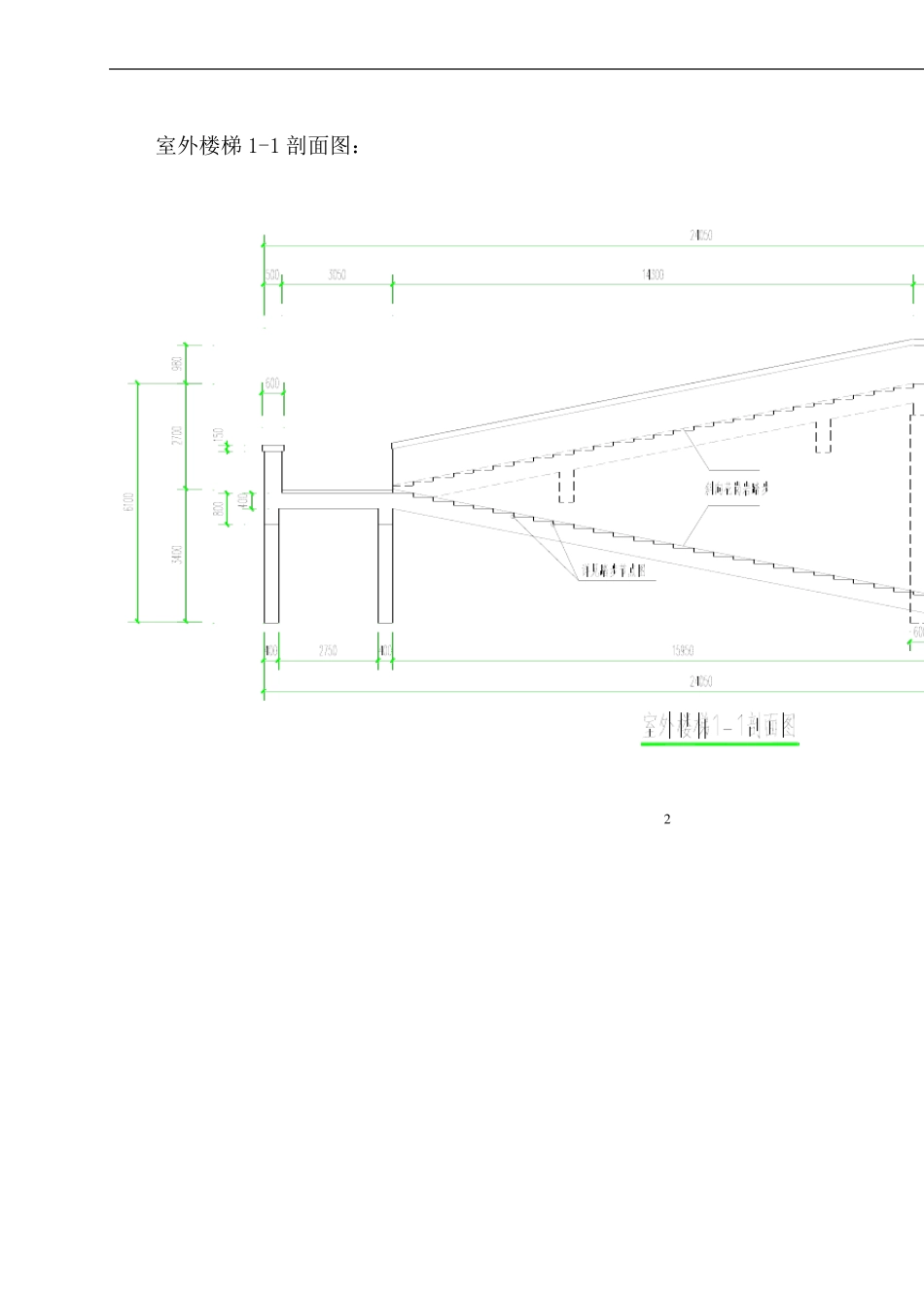
2/21
室外楼梯保护性拆除施工方案_第3页
3/21
目录一、工程概况 ............................................ 11.1 原建筑现状概况 .................................... 11.2 保护性拆除工作范围 ................................ 51.3 施工特点 .......................................... 5二、编制依据 ............................................ 5三、施工准备 ............................................ 63.1 技术准备工作 ...................................... 63.2 现场准备 .......................................... 73.3 机械设备材料的准备 ................................ 7四、 拆除施工 ........................................... 84.1 花岗岩踏步拆除 .................................... 84.2 主结构拆除 ........................................ 9五、拆除施工安全防护措施................................ 145.1 安全目标 ......................................... 145.2 安全教育 ......................................... 145.3 安全检查 ......................................... 145.4 安全技术措施 ..................................... 15六、拆除施工环境保护措施................................ 16七、拆除施工消防保证措施................................ 17八、拆除施工安全应急预案................................ 178.1 应急准备措施..................................... 178.2 应急抢救措施..................................... 18拆除施工组织机构框图 ................................... 19后附施工进度计划图一、工程概况1.1 原建筑现状概况原建筑为永定门两侧通往城墙上的楼梯,该楼梯与城墙结构相连,分为室外楼梯和室内楼梯两部分。室外楼梯为钢筋混凝土框架结构,墙体为钢筋混凝土外挂仿古砖砌筑而成且外墙呈一定角度倾斜向上,踏步使用花岗岩铺成,扶手使用仿古砖砌筑而成,在扶手上方有钢筋混凝土压顶(约 600mm 宽,150mm 厚),在楼梯休息平台下有两间储藏室,且储藏室内有建设单位固定资产,在拆除施工前需人工将物资转移到安全区域。在楼梯区域有两条电缆管井,现场有两条明敷电缆导致拆除工作难度增大;室外楼梯平面图及花岗岩踏步布置图:1室外楼梯 1-1 剖面图:2室外楼梯踏步节点详图:室内楼梯为钢筋混凝土框架结构,墙体使...

1、当您付费下载文档后,您只拥有了使用权限,并不意味着购买了版权,文档只能用于自身使用,不得用于其他商业用途(如 [转卖]进行直接盈利或[编辑后售卖]进行间接盈利)。
2、本站所有内容均由合作方或网友上传,本站不对文档的完整性、权威性及其观点立场正确性做任何保证或承诺!文档内容仅供研究参考,付费前请自行鉴别。
3、如文档内容存在违规,或者侵犯商业秘密、侵犯著作权等,请点击“违规举报”。

碎片内容

室外楼梯保护性拆除施工方案

您可能关注的文档

确认删除?
VIP
微信客服
  • 扫码咨询
会员Q群
  • 会员专属群点击这里加入QQ群
客服邮箱
回到顶部