电脑桌面
添加小米粒文库到电脑桌面
安装后可以在桌面快捷访问

射线工艺题带答案修正版

射线工艺题带答案修正版_第1页
1/6
射线工艺题带答案修正版_第2页
2/6
射线工艺题带答案修正版_第3页
3/6
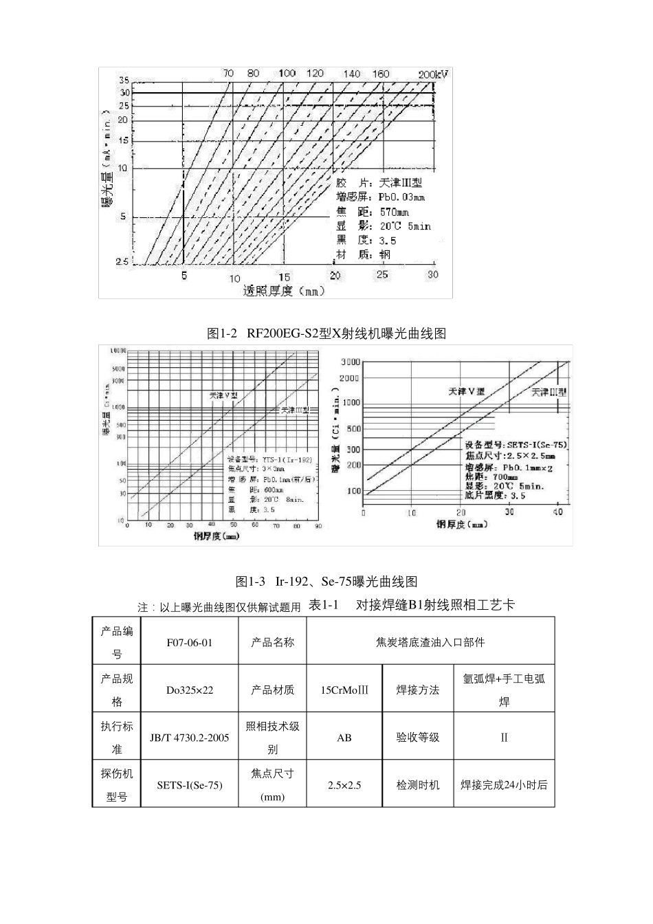
1、工艺题某制造厂为某炼油厂焦化装置预制的焦炭塔(二类压力容器)塔底渣油入口部件由拱形盖、拱形封头接口及弯管组合件组焊而成,结构如图1-1所示。拱形盖材质为15CrMoR,拱形封头接口、弯头及法兰材质为15CrMoⅢ级锻件。设计规定对B1对接焊接接头进行100%射线检测,执行JB/T 4730.2-2005《承压设备无损检测》,验收等级为Ⅱ级。图1-1 焦炭塔底渣油入口部件结构示意图拱形封头接口与弯管组合件对接焊接接头 B1环向对接焊接接头采用氩弧焊打底手工电弧焊盖面,焊缝余高2mm,请制定B1环向对接焊接接头的射线检测工艺。可提供的检测设备和材料有:RF200EG-S2型定向X射线机(焦点2×2mm)、Se-75γ射线探伤机(现有活度45Ci)和Ir-192γ射线探伤机(现有活度60Ci);天津Ⅲ型、Ⅴ型胶片(胶片规格为360×80mm、120×80mm)。曝光曲线见图1-2、图1-3。请将射线检测工艺参数填写在提供的工艺卡中(见表1-1),并将射源放置、散射线屏蔽和像质计使用、标记摆放等技术要求填写在工艺卡说明栏中。图1-2 RF200EG-S2型X射线机曝光曲线图图1-3 Ir-192、Se-75曝光曲线图注:以上曝光曲线图仅供解试题用 表1-1对接焊缝B1射线照相工艺卡焦炭塔底渣油入口部件氩弧焊+手工电弧焊Ⅱ产品编号产品规格执行标准探伤机型号F07-06-01产品名称Do325×22产品材质照相技术级别焦点尺寸(mm)15CrMoⅢ焊接方法JB/T 4730.2-2005AB验收等级SETS-I(Se-75)2.5×2.5检测时机焊接完成24小时后胶片牌号像质计型号显影液配方天津Ⅴ型胶片规格(mm)像质计灵敏度值显影时间360×80增感屏(mm)Pb0.1(前/后)FeⅡ11号丝底片黑度2.0~4.0天津Ⅴ型配方检5~10min.显影温度20±2℃焊缝编号焊缝长度(mm)测比例(%)透照厚度W(mm)透照方式焦距F(mm)管电一次透照长度(mm)透照次数N压kV或源活度Ci曝光时间(min)B1102010022中心周向透照164.510201451.1透照布置示意图:技术要求及1. 采用中心定位器器使射线源焦点对准B1的圆心;2.像质计沿圆周每隔120°均匀分布放置在源侧工件表面,金属丝横跨B1焊缝;3. 标记摆放:按通用工艺规程的规定;4. 沿B1外壁搭接贴放三张胶片(搭接长度20mm),胶片暗盒应与工件表面贴紧,暗盒背面衬铅板屏蔽背散射。说明编制(资格):XXX(Ⅱ)年 月 日审核(资格):XXX(Ⅲ)年 月 日 五、综合题(本题11分)某无损检测公司承接了某炼油厂动力中心锅炉现场安装焊接接头的射线检测工程。该锅炉的主要技术参数为:额定蒸发量670t/h;过热蒸...

1、当您付费下载文档后,您只拥有了使用权限,并不意味着购买了版权,文档只能用于自身使用,不得用于其他商业用途(如 [转卖]进行直接盈利或[编辑后售卖]进行间接盈利)。
2、本站所有内容均由合作方或网友上传,本站不对文档的完整性、权威性及其观点立场正确性做任何保证或承诺!文档内容仅供研究参考,付费前请自行鉴别。
3、如文档内容存在违规,或者侵犯商业秘密、侵犯著作权等,请点击“违规举报”。

碎片内容

射线工艺题带答案修正版

确认删除?
VIP
微信客服
  • 扫码咨询
会员Q群
  • 会员专属群点击这里加入QQ群
客服邮箱
回到顶部