电脑桌面
添加小米粒文库到电脑桌面
安装后可以在桌面快捷访问

冰蓄冷系统的测量

冰蓄冷系统的测量_第1页
1/15
冰蓄冷系统的测量_第2页
2/15
冰蓄冷系统的测量_第3页
3/15
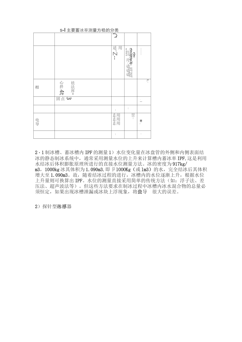
前言在冰蓄冷空调系统中,从制冰装置到空调末端之间有众多的设备,故需要测量的对象也很多。蓄冰槽内的蓄冰率(IPF,IcePackingFactor,定义:冰在冰槽内冰水混合物中的质量比率)标志着蓄冰槽单位体积内所贮存的冷量,故在蓄冰空调系统的运行管理与自动控制中,IPF 是一个不可缺少的测量参数。本文以测量蓄冰率为焦点,介绍其各种测量方法及其原理。1 冰蓄冷与蓄冰率冰蓄冷空调系统根据向末端设备输送和分配冷量过程中有无冰的移动可分为动态蓄冰和静态蓄冰两大类。在静态蓄冰系统中,有管外制冰、管内制冰、冰球制冰等方法,在动态蓄冰系统中,冰微粒有微粒状、扁平状、正方体状冰。无论上述哪种情况,冰都是在水溶液中由清水(纯水)结晶出来的。至今为止,已经提出了多种多样的冰蓄冷系统方案。在静态制冰系统中,制冰时的冷机运转控制与融冰时的残冰量预测都必须检测蓄冰槽内的蓄冰率 IPF;在动态制冰系统中,除需要把握蓄冰槽内的贮冰量外,还需避免冰浆输送过程中的管路阻塞、把握末端设备的冷量需求,也同样需要检测蓄冰槽和输送管路内的蓄冰率IPF。2 蓄冰率的测量方法与测量原理针对上述冰的各种生成方法和性状,应用各种原理提出了相应的蓄冰率测量方法。由于冰为固体,水为液体,冰水混合物的流动为固液两相流,在现有的测量方法中,也有直接将其它领域的固液两相流的测量方法应用于冰水混合物蓄冰率的测量方案;也有在其它领域没有采用的独特的冰水混合物蓄冰率测量方案的提出。但各种测量方法的提案均处于实验阶段,其精度、稳定性、简便性、普适性俱佳的测量方法还难以确立,有待于进一步研究提出更为优良的测量方法。本文介绍了到目前为止的各种蓄冰率测试方法和测量原理。表 1 给出了主要的测量方法、测量对象(基本原理)和适用场合。在各方法中,按适用于制冰槽与蓄冰槽、输送管、采样法进行分类,并在下文中顺序说明。s-I 主要蓄冰率测量方梏的分类S用适"Z--rin-rtn3Jttp3J-.HT2HT~JTT~月-适适适适适------相祛法厚•心拌4t严-3点固.一--电导用用用适适适翌-■-_--2・1 制冰槽、蓄冰槽内 IPF 的测量 1)水位变化量在冰盘管的外侧和内侧表面结冰的静态制冰系统中,通常采用测量水位的上升来计算槽内蓄冰率 IPF,这是利用水结冰后体积膨胀原理所进行的直接水位测量方法。冰的密度为 917kg/m3,1000kg 冰其体积为 1.090m3,即卩 lOOOKg(或 lm3)的水,完全结冰后其体积增大至 1.090m3。故,随着结冰过程的进行,冰槽内的水位逐渐上升...

1、当您付费下载文档后,您只拥有了使用权限,并不意味着购买了版权,文档只能用于自身使用,不得用于其他商业用途(如 [转卖]进行直接盈利或[编辑后售卖]进行间接盈利)。
2、本站所有内容均由合作方或网友上传,本站不对文档的完整性、权威性及其观点立场正确性做任何保证或承诺!文档内容仅供研究参考,付费前请自行鉴别。
3、如文档内容存在违规,或者侵犯商业秘密、侵犯著作权等,请点击“违规举报”。

碎片内容

冰蓄冷系统的测量

wxg+ 关注
实名认证
内容提供者

该用户很懒,什么也没介绍

确认删除?
VIP
微信客服
  • 扫码咨询
会员Q群
  • 会员专属群点击这里加入QQ群
客服邮箱
回到顶部