电脑桌面
添加小米粒文库到电脑桌面
安装后可以在桌面快捷访问

工程实体质量检查表

工程实体质量检查表_第1页
1/8
工程实体质量检查表_第2页
2/8
工程实体质量检查表_第3页
3/8
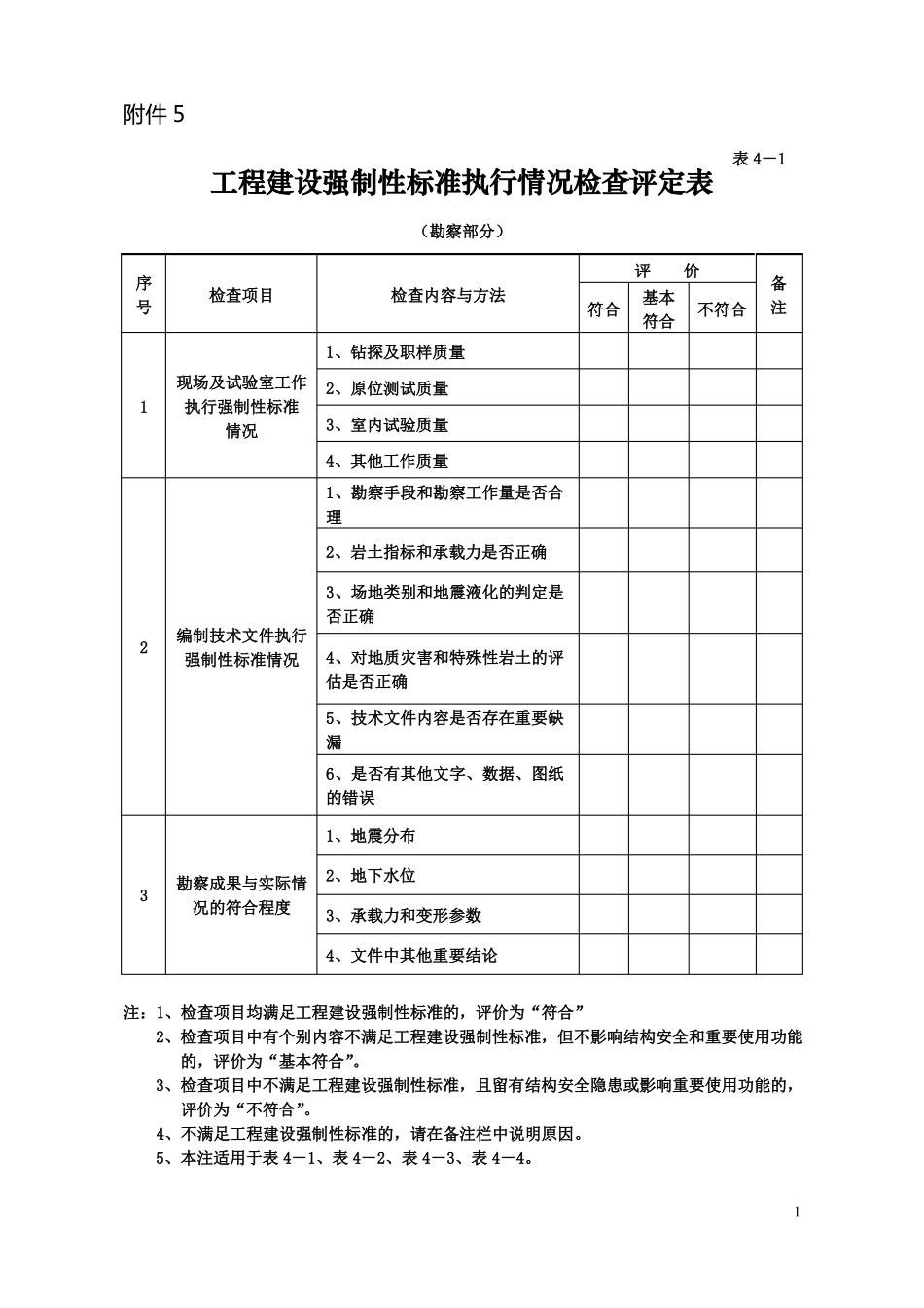
附件 5表 4-1工程建设强制性标准执行情况检查评定表(勘察部分)序号检查项目检查内容与方法1、钻探及职样质量1现场及试验室工作执行强制性标准情况2、原位测试质量3、室内试验质量4、其他工作质量1、勘察手段和勘察工作量是否合理2、岩土指标和承载力是否正确3、场地类别和地震液化的判定是否正确2编制技术文件执行强制性标准情况4、对地质灾害和特殊性岩土的评估是否正确5、技术文件内容是否存在重要缺漏6、是否有其他文字、数据、图纸的错误1、地震分布勘察成果与实际情况的符合程度2、地下水位3、承载力和变形参数4、文件中其他重要结论备基本符合不符合注符合评价3注:1、检查项目均满足工程建设强制性标准的,评价为“符合”2、检查项目中有个别内容不满足工程建设强制性标准,但不影响结构安全和重要使用功能的,评价为“基本符合”。3、检查项目中不满足工程建设强制性标准,且留有结构安全隐患或影响重要使用功能的,评价为“不符合”。4、不满足工程建设强制性标准的,请在备注栏中说明原因。5、本注适用于表 4-1、表 4-2、表 4-3、表 4-4。1表 4-2工程建设强制性标准执行情况检查评定表(设计部分)序号备基本符合不符合注符合评价检查项目检查内容与方法一建筑设计和建筑防火1234基本安全和公共利益屋面防水防火标准防火措施楼梯间、栏杆、窗台、走道、出入口设计、隔热保温措施防水等级、防水材料和措施耐火等级和构件耐火极限平面布置、建筑构造和疏散二结构体系123结构类型控制最大高度、高度比、横墙间距体型规则性变形缝平、立、剖面,地震作用传递途径伸缩缝、沉降缝、防震缝位置和宽度三混凝土结构构件123456设防标准基本构造框架梁柱剪力墙悬挑构件其它检查抗震等级和场地类别保持层、配筋率、锚固和连接框架梁柱尺寸、配筋率和箍筋加密构造墙厚、分布筋和边缘构件设置荷载和锚固构造预埋件、预应力构悠扬、水平转换构件四砌体结构构件1墙段承载力墙段局部尺寸、墙体高厚比2构造柱圈梁设置是否按烈度、层数、开间大小设置3456墙梁和挑梁非结构构件连接构件其它计算简图、支座承载力和构造阳台、雨蓬、檐口、女儿墙的锚固梁垫、楼板搁置长度、圈梁过梁、配筋砌体2五建筑节能公共建筑符合 GB50189-2005 第 4.1.2 条1建筑物体形系数夏 热 冬 冷 地 区 居 住 建 筑 符 合JGJ134-2001、J116-2001 第 4.0.3 条公共建筑符合 GB50189-2005 第 4.2.2 条采暖居住建筑符合 JGJ26-95 第 4.2.1 条2...

1、当您付费下载文档后,您只拥有了使用权限,并不意味着购买了版权,文档只能用于自身使用,不得用于其他商业用途(如 [转卖]进行直接盈利或[编辑后售卖]进行间接盈利)。
2、本站所有内容均由合作方或网友上传,本站不对文档的完整性、权威性及其观点立场正确性做任何保证或承诺!文档内容仅供研究参考,付费前请自行鉴别。
3、如文档内容存在违规,或者侵犯商业秘密、侵犯著作权等,请点击“违规举报”。

碎片内容

工程实体质量检查表

爱的疯狂+ 关注
实名认证
内容提供者

该用户很懒,什么也没介绍

确认删除?
VIP
微信客服
  • 扫码咨询
会员Q群
  • 会员专属群点击这里加入QQ群
客服邮箱
回到顶部