电脑桌面
添加小米粒文库到电脑桌面
安装后可以在桌面快捷访问

工程竣工验收申请表

工程竣工验收申请表_第1页
1/28
工程竣工验收申请表_第2页
2/28
工程竣工验收申请表_第3页
3/28
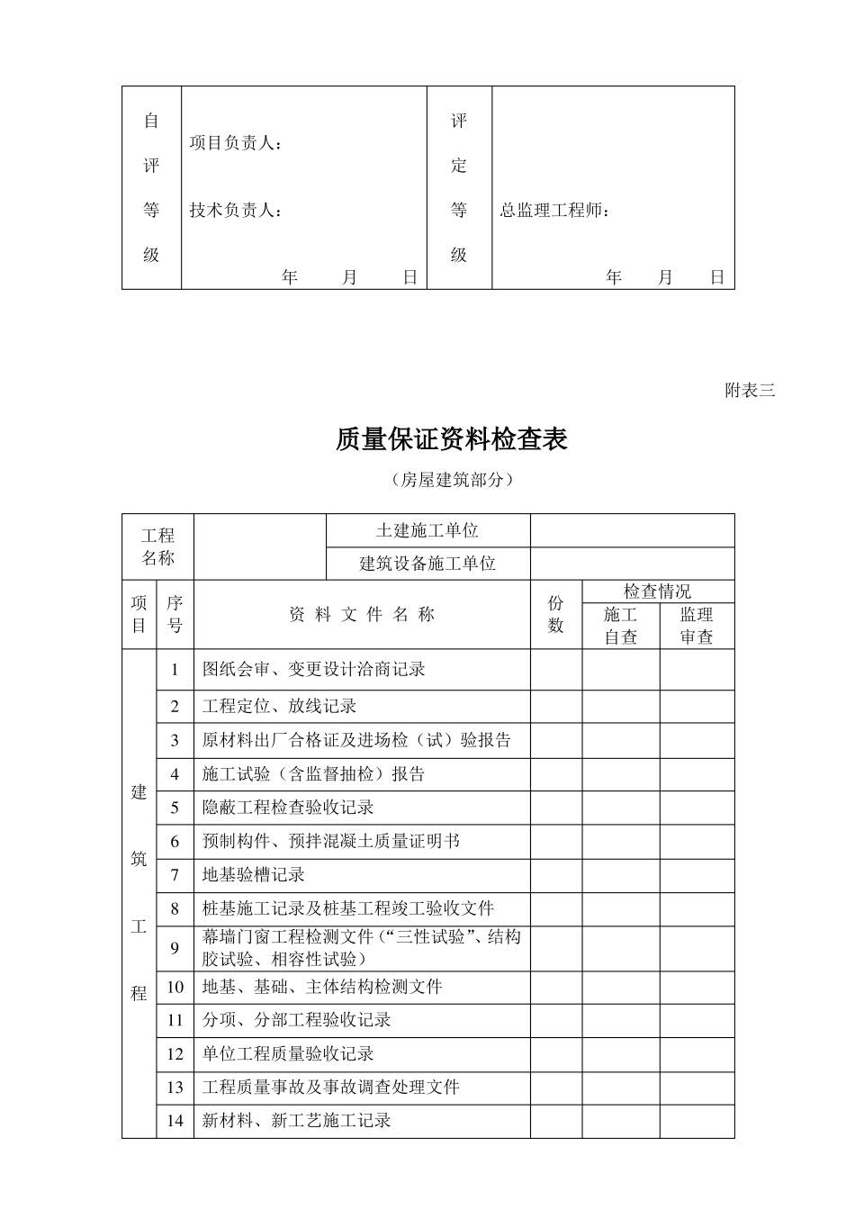
工程竣工验收申请表工程名称庐江县盛桥镇撤并村道路硬化建设工程施工(三标段)庐江县盛桥镇人民政府安徽省路联交通规划设计有限公司湖北华捷工程咨询监理有限公司安徽上宇建设工程有限公司工程地点庐江县盛桥镇建设单位断面结构土路基、级配、水稳、混凝土设计单位长度、宽度长 11.6km 宽 6m监理单位开工日期2016 年 6 月 22 日施工单位完工日期2016 年 10 月 2 日合同工程造价698 万完成工程造价698 万合同工期90 天实际工期100 天现工程已完成设计和登机珠各项内容,工程质量符合法律、法规和强制性标准。遗留问题已整改完毕并同意保修,特申请办量工程竣工验收手续。施工单位(单位公章):监理单位(单位公章):建设单位(单位公章):年月日附表二分部工程质量评定表工程名称:施工单位:序号1234567……分项工程名称项数其中优良项数备注合计优良率%自评等级项目负责人:技术负责人:年月日评定等级总监理工程师:年月日附表三质量保证资料检查表(房屋建筑部分)工程名称项序目号123建56筑78工9程104土建施工单位建筑设备施工单位资 料 文 件 名 称图纸会审、变更设计洽商记录工程定位、放线记录原材料出厂合格证及进场检(试)验报告施工试验(含监督抽检)报告隐蔽工程检查验收记录预制构件、预拌混凝土质量证明书地基验槽记录桩基施工记录及桩基工程竣工验收文件幕墙门窗工程检测文件(“三性试验”、结构胶试验、相容性试验)地基、基础、主体结构检测文件份数检查情况施工监理自查审查11分项、分部工程验收记录12单位工程质量验收记录13工程质量事故及事故调查处理文件14新材料、新工艺施工记录15竣工图采暧卫生燃气工程16171819202122图纸会审、变更设计及洽商记录材料、配件出厂合格证及进场检(试)验报告管道、设备强度试验、严密性试验记录隐蔽工程检查验收记录系统清洗、灌水、通水试验记录分项、分部工程验收记录竣工图续附表三项序目号资 料 文 件 名 称份数检查情况施工监理自查审查23图纸会审、变更设计洽商记录电气安装工程24材料、配件出厂合格证及进场检(试)验报告25设备调试记录26绝缘及防雷接地电阻测试记录27隐蔽工程检查验收记录28分项、分部工程验收记录29竣工图通风与空调工程30图纸会审、变更设计洽商记录31材料、配件出厂合格证及进场检(试)验报告32管道试验及设备调试检测记录33隐蔽工程检查验收记录34分项、分部工程验收记录35竣工图36图纸会审、变更设计洽商记录电37单台用...

1、当您付费下载文档后,您只拥有了使用权限,并不意味着购买了版权,文档只能用于自身使用,不得用于其他商业用途(如 [转卖]进行直接盈利或[编辑后售卖]进行间接盈利)。
2、本站所有内容均由合作方或网友上传,本站不对文档的完整性、权威性及其观点立场正确性做任何保证或承诺!文档内容仅供研究参考,付费前请自行鉴别。
3、如文档内容存在违规,或者侵犯商业秘密、侵犯著作权等,请点击“违规举报”。

碎片内容

工程竣工验收申请表

您可能关注的文档

确认删除?
VIP
微信客服
  • 扫码咨询
会员Q群
  • 会员专属群点击这里加入QQ群
客服邮箱
回到顶部