电脑桌面
添加小米粒文库到电脑桌面
安装后可以在桌面快捷访问

工程竣工验收表格

工程竣工验收表格_第1页
1/11
工程竣工验收表格_第2页
2/11
工程竣工验收表格_第3页
3/11
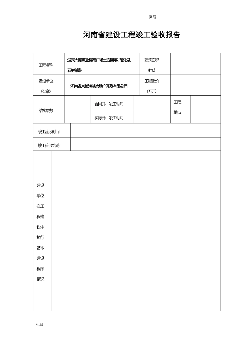
页眉河南省建设工程竣工验收通知书(监督机构):我单位建设的工程已具备工程竣工验收条件,现已通知施工、监理、设计等有关单位并定于年月日进行竣工验收,请你单位派人参加予以监督。签收人:签收时间:建设单位:(公章)年月日页脚页眉河南省建设工程竣工验收报告工程名称建设单位(公章)迎宾大厦商业楼南广场土方回填、硬化及石材铺装河南省京豫鸿基房地产开发有限公司建筑面积(m2)工程造价(万元)工程地点合同开、竣工时间结构层数实际开、竣工时间竣工验收时间竣工验收结论建设单位在工程建设中执行基本建设程序情况页脚页眉对工程勘察单位工作评价对 工程 设计 单位 工作评价页脚页眉对工程监理单位工作评价页脚页眉对工程施工单位工作评价组织竣工验收程序:页脚页眉竣工验收组织形式:组织竣工验收内容:河南省建设工程竣工验收意见书工程名称 迎宾大厦商业楼南施工单位结构类型层数/建筑面积开工日期广场土方回填、硬技术负责河南碧苑园林市政人工程有限责任公司项目技项目负责人术序号1项目验收记录完工日期论负责验收结分部工程验收共分部,经查分部,符合设计及标准规定分部页脚页眉2质量控制资料核查共项,经核查符合规定项,经核查不符合规定项共核查项,符合规定项,共抽查项,符合规定项,经返工处理符合规定项共抽查项,符合规定项,不符合规定项3安全和使用功能核查及抽查结果4观感质量验收5综合验收结论建设单位监理单位施工单位设计单位勘察单位参加验收单位(公章)(公章)(公章)(公章)(公章)项目负责人:总监理工程师:项目负责人:项目负责人:项目负责人:年月日年月日年月日年月日年月日施工单位工程竣工报告工程名称迎宾大厦商业楼南广场土方回填、硬化及石材铺装工程新乡市金穗大道与新二街交叉口东北角结构类型高度竣工时间工程地点建筑面积层数开工时间页脚页眉工程概况施工依据施工质量控制施工企业自查情况结论施工单位(公章)项目经理(注册建造师):(签字)单位负责人:(签字)监理单位(公章)总监理工程师:(签字)年月日监理单位工程质量评估报告工程名称工程地点建筑面积层数开工时间迎宾大厦商业楼南广场土方回填、硬化及石材铺装工程新乡市金穗大道与新二街交叉口东北角结构类型高度竣工时间页脚页眉工程概况监理依据施工质量控制企业自查情况评估意见监理单位(公章)总监理工程师:(签字)单位负责人:(签字)年月日勘察单位工程质量检查报告工程名称工程地点承担地质勘察时间...

1、当您付费下载文档后,您只拥有了使用权限,并不意味着购买了版权,文档只能用于自身使用,不得用于其他商业用途(如 [转卖]进行直接盈利或[编辑后售卖]进行间接盈利)。
2、本站所有内容均由合作方或网友上传,本站不对文档的完整性、权威性及其观点立场正确性做任何保证或承诺!文档内容仅供研究参考,付费前请自行鉴别。
3、如文档内容存在违规,或者侵犯商业秘密、侵犯著作权等,请点击“违规举报”。

碎片内容

工程竣工验收表格

确认删除?
VIP
微信客服
  • 扫码咨询
会员Q群
  • 会员专属群点击这里加入QQ群
客服邮箱
回到顶部