电脑桌面
添加小米粒文库到电脑桌面
安装后可以在桌面快捷访问

工程表格之钢结构制作安装记录VIP专享

工程表格之钢结构制作安装记录_第1页
1/25
工程表格之钢结构制作安装记录_第2页
2/25
工程表格之钢结构制作安装记录_第3页
3/25
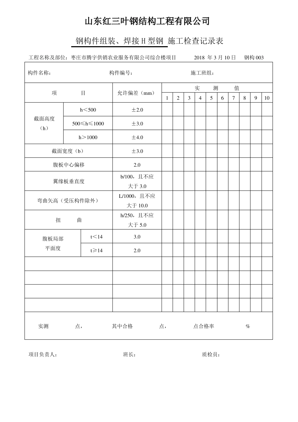
山东红三叶钢结构工程有限公司原材料进场检验施工检查记录表工程名称及部位:枣庄市腾宇供销农业服务有限公司综合楼项目2018 年 3 月 10 日钢构 001构件名称: 原材构件编号:施工班组:仓库实测值15.807.809.8011.8014.0016.0020.0030.0025.807.809.8011.8014.0016.0020.0030.0035.807.809.8011.8014.0016.0020.0030.0045.807.809.8011.8014.0016.0020.0030.0055.807.809.8011.8014.0016.0020.0030.00项目6mm8mm10mm12mm14mm16mm20mm30mm允许偏差(mm)±0.2±0.2±0.2±0.2±0.2±0.2±0.2±0.2实测40点,其中合格40点,点合格率100%项目负责人:班长:质检员:山东红三叶钢结构工程有限公司零部件切割加工 施工检查记录表工程名称及部位:枣庄市腾宇供销农业服务有限公司综合楼项目2018 年 3 月 10 日钢构 002构件名称:M1构件编号:施工班组:下料组项目允许偏差(mm)123实测值45678910气割机械剪切加工边缘切割面平面度割纹深度局部缺口深度边缘缺棱长 度宽 度±3.0±3.0±1.00.05t.且不应大于 2.00.31.01.02.00.025 t 且不应大于0.5型钢端部垂直度加工面垂直度t≤14t>14钢板的局部平面度1.51.0L/1000,且不应大于 5.0型钢弯曲矢高实测点,其中合格点,点合格率%项目负责人:班长:质检员:山东红三叶钢结构工程有限公司钢构件组装、焊接 H 型钢 施工检查记录表工程名称及部位:枣庄市腾宇供销农业服务有限公司综合楼项目2018 年 3 月 10 日钢构 003构件名称:构件编号:施工班组:实测值12345678910项目h<500截面高度(h)500≤h≤1000h>1000截面宽度(b)腹板中心偏移翼缘板垂直度允许偏差(mm)±2.0±3.0±4.0±3.02.0b/100,且不应大于 3.0L/1000,且不应大于 10.0h/250,且不应大于 5.0t<14t≥143.02.0弯曲矢高(受压构件除外)扭曲腹板局部平面度实测点,其中合格点,点合格率%项目负责人:班长:质检员:山东红三叶钢结构工程有限公司焊接连接制作组装质量 施工检查记录表工程名称及部位:枣庄市腾宇供销农业服务有限公司综合楼项目2018 年 3 月 10 日钢构 004构件名称:构件编号:施工班组:实测值12345678910项目允许偏差(mm)t/10,且不应大于 3.0±1.0±5.01.5±2.0b /100,且不应大于 3.0±2.0连接处1.02.0±2.0±2.0b /200,且不应大于 3.0对口错边间隙搭接长度缝隙高度垂 直 度中心偏移型钢错位其他处箱型截面高度宽度垂 直 度实测点,其中合格点,点合格率%项目负责人...

1、当您付费下载文档后,您只拥有了使用权限,并不意味着购买了版权,文档只能用于自身使用,不得用于其他商业用途(如 [转卖]进行直接盈利或[编辑后售卖]进行间接盈利)。
2、本站所有内容均由合作方或网友上传,本站不对文档的完整性、权威性及其观点立场正确性做任何保证或承诺!文档内容仅供研究参考,付费前请自行鉴别。
3、如文档内容存在违规,或者侵犯商业秘密、侵犯著作权等,请点击“违规举报”。

碎片内容

工程表格之钢结构制作安装记录

确认删除?
VIP
微信客服
  • 扫码咨询
会员Q群
  • 会员专属群点击这里加入QQ群
客服邮箱
回到顶部