电脑桌面
添加小米粒文库到电脑桌面
安装后可以在桌面快捷访问

工贸企业建设项目安全设施竣工验收报告

工贸企业建设项目安全设施竣工验收报告_第1页
1/31
工贸企业建设项目安全设施竣工验收报告_第2页
2/31
工贸企业建设项目安全设施竣工验收报告_第3页
3/31
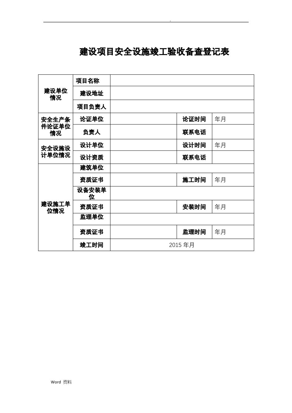
.有限公司建设项目安全设施竣工验收报告安全设施竣工验收组二〇一五年月日Word 资料.有限公司建设项目安全设施竣工验收报告项目名称:项目性质:新建项目地址:设计单位:施工单位:施工时间:设备安装单位:监理单位:项目竣工时间:申请验收单位:验收单位:验收时间:二○一五年月日Word 资料.建设项目安全设施竣工验收备查登记表项目名称建设单位情况建设地址项目负责人安全生产条件论证单位情况安全设施设计单位情况论证单位负责人设计单位设计资质建筑单位资质证书设备安装单位建设施工单位情况资质证书监理单位资质证书竣工时间监理时间2015 年月年月安装时间年月施工时间年月论证时间联系电话设计时间联系电话年月年月Word 资料.生产线项目为市重点建设项目,该项目由市发展和改革委员会批准立项建设,项目位于市产业聚集区工业园区内。该生产线项目总投资万元,其中:固定资产投资: 万元;占地面积㎡,厂房建筑面积㎡。该项目根据国家安全生产监督管理总局令第 36 号的规定,委托漯河市安泰注册安全工程师事务所有限公司进行安全生产条件和设施综合分析并在市安全生产监督管理局备案;委托轻工业设计院有限建设项目概况公司进行安全设施设计专篇编制,并在市安全生产监督管理局备案;由建筑工程有限公司承建土建工程;由有限责任公司承建设备安装工程;委托工程管理任有限公司对工程进行监理;项目建设严格按照国家法律法规和相关规范施工建设,施工建设期间没有发生生产安全事故和工程质量事故。Word 资料.验收结论:1.生产线建设项目,严格按照项目建设“三同时”要求进行了项目安全生产条件论证和安全设施专篇的审查备案程序。项目建设施工单位、监理单位具有国家规定的相应资质,施工过程符合国家有关施工技术标准,施工质量达到了本项目安全设施设计文件的要求。2.生产线项目,投入生产前,经过建设单位和施工、监理单位的内部验收,经验收项目建设符合设计要求。2015 年 7 月开始进行试生产运行,经试生产运行各项生产指标达到设计要求,安全设施运行正常,达到安全生产的条件。3.生产线建设项目建设完成后,公司组织人员培训、建立安全生产组织机构,完善安全制度体系,依法设置了安全生产管理机构,配安全设施竣工验收情况备专职安全生产管理人员,从业人员已经过安全教育培训,具备相应资格。4.该项目设备设施先进,自动化程度高,消防自动报警装置完备可靠,可燃气体自动检测报警装置、视频监控装置运行正常,厂...

1、当您付费下载文档后,您只拥有了使用权限,并不意味着购买了版权,文档只能用于自身使用,不得用于其他商业用途(如 [转卖]进行直接盈利或[编辑后售卖]进行间接盈利)。
2、本站所有内容均由合作方或网友上传,本站不对文档的完整性、权威性及其观点立场正确性做任何保证或承诺!文档内容仅供研究参考,付费前请自行鉴别。
3、如文档内容存在违规,或者侵犯商业秘密、侵犯著作权等,请点击“违规举报”。

碎片内容

工贸企业建设项目安全设施竣工验收报告

您可能关注的文档

确认删除?
VIP
微信客服
  • 扫码咨询
会员Q群
  • 会员专属群点击这里加入QQ群
客服邮箱
回到顶部