电脑桌面
添加小米粒文库到电脑桌面
安装后可以在桌面快捷访问

DZ47系列小型断路器检验标准

DZ47系列小型断路器检验标准_第1页
1/6
DZ47系列小型断路器检验标准_第2页
2/6
DZ47系列小型断路器检验标准_第3页
3/6
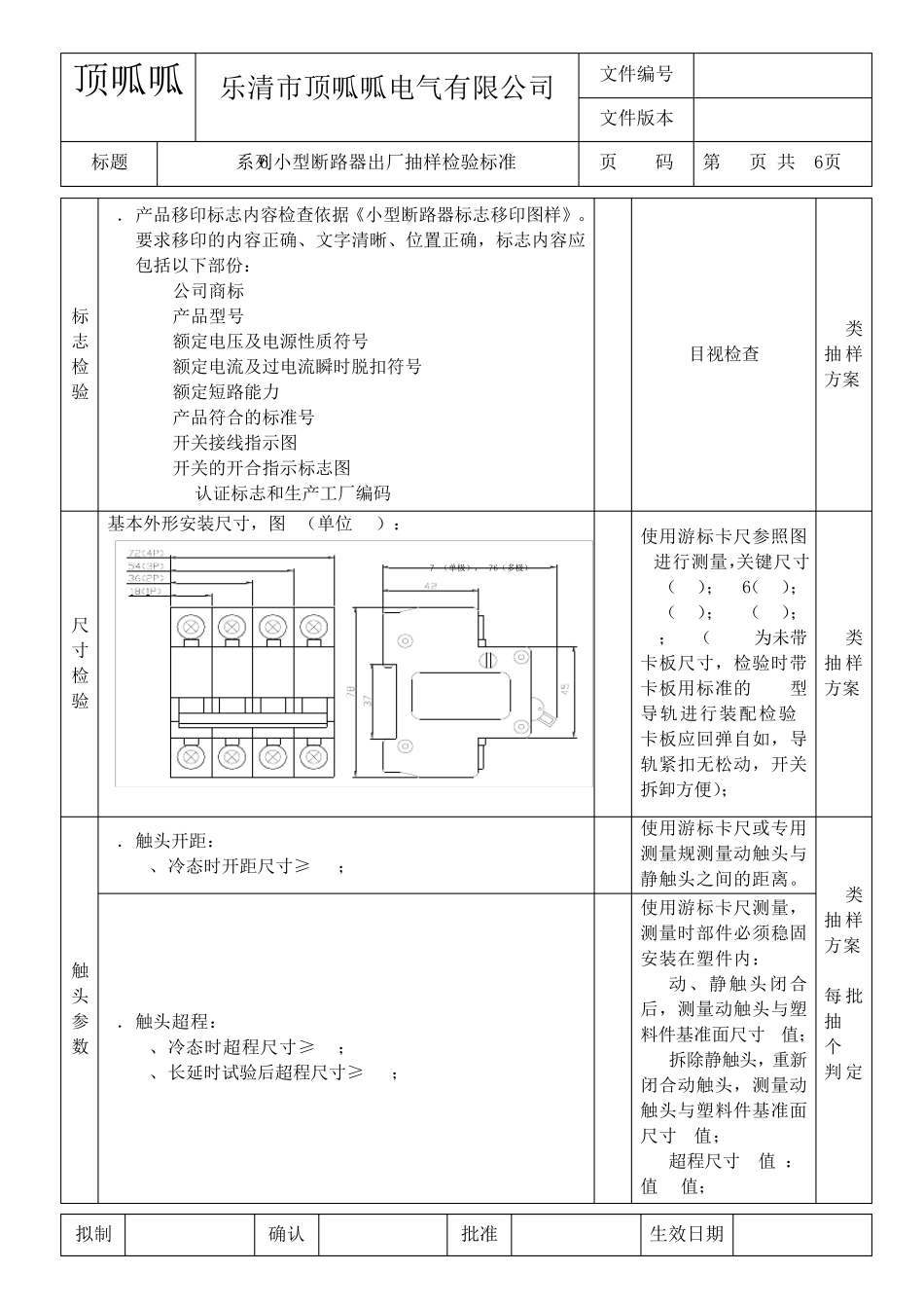
顶呱呱 乐清市顶呱呱电气有限公司 文件编号 文件版本 A.0 标题 DZ47-63系列小型断路器出厂抽样检验标准 页 码 第 1 页 共 6 页 拟制 确认 批准 生效日期 一、 目的: 1. 规范TLK1系列小型断路器的检验项目和方法,确保TLK1系列产品符合GB10963.1标准要求。 二、 适用范围: 适用于TLK1系列小型断路器成品验证指导。 三、 检验方案: A、 执行GB2828-2003,正常检查一般水平Ⅱ级的抽样标准。 致命缺陷“A”类:AQL=0.25;主要缺陷“B”类:AQL=1.5;次要缺陷“C”类:AQL=4.0; B、 定数检验。 四、 检验程序: 1. 样品取样:依据 GB2828-2003抽样标准进行取样,样品必须是随机的从不同的,包装完好的单元中抽取,不允许只在同一包装单元中抽取样品(只有一个单元或另有特殊要求除外)。 2. 依据作业指导文件准备相关的依据,如检验样品、检验图纸等。 3. 依照作业指导书逐项进行检验(检验项目可根据生产及现场情况提前或调后),并将检验结果如实填写检验报告。 五、 检验项目及检验方法: 项目 检验内容与检验要求 等级 检验方法 检验方案 外观检验 1. 外露塑料件无明显划痕、变形、色差,整机表面光洁,干净而无灰尘、无污垢。 C 目视检查 A 类抽样方案 2. 外露金属部件防护镀层光泽,无明显氧化发黑、起泡现象。 C 3. 螺丝安装位置正确,螺丝头槽位应无变形。 C 4. 连接铆合良好,铆合口无明显破裂,并且无松动、松脱、漏铆现象。 B 5. 手柄颜色正确,符合设计样板要求,多极手柄连杆安装位置正确,光面朝上,不可装反。 B 标志检验 1. 外壳模刻的“LOGO”商标及其它标志正确、清晰,符合样品要求。 B 目视检查; 耐久性实验:用浸湿水的棉花来回擦 15次,约 1次/秒,接着用浸湿 90#或 97#汽油的棉花来回擦拭 15次,约 1次/秒。实验后标志应易于辨认。 A 类抽样方案 2. 产品表面的移印标志应着色均匀,无毛边、重影、残缺、沾印油等现象,应能通过标志耐久性实验。 C 3. 生产日期标识、生产工号印于产品底部,印字内容正确、文字清晰、位置端正,无偏斜,倒置、散墨现象。 C 按目前的要求实际达不到 顶 呱 呱 乐 清 市 顶 呱 呱 电 气 有 限 公 司 文 件 编 号 文 件 版 本 A.0 标 题 DZ47-63系 列 小 型 断 路 器 出 厂 抽 样 检 验 标 准 页 码 第 2 页 共 6 页 拟 制 确 认 批 ...

1、当您付费下载文档后,您只拥有了使用权限,并不意味着购买了版权,文档只能用于自身使用,不得用于其他商业用途(如 [转卖]进行直接盈利或[编辑后售卖]进行间接盈利)。
2、本站所有内容均由合作方或网友上传,本站不对文档的完整性、权威性及其观点立场正确性做任何保证或承诺!文档内容仅供研究参考,付费前请自行鉴别。
3、如文档内容存在违规,或者侵犯商业秘密、侵犯著作权等,请点击“违规举报”。

碎片内容

DZ47系列小型断路器检验标准

您可能关注的文档

确认删除?
VIP
微信客服
  • 扫码咨询
会员Q群
  • 会员专属群点击这里加入QQ群
客服邮箱
回到顶部