电脑桌面
添加小米粒文库到电脑桌面
安装后可以在桌面快捷访问

EMFMHFD3000电磁流量计

EMFMHFD3000电磁流量计_第1页
1/25
EMFMHFD3000电磁流量计_第2页
2/25
EMFMHFD3000电磁流量计_第3页
3/25
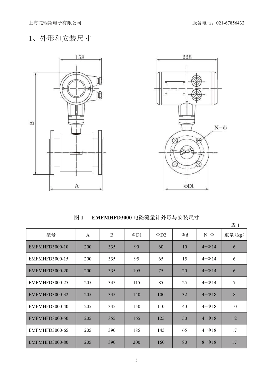
上海龙瑞斯电子有限公司服务电话:021-6785 64 3 21Model EMFMHFD3000 Electromagnetic Flow MeterEMFMHFD3000 型智能电磁流量计--上海龙瑞斯电子科技有限公司(原上海双龙仪表厂)SHANGHAI LONGRUISI ELECTRON TECHNOLOGY CO., LTD.上海龙瑞斯电子有限公司服务电话:021-6785 64 3 22目录1、外形和安装尺寸……………………………………………………………………………(1)2、功能特点与适用范围………………………………………………………………………(2)3、主要技术性能………………………………………………………………………………(3)4、工作原理与结构……………………………………………………………………………(4)5、型号规格表…………………………………………………………………………………(6)6、电气连接……………………………………………………………………………………(7)7、安装…………………………………………………………………………………………(9)8、运行前的准备工作…………………………………………………………………………(11)9、仪表参数设置………………………………………………………………………………(11)10、维护及常见故障处理……………………………………………………………………(16)11、开箱和产品成套性………………………………………………………………………(18)12、质量保证…………………………………………………………………………………(18)13、运输和贮存………………………………………………………………………………(19)14、订货须知…………………………………………………………………………………(19)附录一参数设置中英文对照表……………………………………………………………(19)附录二常见液体电导率表…………………………………………………………………(21)附录三常用电极材料的耐腐蚀性能………………………………………………………(21)附录四常用衬里材料的性能及适用范围…………………………………………………(22)注意:在安装、使用和维护前必须详细阅读本使用说明书上 海 龙 瑞 斯 电 子 有 限 公 司服 务 电 话 : 021-6785643231、 外 形 和 安 装 尺 寸图 1EM FM HFD30 0 0 电 磁 流 量 计 外 形 与 安 装 尺 寸表 1型 号ABΦ D1Φ D2Φ dN-Φ重 量 ( kg)E...

1、当您付费下载文档后,您只拥有了使用权限,并不意味着购买了版权,文档只能用于自身使用,不得用于其他商业用途(如 [转卖]进行直接盈利或[编辑后售卖]进行间接盈利)。
2、本站所有内容均由合作方或网友上传,本站不对文档的完整性、权威性及其观点立场正确性做任何保证或承诺!文档内容仅供研究参考,付费前请自行鉴别。
3、如文档内容存在违规,或者侵犯商业秘密、侵犯著作权等,请点击“违规举报”。

碎片内容

EMFMHFD3000电磁流量计

您可能关注的文档

小辰3+ 关注
实名认证
内容提供者

出售各种资料和文档

确认删除?
VIP
微信客服
  • 扫码咨询
会员Q群
  • 会员专属群点击这里加入QQ群
客服邮箱
回到顶部