电脑桌面
添加小米粒文库到电脑桌面
安装后可以在桌面快捷访问

建筑反射隔热涂料

建筑反射隔热涂料_第1页
1/7
建筑反射隔热涂料_第2页
2/7
建筑反射隔热涂料_第3页
3/7
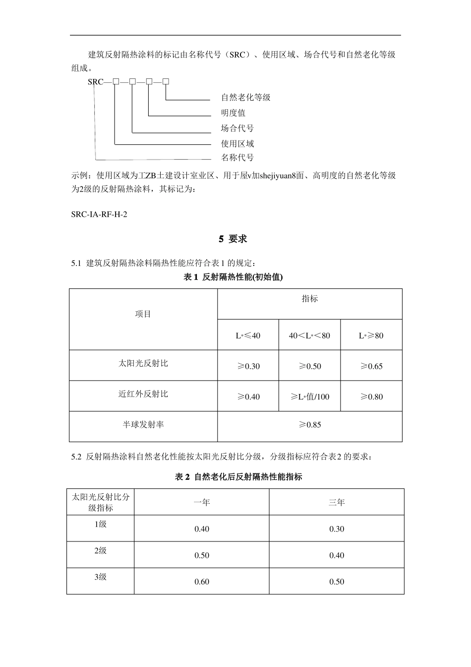
1 范围本标准规定了建筑反射隔热涂料的术语和定义、分类和标记、要求、试验方法、检验规则、标志、包装和贮存。本标准适用于工业与民用建筑屋面、外墙及其它构筑物的隔热工程的涂料。2 规范性引用文件下列文件对于本文件的应用是必不可少的。凡是注日期的引用文件,仅注日期的版本适用于本文件。凡是不注日期的引用文件,其最新版本(包括所有的修改单)适用于本文件。GB/T 3186 色漆、清漆和色漆与清漆用原材料 取样GB/T 9278 涂料试样状态调节和试验的温湿度GB/T 9750 涂料产品包装标志GB/T 9755 合成树脂乳液外墙涂料GB/T 9757 溶剂型外墙涂料GB/T 11186.2 涂膜颜色的测量方法 第2部分:颜色测量GB/T 13491 涂料产品包装通则GB/T 9779 复层建筑涂料JG/T 172 弹性建筑涂料JG/T 235 建筑反射隔热涂料JG/T 24 合成树脂乳液砂壁状建筑涂料JG/T 375金属屋面丙烯酸高弹防水涂料HG/T 3792 交联型氟树脂涂料HG/T 4104 建筑用水性氟涂料HG/T 4343 水性多彩建筑涂料JC/T 864 聚合物乳液建筑防水涂料CECS***建筑反射隔热装饰面自然老化试验方法——反射隔热性能3 术语和定义下列术语和定义适用于本文件3.1建筑反射隔热涂料 building solar control coating以合成树脂为基料,与功能性颜填料及助剂等配制而成,施涂于建筑物外表面,具有较高太阳光反射比、近红外反射比和半球发射率的涂料。3.2太阳光反射比 Solar reflectance在 300nm~2500nm 可见光和近红外波段反射与同波段入射的太阳辐射通量的比值。3.3半球发射率 hemispherical emissivity热辐射体在半球方向上的辐射出射度与处于相同的全辐射体(黑体)的辐射出射度的比值。3.4近红外反射比near infrared reflectance在 780nm~2500nm 近红外波段反射与同波段入射的太阳辐射通量的比值。3.5 明度lightness物体表面颜色明亮程度的视知觉特性值,以绝对白色和绝对黑色为基准给予分度,颜色的三属性之一。3.6自然老化 nature exposure样品长期曝露在室外条件,包括日光、温度、雨水和空气等综合作用后样品产生的各种变化。4 分类和标记4.1 分类4.1.1按使用区域分为:a) 工业区:代号为 IAb) 非工业区:代号为 NIA4.1.2按应用场合分为三种类型:a) RF 型:屋面反射隔热涂料b) WL 型:外墙反射隔热涂料c) EL 型:其它构筑物用反射隔热涂料4.1.3按涂层明度值分为:a) L 型:低明度反射隔热涂料(L ≤40)*b) M 型:中明度反射隔热涂料(40...

1、当您付费下载文档后,您只拥有了使用权限,并不意味着购买了版权,文档只能用于自身使用,不得用于其他商业用途(如 [转卖]进行直接盈利或[编辑后售卖]进行间接盈利)。
2、本站所有内容均由合作方或网友上传,本站不对文档的完整性、权威性及其观点立场正确性做任何保证或承诺!文档内容仅供研究参考,付费前请自行鉴别。
3、如文档内容存在违规,或者侵犯商业秘密、侵犯著作权等,请点击“违规举报”。

碎片内容

建筑反射隔热涂料

文库响当当+ 关注
实名认证
内容提供者

该用户很懒,什么也没介绍

确认删除?
VIP
微信客服
  • 扫码咨询
会员Q群
  • 会员专属群点击这里加入QQ群
客服邮箱
回到顶部