电脑桌面
添加小米粒文库到电脑桌面
安装后可以在桌面快捷访问

形位公差习题答案

形位公差习题答案_第1页
1/9
形位公差习题答案_第2页
2/9
形位公差习题答案_第3页
3/9
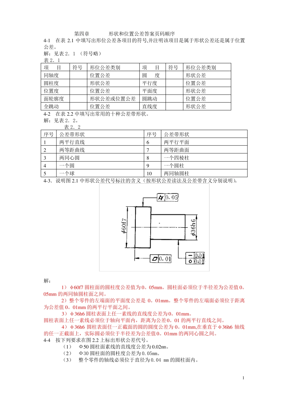
第四章形状和位置公差答案页码顺序4-1在表 2.1 中填写出形位公差各项目的符号,并注明该项目是属于形状公差还是属于位置公差。解:见表 2.1 (符号略)表 2.1项目符号形位公差类别项目符号形位公差类别同轴度圆柱度位置度面轮廓度位置公差形状公差位置公差形状公差或位置公差圆度平行度平面度圆跳动形状公差位置公差形状公差位置公差形状公差全跳动位置公差直线度4-2在表 2.2 中填写出常用的十种公差带形状。解:见表 2.2。表 2.2序号公差带形状序号1234两平行直线两等距曲线两同心圆一个圆6789公差带形状两平行平面两等距曲面一个四棱柱一个圆柱5一个球10两同轴圆柱4-3.说明图 2.1 中形状公差代号标注的含义(按形状公差读法及公差带含义分别说明)。解:1)φ60f7 圆柱面的圆柱度公差值为 0。05mm。圆柱面必须位于半径差为公差值 0。05mm 的两同轴圆柱面之间。2)整个零件的左端面的平面度公差是 0。01mm。整个零件的左端面必须位于距离为公差值 0。01mm 的两平行平面之间。3)φ36h6 圆柱表面上任一素线的直线度公差为 0。01mm。圆柱表面上任一素线必须位于轴向平面内,距离为公差0。01 的两平行直线之间。4)φ36h6 圆柱表面任一正截面的圆的圆度公差为 0。01mm,在垂直于φ36h6 轴线的任一正截面上,实际圆必须位于半径差为公差值0。01mm 的两同心圆之间。4-4按下列要求在图 2.2 上标出形状公差代号。(1)Φ50 圆柱面素线的直线度公差为 0.02mm。(2)Φ30 圆柱面的圆柱度公差为 0.05mm。(3)整个零件的轴线必须位于直径为 0.04 mm 的圆柱面内。1解:按要求在图 2.1 上标出形状公差代号图 2.14-5将下列技术要求用代号表注在图 2.5 上。(1)Φ20d7 圆柱面任一素线的直线度公差为 0.05mm。(或Φ20d7圆柱面任一素线必须位于轴向平面内距离为公差值0.05mm 的两平行直线之间。)(2)被测Φ40m7轴线相对于Φ20d7 轴线的同轴度公差为Φ0.01mm。(或Φ40m7 轴线必须位于直径为公差值0.01mm,且与Φ20d7轴线同轴的圆柱面内。)(3)被测度10H6槽的两平行平面中任一平面对另一平面的平行度公差为0.015mm(或宽10H6槽两平行平面中任一平面必须位于距离为公差值0.015mm,且平行另一平面的两平行平面之间)。(4)10H6槽的中心平面对Φ40m7轴线的对称度公差为0.01mm。(或10H6槽的中心平面必须位于距离位于距离为公差值 0.01mm,且直对通过Φ40m7 轴线...

1、当您付费下载文档后,您只拥有了使用权限,并不意味着购买了版权,文档只能用于自身使用,不得用于其他商业用途(如 [转卖]进行直接盈利或[编辑后售卖]进行间接盈利)。
2、本站所有内容均由合作方或网友上传,本站不对文档的完整性、权威性及其观点立场正确性做任何保证或承诺!文档内容仅供研究参考,付费前请自行鉴别。
3、如文档内容存在违规,或者侵犯商业秘密、侵犯著作权等,请点击“违规举报”。

碎片内容

形位公差习题答案

您可能关注的文档

确认删除?
VIP
微信客服
  • 扫码咨询
会员Q群
  • 会员专属群点击这里加入QQ群
客服邮箱
回到顶部