电脑桌面
添加小米粒文库到电脑桌面
安装后可以在桌面快捷访问

彩钢棚棚架钢结构计算书

彩钢棚棚架钢结构计算书_第1页
1/6
彩钢棚棚架钢结构计算书_第2页
2/6
彩钢棚棚架钢结构计算书_第3页
3/6
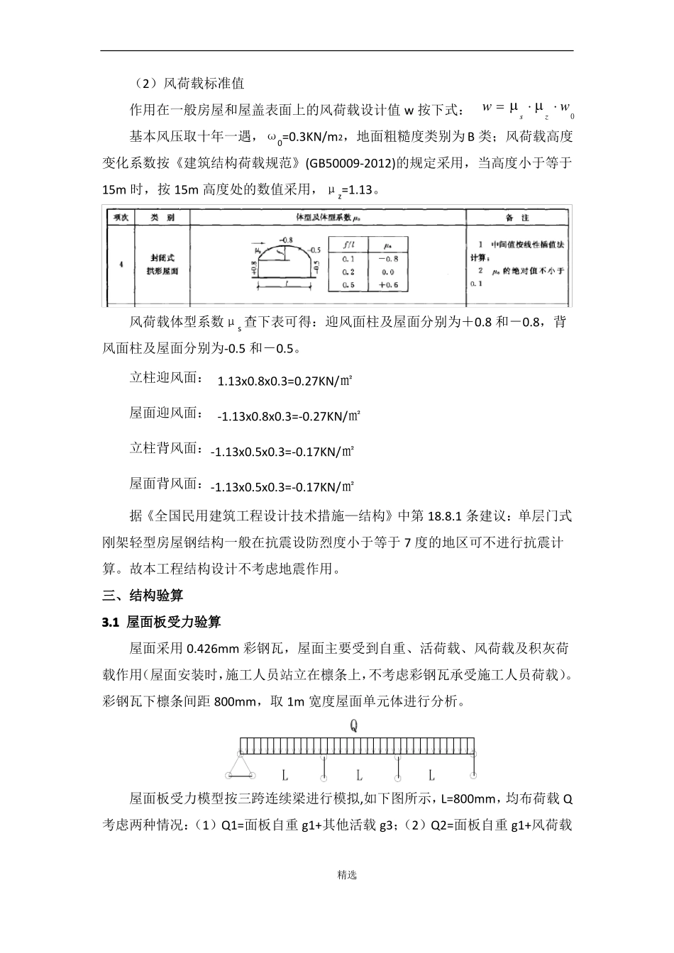
一、设计概况1.1 工程概况本厂房为钢筋加工厂,该厂房为单层,其中单跨为双坡弧度门式刚架,刚架跨度 26m,长70m,檐高11m;柱距有 5m 及 6m 两种,梁拱高为 1.7m,上下弧度梁间距 0.816m(具体结构见加工图纸)。屋面采用 0.426mm 彩钢瓦,檩条采用C120mm 型钢,间距为 0.8m,钢材采用 Q235 钢,焊条采用 J422 型。1.2 设计依据《钢结构设计规范》GB50017—2003《建筑结构荷载规范》GB50009—2012《建筑桩基技术规范》JGJ94—2008《门式刚架轻型房屋钢结构技术规程》CECS102:2002二、荷载计算2.1 荷载取值荷载组合作用于屋架上的荷载有:(1)屋架(包括支撑)自重;(2)屋面恒荷载(檩条、彩钢瓦屋面等的重量);(3)活荷载;(4)风荷载。以上荷载通常可看作是均布于屋面倾斜面积或水平投影面积上的荷载,以kN/m2 计,其值可由《建筑结构荷载规范》GB50009-2001 查得,或按按材料的厚度、规格计算得出。根据屋架结构不同工况实际情况对不同荷载组合进行结构验算,计算杆件内力时应按设计荷载,即荷载标准值乘以相应分项系数:(1)屋架施工阶段,恒载+活载;(2)屋架使用阶段,恒载+部分活载+地震荷载。2.2 计算荷载说明2.2.1 屋面恒荷载说明应按屋面实际做法和屋面板、檩条规格等与《建筑结构荷载规范》或由材料规格、厚度算得。通常表达为按屋面倾斜面积计算的均布荷载 kN/m2。屋架自重:屋架自重(包括支撑)在计算模型中考虑。2.2.2 屋面活荷载说明(1)计算彩钢瓦时按不上人屋面考虑,取为 0.50 KN/m2,计算整体结构中,按《门式刚架轻型房屋钢结构技术规程》(CECS102:2002),取为 0.30 KN/m2精选(2)风荷载标准值作用在一般房屋和屋盖表面上的风荷载设计值 w 按下式: w  s  z  w0基本风压取十年一遇,ω0=0.3KN/m2,地面粗糙度类别为 B 类;风荷载高度变化系数按《建筑结构荷载规范》(GB50009-2012)的规定采用,当高度小于等于15m 时,按 15m 高度处的数值采用,μz=1.13。风荷载体型系数μs 查下表可得:迎风面柱及屋面分别为+0.8 和-0.8,背风面柱及屋面分别为-0.5 和-0.5。立柱迎风面: 1.13x0.8x0.3=0.27KN/㎡屋面迎风面: -1.13x0.8x0.3=-0.27KN/㎡立柱背风面:-1.13x0.5x0.3=-0.17KN/㎡屋面背风面:-1.13x0.5x0.3=-0.17KN/㎡据《全国民用建筑工程设计技术措施—结构》中第 18.8.1 条建议:单层门式刚架轻型房屋钢结构一般在抗震设防烈度小于等于 7 度的地区...

1、当您付费下载文档后,您只拥有了使用权限,并不意味着购买了版权,文档只能用于自身使用,不得用于其他商业用途(如 [转卖]进行直接盈利或[编辑后售卖]进行间接盈利)。
2、本站所有内容均由合作方或网友上传,本站不对文档的完整性、权威性及其观点立场正确性做任何保证或承诺!文档内容仅供研究参考,付费前请自行鉴别。
3、如文档内容存在违规,或者侵犯商业秘密、侵犯著作权等,请点击“违规举报”。

碎片内容

彩钢棚棚架钢结构计算书

文库响当当+ 关注
实名认证
内容提供者

该用户很懒,什么也没介绍

确认删除?
VIP
微信客服
  • 扫码咨询
会员Q群
  • 会员专属群点击这里加入QQ群
客服邮箱
回到顶部