电脑桌面
添加小米粒文库到电脑桌面
安装后可以在桌面快捷访问

FPG型平行光管使用说明书(正式)

FPG型平行光管使用说明书(正式)_第1页
1/9
FPG型平行光管使用说明书(正式)_第2页
2/9
FPG型平行光管使用说明书(正式)_第3页
3/9
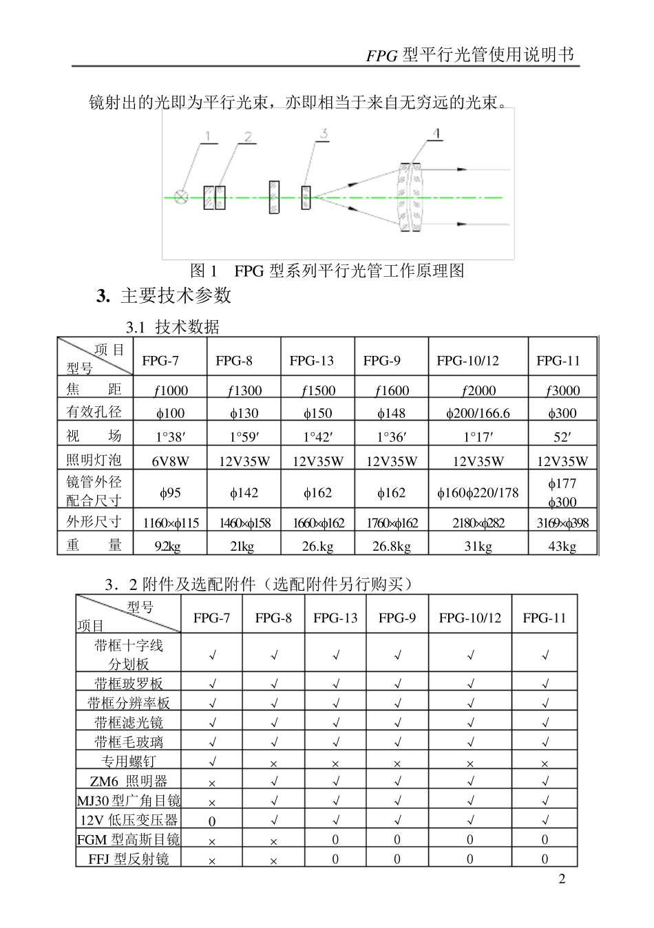
FPG 型平行光管使用说明书 1 1 . 概述 1.1 名称:FPG 型系列平行光管,它包括: FPG-7 型平行光管 FPG-8 型平行光管 FPG-9 型平行光管 FPG-10 型平行光管 FPG-11 型平行光管 FPG-12 型平行光管 FPG-13 型平行光管 1.2 用途 FPG 型系列平行光管是用以获得较大口径平行光束的仪器,其用途甚为广泛。选用不同的分划板,配备一定的附件及观测用显微镜,前置镜,可作以下几个方面的用途: a.作为光学仪器装校调整用的基本工具: b.选用玻罗板,配备测微目镜,可进行透镜及各种物 镜的截距、焦距的测量; c.选用合适的分辨率板,配备观察用显微镜、前置镜可作透镜、棱镜、平面镜及各类物镜的分辨率测定,并可根据分辨率图案像判断其成像质量; d.选用合适的星点板,配备观察用显微镜、前置镜可作透镜、棱镜、平面镜及各类物镜的像质评定; e. 配上专用的反射镜和测微目镜并可作导轨、大平面等不直度的测量; f.作为远距离目标的瞄准工具; 此外,FPG 型系列平行光管还是光学材料均匀性检查及各类光具座的基本测试基准部件。因此,它是光学仪器的生产、科研、教学等单位常用的基本光学测试工具之一。 2. 工作原理 如图 1 所示,作为目标的分划板被光源 1 通过各色滤光片 2 均匀地照明,如果分划板3 正确地位于物镜4 的焦平面上。那么从物FPG 型平行光管使用说明书 2 镜射出的光即为平行光束,亦即相当于来自无穷远的光束。 图1 FPG 型系列平行光管工作原理图 3 . 主要技术参数 3.1 技术数据 项目 型号 FPG-7 FPG-8 FPG-13 FPG-9 FPG-10/12 FPG-11 焦 距 1000 1300 1500 1600 2000 3000 有效孔径 100 130 150 148 200/166.6 300 视 场 1°38 1°59 1°42 1°36 1°17 52 照明灯泡 6V8W 12V35W 12V35W 12V35W 12V35W 12V35W 镜管外径 配合尺寸 95 142 162 162 160220/178 177 300 外形尺寸 1160 115 1460 158 1660 162 1760 162 2180 282 3169 398 重 量 9.2kg 21kg 26.kg 26.8kg 31kg 43kg 3.2 附件及选配附件(选配附件另行购买) 型号 项目 FPG-7 FPG-8 FPG-13 FPG-9 FPG-10/12 FPG-11 带框十字线 分划板 √ √ √ √ √ √ 带框玻罗板 √ √ √ √ √ √ 带框分辨率板 √ √ √ √ √ √ 带框滤光镜...

1、当您付费下载文档后,您只拥有了使用权限,并不意味着购买了版权,文档只能用于自身使用,不得用于其他商业用途(如 [转卖]进行直接盈利或[编辑后售卖]进行间接盈利)。
2、本站所有内容均由合作方或网友上传,本站不对文档的完整性、权威性及其观点立场正确性做任何保证或承诺!文档内容仅供研究参考,付费前请自行鉴别。
3、如文档内容存在违规,或者侵犯商业秘密、侵犯著作权等,请点击“违规举报”。

碎片内容

FPG型平行光管使用说明书(正式)

您可能关注的文档

确认删除?
VIP
微信客服
  • 扫码咨询
会员Q群
  • 会员专属群点击这里加入QQ群
客服邮箱
回到顶部