电脑桌面
添加小米粒文库到电脑桌面
安装后可以在桌面快捷访问

FreescaleCAN模块用户手册VIP专享

FreescaleCAN模块用户手册_第1页
1/25
FreescaleCAN模块用户手册_第2页
2/25
FreescaleCAN模块用户手册_第3页
3/25
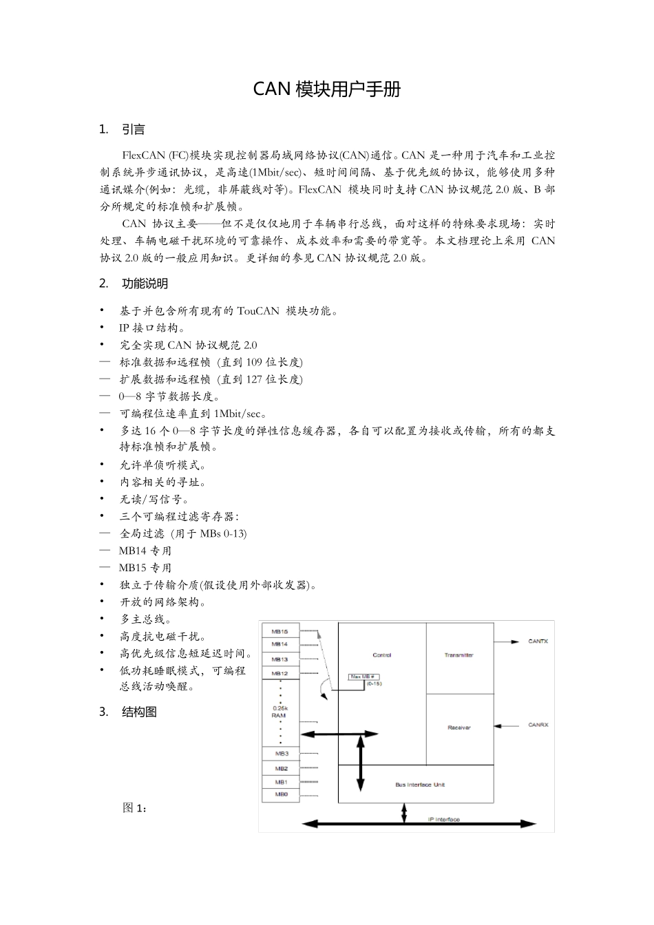
CAN 模 块 用 户 手 册 1. 引言 FlexCAN (FC)模 块 实 现 控 制 器 局 域 网 络 协 议 (CAN)通 信 。 CAN 是 一 种 用 于 汽 车 和 工 业 控制 系 统 异 步 通 讯 协 议 , 是 高 速 (1Mbit/sec)、 短 时 间 间 隔 、 基 于 优 先 级 的 协 议 , 能 够 使 用 多 种通 讯 媒 介 (例 如 : 光 缆 , 非 屏 蔽 线 对 等 )。 FlexCAN 模 块 同 时 支 持 CAN 协 议 规 范 2.0 版 、 B 部分 所 规 定 的 标 准 帧 和 扩 展 帧 。 CAN 协 议 主 要 — — 但 不 是 仅 仅 地 用 于 车 辆 串 行 总 线 , 面 对 这 样 的 特 殊 要 求 现 场 : 实 时处 理 、 车 辆 电 磁 干 扰 环 境 的 可 靠 操 作 、 成 本 效 率 和 需 要 的 带 宽 等 。 本 文 档 理 论 上 采 用CAN协 议2.0 版 的 一 般 应 用 知 识 。 更 详 细 的 参 见 CAN 协 议 规 范 2.0 版 。 2. 功能说明 • 基 于 并 包含所 有现 有的 TouCAN 模 块 功能 。 • IP 接口结构。 • 完全实 现 CAN 协 议 规 范 2.0 — 标 准 数据和 远程帧 (直到 109 位长度) — 扩 展 数据和 远程帧 (直到 127 位长度) — 0— 8 字节数据长度。 — 可 编程位速 率 直到 1Mbit/sec。 • 多 达 16 个 0— 8 字节长度的 弹性信 息缓存器 , 各自可 以配 置 为 接收 或 传 输 , 所 有的 都 支持 标 准 帧 和 扩 展 帧 。 • 允 许 单 侦 听 模 式 。 • 内 容 相 关 的 寻 址 。 • 无 读 /写 信 号 。 • 三 个可 编程过 滤 寄 存器 : — 全局 过 滤 (用 于 MBs 0-13) — MB14 专 用 — MB15 专 用 • 独 立 于 传 输 介 质 (假 设 使 用 外 部 收 发 器 )。 • 开 放 的 网 络 架 构。 • 多 主 总 线 。 • 高 度抗 电 磁 干 扰 。 • 高 优 先 级 信 息短 延 迟 时 间 。 • 低 功耗 睡 眠 模 式 , 可 编程 总 线 活 动 唤 醒 。 3. 结构图 图 1 : 4. 典 型 的 CAN 系 统 图 图2 每 个 CAN 站 点 物 理 上 通 过 一 个 收 发 器 ...

1、当您付费下载文档后,您只拥有了使用权限,并不意味着购买了版权,文档只能用于自身使用,不得用于其他商业用途(如 [转卖]进行直接盈利或[编辑后售卖]进行间接盈利)。
2、本站所有内容均由合作方或网友上传,本站不对文档的完整性、权威性及其观点立场正确性做任何保证或承诺!文档内容仅供研究参考,付费前请自行鉴别。
3、如文档内容存在违规,或者侵犯商业秘密、侵犯著作权等,请点击“违规举报”。

碎片内容

FreescaleCAN模块用户手册

确认删除?
VIP
微信客服
  • 扫码咨询
会员Q群
  • 会员专属群点击这里加入QQ群
客服邮箱
回到顶部