电脑桌面
添加小米粒文库到电脑桌面
安装后可以在桌面快捷访问

GB129552008防火门

GB129552008防火门_第1页
1/6
GB129552008防火门_第2页
2/6
GB129552008防火门_第3页
3/6
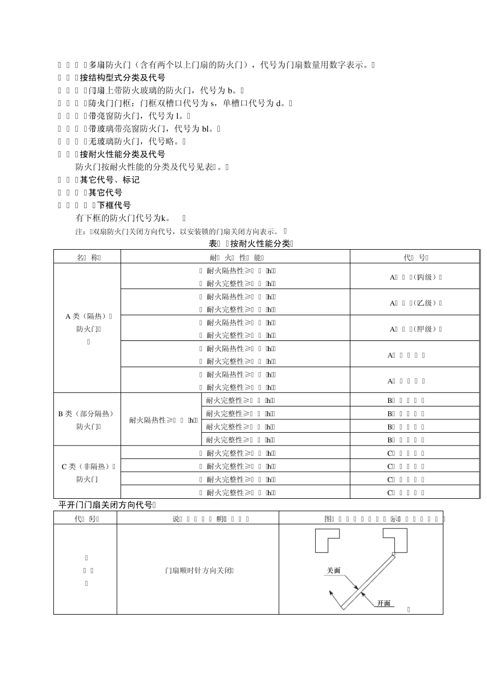
1 防火门 平开式防火门 fire resistant side hung doorsets 由门框、门扇和防火铰链、防火锁等防火五金配件构成的,以铰链为轴垂直于地面,该轴可以沿顺时针或逆时针单一方向旋转以开启或关闭门扇的防火门。 1.1 木质防火门 fire resistant timber doorsets 用难燃木材或难燃木材制品作门框、门扇骨架、门扇面板,门扇内若填充材料,则填充对人体无毒无害的防火隔热材料,并配以防火五金配件所组成的具有一定耐火性能的门。 1.2 钢质防火门 fire resistant steel doorsets 用钢质材料制作门框、门扇骨架和门扇面板,门扇内若填充材料,则填充对人体无毒无害的防火隔热材料,并配以防火五金配件所组成的具有一定耐火性能的门。 1.3 钢木质防火门 fire resistant timber doorsets with steel structure 用钢质和难燃木质材料或难燃木材制品制作门框、门扇骨架、门扇面板,门扇内若填充材料,则填充对人体无毒无害的防火隔热材料,并配以防火五金配件所组成的具有一定耐火性能的门。 1.4 其他材质防火门 other material fire resistant doorsets 采用除钢质、难燃木材或难燃木材制品之外的无机不燃材料或部分采用钢质、难燃木材、难燃木材制品制作门框、门扇骨架、门扇面板,门扇内若填充材料,则填充对人体无毒无害的防火隔热材料,并配以防火五金配件所组成的具有一定耐火性能的门。 1.5 A类(隔热)防火门 fully insulated doorsets 在规定时间内,能同时满足耐火完整性和隔热性要求的防火门。 1.6 B类(部分隔热)防火门 partially insulated doorsets 在规定大于等于0.50 h内,满足耐火完整性和隔热性要求,在大于0.50 h后所规定的时间内,能满足耐火完整性要求的防火门。 1.7 C类(非隔热)防火门 no insulated doorsets 在规定时间内,能满足耐火完整性要求的防火门。 2 分类、代号 2.1 按材质分类及代号 2.1.1 木质防火门,代号:MFM; 2.1.2 钢质防火门,代号:GFM; 2.1.3 钢木质防火门,代号:GMFM; 2.1.4 其他材质防火门,代号:**FM。(**代表其他材质的具体表述大写拼音字母) 2.2 按门扇数量分类及代号 2.2.1 单扇防火门,代号为 1。 2.2.2 双扇防火门,代号为 2。 2.2.3 多扇防火门(含有两个以上门扇的防火门),代号为门扇数量用数字表示。 2.3 按结构型式分类及代号 2.3.1 门扇上带防火玻璃的防火门,代号为b。 2.3.2 防火门门...

1、当您付费下载文档后,您只拥有了使用权限,并不意味着购买了版权,文档只能用于自身使用,不得用于其他商业用途(如 [转卖]进行直接盈利或[编辑后售卖]进行间接盈利)。
2、本站所有内容均由合作方或网友上传,本站不对文档的完整性、权威性及其观点立场正确性做任何保证或承诺!文档内容仅供研究参考,付费前请自行鉴别。
3、如文档内容存在违规,或者侵犯商业秘密、侵犯著作权等,请点击“违规举报”。

碎片内容

GB129552008防火门

确认删除?
VIP
微信客服
  • 扫码咨询
会员Q群
  • 会员专属群点击这里加入QQ群
客服邮箱
回到顶部