电脑桌面
添加小米粒文库到电脑桌面
安装后可以在桌面快捷访问

GB936188《计算站场地安全要求》VIP专享

GB936188《计算站场地安全要求》_第1页
1/6
GB936188《计算站场地安全要求》_第2页
2/6
GB936188《计算站场地安全要求》_第3页
3/6
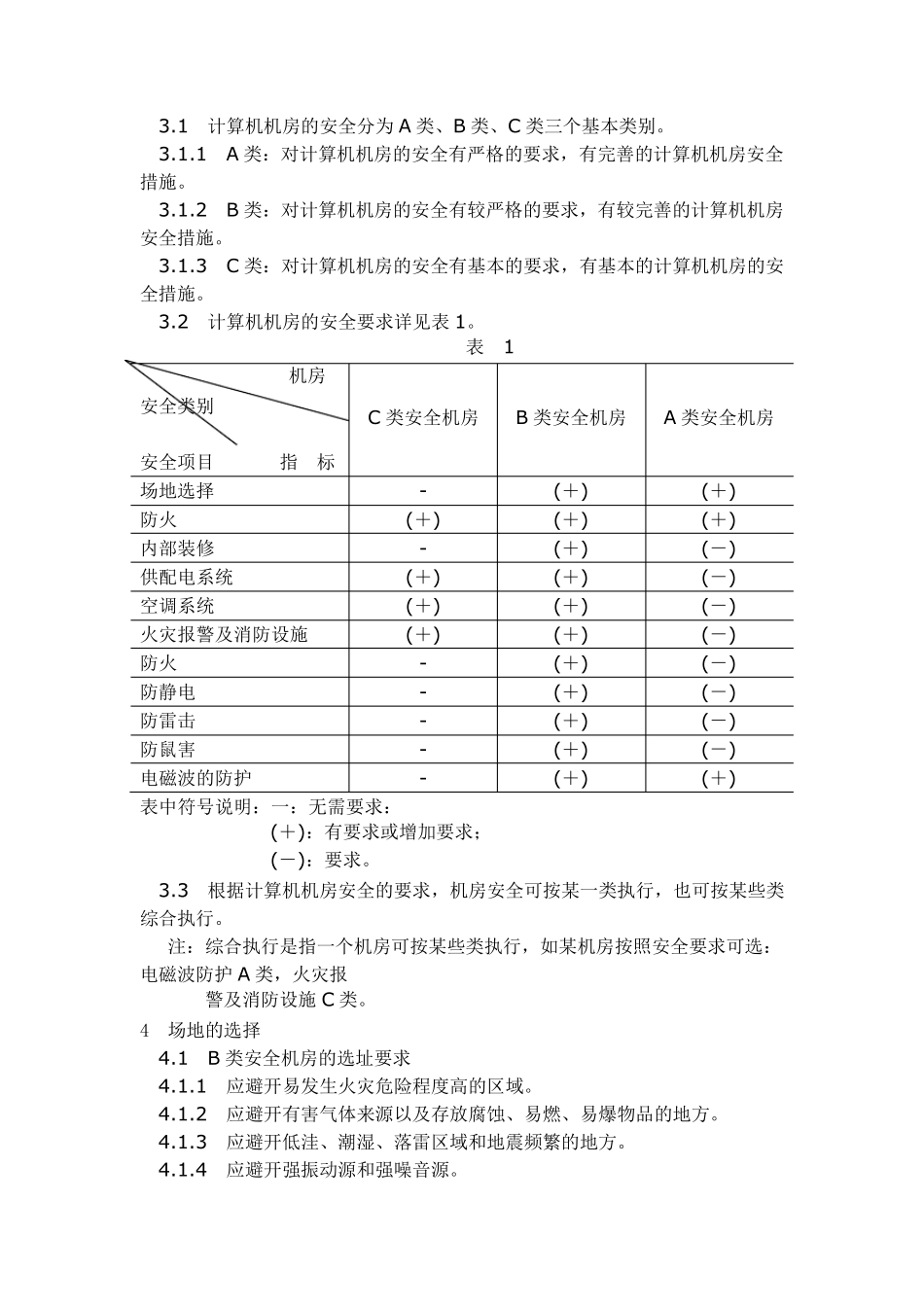
计算站场地安全要求 GB 9361-88 Safety requirements for computation center field 中华人民共和国电子工业部 1988-04-26 批准 1988-10-01 实施 1 适用范围 1.1 本标准规定了计算站场地的安全要求。 1.2 本标准适用于各类地面计算站。 1.3 不建站的地面计算机机房,按本标准对计算机机房的有关要求执行。 1.4 改建的计算机机房参照本标准执行。 1.5 非地面计算机机房参照本标准执行。 2 术语 2.1 计算站场地 计算机系统的安置地点,计算机供电、空调以及该系统维修和工作人员的工作场所。 2.2 计算机机房 是计算站场地最主要的房间,放置计算机系统主要设备的地点。 2.3 非燃烧材料 是指材料在受燃烧或高温作用时,不起火,不微燃、不碳化、只软化的材料。 2.4 难燃烧材料 是指材料受到燃烧或高温作用时,难起火、难微燃、难碳化的材料。 2.5 活动地板 是指计算机机房内安装的、可灵活装拆的地板。 2.6 干式变压器 是指用特殊漆灌封供干的自然冷却的变压器。 2.7 温感探测器 指在物质燃烧时,使周围空气温度升高致使发生报警信号的装置。 2.8 烟感探测器 指物质因燃烧或发热而分解生成的烟雾致使发出报警信号的装置。 2.9 应急断电装置 计算机机房发生意外事件时,能立刻切断计算机系统供电电源的装置。 2.10 接地 指计算机系统的直流地、交流工作地、安全保护地和防雷保护地与大地之间的连 接。 2.11 二 次 破 坏 由 于为 了消 灭 火灾 而采 取 的灭 火方 法 不当 ,造 成对设备、信息 等 的再 次 破 环 。 2.12 安全区 采 取 安全措 施 能达 到的有效 区 域 。 3 计算机机房的安全分类 3.1 计算机机房的安全分为A 类、B 类、C 类三个基本类别。 3.1.1 A 类:对计算机机房的安全有严格的要求,有完善的计算机机房安全措施。 3.1.2 B 类:对计算机机房的安全有较严格的要求,有较完善的计算机机房安全措施。 3.1.3 C 类:对计算机机房的安全有基本的要求,有基本的计算机机房的安全措施。 3.2 计算机机房的安全要求详见表 1。 表 1 机房安全类别 安全项目 指 标 C 类安全机房 B 类安全机房 A 类安全机房 场地选择 - (+) (+) 防火 (+) (+) (+) 内部装修 - (+) (-) 供配电系统 (+) (+) (-) 空调系统 (+) (+) (-) 火灾报警及消防设施 (+) (+) (-) 防火 - (+) (-) 防...

1、当您付费下载文档后,您只拥有了使用权限,并不意味着购买了版权,文档只能用于自身使用,不得用于其他商业用途(如 [转卖]进行直接盈利或[编辑后售卖]进行间接盈利)。
2、本站所有内容均由合作方或网友上传,本站不对文档的完整性、权威性及其观点立场正确性做任何保证或承诺!文档内容仅供研究参考,付费前请自行鉴别。
3、如文档内容存在违规,或者侵犯商业秘密、侵犯著作权等,请点击“违规举报”。

碎片内容

GB936188《计算站场地安全要求》

确认删除?
VIP
微信客服
  • 扫码咨询
会员Q群
  • 会员专属群点击这里加入QQ群
客服邮箱
回到顶部