电脑桌面
添加小米粒文库到电脑桌面
安装后可以在桌面快捷访问

HP1003磨煤机说明书

HP1003磨煤机说明书_第1页
1/58
HP1003磨煤机说明书_第2页
2/58
HP1003磨煤机说明书_第3页
3/58
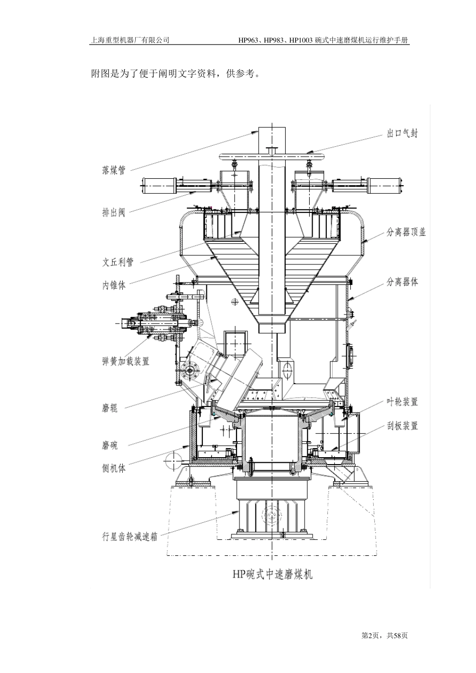
上海重型机器厂有限公司 HP963、HP983、HP1003 碗式中速磨煤机运行维护手册 第1页,共58页 第一章 磨煤机的安装 第一节 简述 上海重型机器厂有限公司在二十世纪八十年代初期从美国CE 公司(现为ALSTOM Power Inc.公司)引进了碗式磨煤机制造技术。 CE 生产的磨煤机遍布全世界,用于电厂煤粉的制备和干燥,由于磨煤机内研磨表面形似深碟或碗,故称之为碗式磨煤机。 HP 碗式磨煤机是继 RP 碗式磨煤机后新开发的产品,CE 公司八十年代开发试验并投入使用。上海重型机器厂有限公司在引进美国 CE 公司技术的基础上,根据中国国情对 HP 磨煤机做了大量的技术改进和二次创新,扩大了 HP磨煤机的适用范围,使其更适合碾磨国内煤质的需要,性能更加可靠,检修更加方便,使用寿命进一步延长。 HP 磨煤机组成部件如下: 1. 电动机驱动减速箱,减速箱直接与磨碗联接,减速箱由行星齿轮组成,具有适当的减速比,使磨碗达到 要求 的转 速。 2. 侧 机体 内装有衬 板 ,在磨碗四 周 形成进风 口 ,并起 支 承 分 离 器体 作 用,用于干燥输 送 煤粉的热 空 气 通 过 进风 口 引入并沿 磨碗周 围向 上。 3. 被 减速箱带 动的磨碗,原 煤在磨碗上方被 挤 压 、研磨成粉。 4. 叶 轮装置 安装在磨碗外 圆 上,它 能使通 过 磨碗外 经 与分 离 器体 之间 环 隙的热 空 气 均 匀 分 布,从而 控 制磨煤机碾磨区 域 的风 粉混 合物 。 5. 三 只 单 独 的弹 簧 加载 的磨辊 装置 悬 挂 在分 离 器体 内,位 于磨碗的上方,当原 煤充 满 磨辊 与磨碗之间 隙 时 ,磨辊 能自 由转 动。 6. 分 离 器体 、导 向 衬 板 、装有折 向 门 装置 和内锥 体 的分 离 器顶 盖 和分 离 器。这 些 部件分 离 煤粉,并引导 风 粉向 上,流 经 折 向 门 装置 将 较 粗 的煤粉从气 流 中分 离 出 来 ,并回 落 到 磨碗进一步碾磨。 7. 出 口 文 丘 利 和多 出 口 装置 ,这 些 部件把 煤粉和气 流 分 成均 匀 的四 (五 或六 )股 。 8. 磨煤机排 出 阀 装置 装在多 孔 出 口 装置 的顶 部,排 出 阀 装置 由四(五 或六 )个 气 动闸 阀 组成,在磨煤机停 用时 把 磨煤机和运行锅 炉 隔 离 开来 ,检修时 也 用它 来 隔 离 磨煤机。上海重型机器...

1、当您付费下载文档后,您只拥有了使用权限,并不意味着购买了版权,文档只能用于自身使用,不得用于其他商业用途(如 [转卖]进行直接盈利或[编辑后售卖]进行间接盈利)。
2、本站所有内容均由合作方或网友上传,本站不对文档的完整性、权威性及其观点立场正确性做任何保证或承诺!文档内容仅供研究参考,付费前请自行鉴别。
3、如文档内容存在违规,或者侵犯商业秘密、侵犯著作权等,请点击“违规举报”。

碎片内容

HP1003磨煤机说明书

您可能关注的文档

确认删除?
VIP
微信客服
  • 扫码咨询
会员Q群
  • 会员专属群点击这里加入QQ群
客服邮箱
回到顶部