电脑桌面
添加小米粒文库到电脑桌面
安装后可以在桌面快捷访问

hx711中文资料

hx711中文资料_第1页
1/9
hx711中文资料_第2页
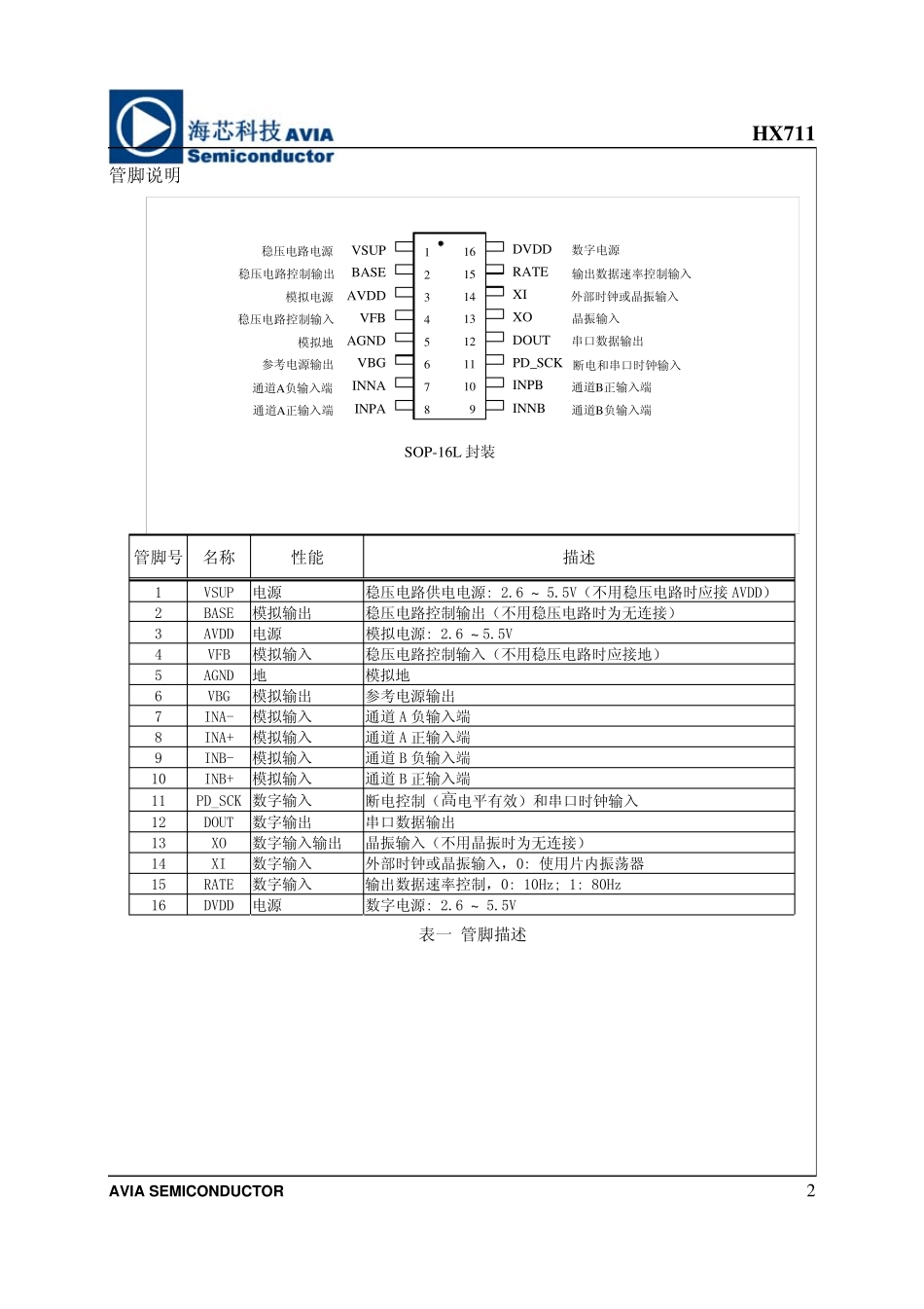
2/9
hx711中文资料_第3页
3/9
HX711 TEL: (592) 252-9530 (P. R. China) AVIA SEMICONDUCTOR EMAIL: hcw 2680@163.com 电 子 秤 专 用 模 拟 /数 字 ( A/D) 转 换 器 芯 片简 介 HX711 采 用 了 海 芯 科 技 集 成 电 路 专 利 技 术 ,是 一 款 专 为 高 精 度 电 子 秤 而 设 计 的 24 位 A/D 转换 器 芯 片 。 与 同 类 型 其 它 芯 片 相 比 , 该 芯 片 集成 了 包 括 稳 压 电 源 、 片 内 时 钟 振 荡 器 等 其 它 同类 型 芯 片 所 需 要 的 外 围 电 路 , 具 有 集 成 度 高 、响 应 速 度 快 、 抗 干 扰 性 强 等 优 点 。 降 低 了 电 子秤 的 整 机 成 本 , 提 高 了 整 机 的 性 能 和 可 靠 性 。 该 芯 片 与 后 端MCU 芯 片 的 接 口 和 编 程 非 常简 单 , 所 有 控 制 信 号 由 管 脚 驱 动 , 无 需 对 芯 片内 部 的 寄 存 器 编 程 。 输 入 选 择 开 关 可 任 意 选 取通 道A 或 通 道B, 与 其 内 部 的 低 噪 声 可 编 程 放大器 相 连。 通 道A 的 可 编 程 增益为128 或64,对 应 的 满额度 差分输 入 信 号 幅值分别为 ±20mV或 ±40mV。 通 道 B 则为 固定的 64 增益, 用 于系统参数 检测。 芯 片 内 提 供的 稳 压 电 源 可 以直接向外 部 传感器 和 芯 片 内 的A/D 转 换 器 提 供电源 , 系统板上无 需 另外 的 模 拟 电 源 。 芯 片 内 的时 钟 振 荡 器 不需 要 任 何外 接 器 件。 上电 自动 复位 功能 简 化了 开 机 的 初始化过程 。 特点 • 两 路 可 选 择 差分输 入 • 片 内 低 噪 声 可 编 程 放大器 , 可 选 增益为 64 和128 • 片 内 稳 压 电 路 可 直接 向外 部 传感器 和 芯 片 内A/D 转 换 器 提 供电 源 • 片 内 时 钟 振 荡 器 无 需 任 何外 接 器 件, 必 要 时也 可 使 用 外 接 晶 振 或 时 钟 • 上电 自动 复位 电 路 • 简 单 的 数 字 控 制 和 串 口 通 讯 : 所 有 控 制 由 管脚 输 入 , 芯 片 内 寄 存 器 无 需 编 程 • 可 选 择 1...

1、当您付费下载文档后,您只拥有了使用权限,并不意味着购买了版权,文档只能用于自身使用,不得用于其他商业用途(如 [转卖]进行直接盈利或[编辑后售卖]进行间接盈利)。
2、本站所有内容均由合作方或网友上传,本站不对文档的完整性、权威性及其观点立场正确性做任何保证或承诺!文档内容仅供研究参考,付费前请自行鉴别。
3、如文档内容存在违规,或者侵犯商业秘密、侵犯著作权等,请点击“违规举报”。

碎片内容

hx711中文资料

您可能关注的文档

确认删除?
VIP
微信客服
  • 扫码咨询
会员Q群
  • 会员专属群点击这里加入QQ群
客服邮箱
回到顶部