电脑桌面
添加小米粒文库到电脑桌面
安装后可以在桌面快捷访问

ICP刻蚀原理:气体、功率的选择ICP操作流程

ICP刻蚀原理:气体、功率的选择ICP操作流程_第1页
1/21
ICP刻蚀原理:气体、功率的选择ICP操作流程_第2页
2/21
ICP刻蚀原理:气体、功率的选择ICP操作流程_第3页
3/21
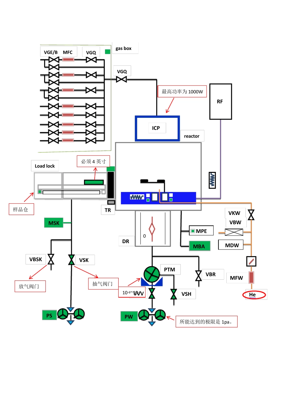
0 VGE/B MFC VGQ gas box VGQ ICP reactor RF Load lock MSK VBSK VSK PS TR DR MBAMPE VKW VBW MDW MFW VBR PTM VVV VSH PW He 必须4 英寸 放气阀门 抽气阀门 样品仓 最高功率为1000W 所能达到的极限是1pa。 10-6~10-7一、电感耦合等离子体(ICP )刻蚀原理 3 二、刻蚀的基本要求 9 (负载效应、图形的保真度、均匀性、表面形貌、刻蚀的清洁) 三、等离子体刻蚀的基本过程 11 (物理溅射刻蚀、纯化学刻蚀、离子增强刻蚀、侧壁抑制刻蚀) 四、影响刻蚀效果的因素 14 掩膜的影响、工艺参数的影响(ICP Power源功率、RF Power偏压功率、工作气压 气体成分和流量、温度) 五、附加气体的影响 16 六、多种条件刻蚀技术 18 高速率刻蚀、高选择比刻蚀、特定剖面刻蚀 一、电感耦合等离子体(ICP )刻蚀原理 包括两套通过自动匹配网络控制的 13.56MHz 射频电源 一套连接缠绕在腔室外的螺线圈,使线圈产生感应耦合的电场,在电场作用下,刻蚀气体辉光放电产生高密度等离子体。功率的大小直接影响等离子体的电离率,从而影响等离子体的密度。 第二套射频电源连接在腔室内下方的电极上,此电极为直径 205mm 的圆形平台,机械手送来的石英盘和样品放在此台上进行刻蚀。 实验中刻蚀三五族材料使用的是英国 Oxford 仪器(Oxford instruments plasma technology)公司的 plasma180 系统中的 plasmalab system100 型 ICP。可以刻蚀 GaN、AlGaN、GaAs、InP、InGaAs、InGaP/AlGaInP 、InGaAs/InGaAsP 等多种化合物材料。 ICP 功率源 平板功率源 激光干涉仪端口 静电屏蔽 水冷却的射频线圈 晶片夹/氦气冷却机制 苏州纳米所材料 ICP 功率:0-3000w RF 功率:0-1000w 压力范围:1-100mT 加工范围:6 寸 工艺气体: Cl2,BCl3,HBr,CH4,He,O2,H2,N2 氦气冷却 由氦气良好的热传导性,能将芯片上的温度均匀化 RIE ICP 离子密度低(~109~1010/cm3) 离子密度高(﹥1011/cm3)(刻蚀速率高) 离子密度与离子能量不能分别控制(离子密度大,离子能量也大) 离子密度由ICP 功率控制,离子能量由RF 空滤控制 离子能量低,刻蚀速率低 在低离子能量下可控离子流量达到高刻蚀速率(形貌控制) 低压下刻蚀速率低 低压下由于高离子流量从而维持高刻蚀速率 DC Bias 高损伤大 低 DCBias 损伤小 1torr=1.333mbar GaN 刻蚀 Profile ICP 操作流程 装片 1.在 ...

1、当您付费下载文档后,您只拥有了使用权限,并不意味着购买了版权,文档只能用于自身使用,不得用于其他商业用途(如 [转卖]进行直接盈利或[编辑后售卖]进行间接盈利)。
2、本站所有内容均由合作方或网友上传,本站不对文档的完整性、权威性及其观点立场正确性做任何保证或承诺!文档内容仅供研究参考,付费前请自行鉴别。
3、如文档内容存在违规,或者侵犯商业秘密、侵犯著作权等,请点击“违规举报”。

碎片内容

ICP刻蚀原理:气体、功率的选择ICP操作流程

小辰5+ 关注
实名认证
内容提供者

出售各种资料和文档

确认删除?
VIP
微信客服
  • 扫码咨询
会员Q群
  • 会员专属群点击这里加入QQ群
客服邮箱
回到顶部