电脑桌面
添加小米粒文库到电脑桌面
安装后可以在桌面快捷访问

JD2.5型调度绞车说明书VIP专享

JD2.5型调度绞车说明书_第1页
1/6
JD2.5型调度绞车说明书_第2页
2/6
JD2.5型调度绞车说明书_第3页
3/6
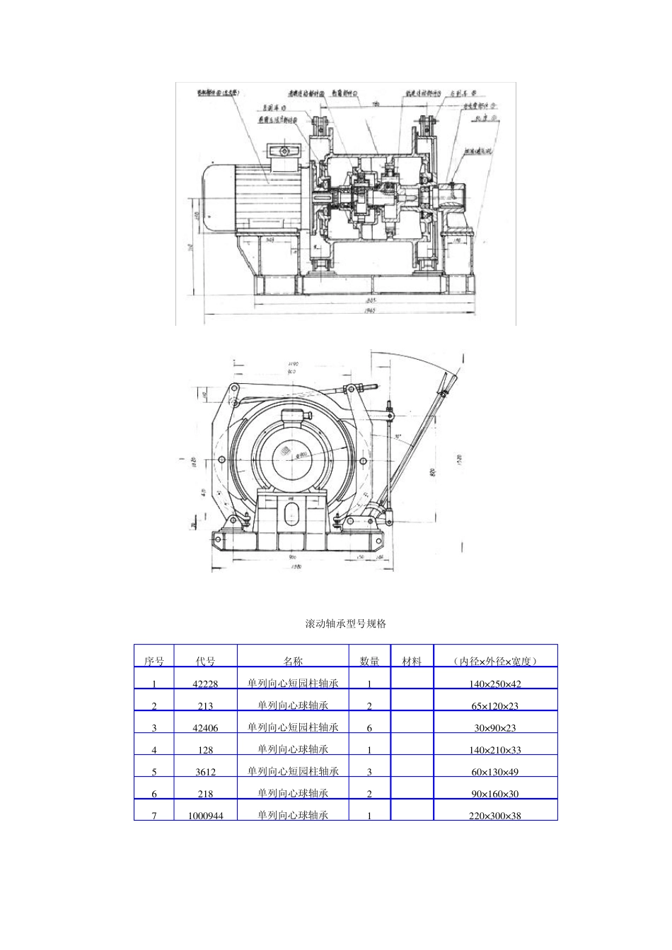
JD-2.5 型调度绞车说明书 一、结构特征 绞车由下列主要部分组成:Ⅰ电动机装置(兼作左支座)Ⅱ高速行星齿轮传动付 Ⅲ低速行星齿轮传动付 Ⅳ卷筒装置 Ⅴ左右刹车装置 Ⅵ右支座 Ⅶ机座 绞车在结构上采用国内外流行的NGW 封闭式两级行星传动,双级并联输出的传动形式。将两级行星传动均置于卷筒腔内稀油润滑,结构紧凑,体积小,重量轻,出力大。适合于矿山井下作业条件。其传动系统见图( 1) ,结构布置见图(2)和图(3)。绞车的滚动轴承型号规格见表。齿轮传动件见表。绞车的两个刹车装置,采用手操纵式块闸,制动力矩相当于卷筒静扭矩的两倍。 滚动轴承型号规格 序号 代号 名称 数量 材料 (内径×外径×宽度) 1 42228 单列向心短园柱轴承 1 140×250×42 2 213 单列向心球轴承 2 65×120×23 3 42406 单列向心短园柱轴承 6 30×90×23 4 128 单列向心球轴承 1 140×210×33 5 3612 单列向心短园柱轴承 3 60×130×49 6 218 单列向心球轴承 2 90×160×30 7 1000944 单列向心球轴承 1 220×300×38 齿轮传动件 序号 图号 名称 数量 材质 刹车带尺寸 Z1 K8134.2-1 电机轴外齿套 1 45 10× 130× 720 Z2 K8134.2-5 内齿套 1 45 Z4/Z3 K8134.2-6 高速太阳轮 1 20CrMnTi Z5 K8124.2-7 高速行星轮 3 20CrMnTi Z7 K8134.3-1 高速内齿圈 1 45 Z9/Z8 K8134.2-13 低速太阳轮 1 20CrMnTi Z10 K8134.4-3 低速行星轮 3 20CrMnTi Z11 K8134.3-2 低速内齿圈 1 45 Z6 K8134.2-12 高速行星架 1 ZG45 从传动系统图和结构图可知本绞车的工作原理有下列三种情况: 1. 左刹车抱紧,右刹车松开,电机输入旋转。此时绞车为 NGW 两级行星齿轮串联传动,卷筒不转,右制动轮输出旋转。(即两个内齿圈固定,低速行星架输出旋转。)绞车呈非工作状态。 2. 右刹车抱紧,左刹车松开,电机输入旋转。此时绞车为 NGW,封闭式两级行星齿轮传动,双级并联输出,卷筒输出旋转。(即两个内齿圈并联旋转,合成输出一个扭矩与速度而低速行星架固定。)此时的绞车,呈全速工作曳引状态。如果左右刹车是慢慢逐渐松开和抱紧,或逐渐抱紧和松开,则绞车即为启动和停车时的调速状态,也就是卷筒是由停到慢到快或由快到慢到停工作而电动机可始终转动。 3. 左右刹车同时松开,电机旋转。此时绞车无固定输出称自由状态。 二、电气操纵系统 绞车的电气原理和电气...

1、当您付费下载文档后,您只拥有了使用权限,并不意味着购买了版权,文档只能用于自身使用,不得用于其他商业用途(如 [转卖]进行直接盈利或[编辑后售卖]进行间接盈利)。
2、本站所有内容均由合作方或网友上传,本站不对文档的完整性、权威性及其观点立场正确性做任何保证或承诺!文档内容仅供研究参考,付费前请自行鉴别。
3、如文档内容存在违规,或者侵犯商业秘密、侵犯著作权等,请点击“违规举报”。

碎片内容

JD2.5型调度绞车说明书

确认删除?
VIP
微信客服
  • 扫码咨询
会员Q群
  • 会员专属群点击这里加入QQ群
客服邮箱
回到顶部