电脑桌面
添加小米粒文库到电脑桌面
安装后可以在桌面快捷访问

JS、JR系列中型异步电动机概述,型号说明与技术参数

JS、JR系列中型异步电动机概述,型号说明与技术参数_第1页
1/8
JS、JR系列中型异步电动机概述,型号说明与技术参数_第2页
2/8
JS、JR系列中型异步电动机概述,型号说明与技术参数_第3页
3/8
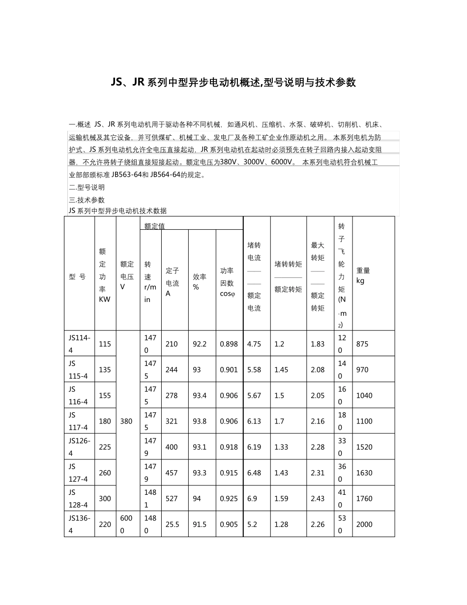
JS、JR 系列中型异步电动机概述,型号说明与技术参数 一 .概 述 JS、JR 系列电动机用于驱动各种不同机械,如通风机、压缩机、水泵、破碎机、切削机、机床、 运输机械及其它设备,并可供煤矿、机械工业、发电厂及各种工矿企业作原动机之用。 本系列电机为防 护式、JS 系列电动机允许全电压直接起动,JR 系列电动机在起动时必须预先在转子回路内接入起动变阻 器,不允许将转子绕组直接短接起动。额定电压为380V、3000V、6000V。 本系列电动机符合机械工 业部部颁标准 JB563-64和 JB564-64的规定。 二.型号说明 三.技术参数 JS 系列中型异步电动机技术数据 型 号 额定 功率 KW 额定 电压 V 额定值 堵转电流 ———— 额定电流 堵转转矩 ———— 额定转矩 最大转矩 ———— 额定转矩 转子飞轮力矩 (N·m2) 重量 kg 转速 r/min 定子 电流 A 效率 % 功率 因数 cosφ JS114-4 115 380 1470 210 92.2 0.898 4.75 1.2 1.83 120 875 JS 115-4 135 1475 244 93 0.901 5.58 1.45 2.08 140 970 JS 116-4 155 1475 278 93.4 0.906 5.67 1.5 2.05 160 1040 JS 117-4 180 1475 321 93.8 0.906 6.13 1.7 2.16 180 1100 JS126-4 225 1479 400 93.1 0.918 6.19 1.33 2.28 330 1520 JS 127-4 260 1479 457 93.3 0.915 6.48 1.43 2.31 360 1630 JS 128-4 300 1481 527 94 0.925 6.9 1.59 2.43 410 1760 JS136-4 220 6000 1480 25.5 91.5 0.905 5.2 1.28 2.26 530 2000 JS 137-4 260 1480 30.5 92.1 0.9 5.12 1.3 2.22 600 2110 JS 138-4 300 1480 34.5 92.7 0.905 5.51 1.44 2.31 660 2210 JS 147-4 360 1484 41 93 0.88 5.3 1.25 2.27 850 3000 JS 148-4 440 1484 50 93.5 0.9 5.2 1.26 2.25 1000 3200 JS 1410-4 500 1485 57 93.3 0.92 5.15 1.35 2.35 1200 3550 JS 158-4 680 1488 78 94.7 0.89 5.68 1.3 2.4 1700 4300 JS 1510-4 850 1488 96.5 95.2 0.894 6 1.49 2.47 2100 4800 JS 1512-4 1050 1488 118 95.5 0.896 5.97 1.55 2.37 2500 5200 JS 115-6 75 380 980 139 91.7 0.893 5.09 1.39 2.1 210 895 JS 116-6 95 980 175 92.65 0.892 5.89 1.7 2.39 240 995 JS 117-6 ...

1、当您付费下载文档后,您只拥有了使用权限,并不意味着购买了版权,文档只能用于自身使用,不得用于其他商业用途(如 [转卖]进行直接盈利或[编辑后售卖]进行间接盈利)。
2、本站所有内容均由合作方或网友上传,本站不对文档的完整性、权威性及其观点立场正确性做任何保证或承诺!文档内容仅供研究参考,付费前请自行鉴别。
3、如文档内容存在违规,或者侵犯商业秘密、侵犯著作权等,请点击“违规举报”。

碎片内容

JS、JR系列中型异步电动机概述,型号说明与技术参数

确认删除?
VIP
微信客服
  • 扫码咨询
会员Q群
  • 会员专属群点击这里加入QQ群
客服邮箱
回到顶部