电脑桌面
添加小米粒文库到电脑桌面
安装后可以在桌面快捷访问

KJ160N煤矿安全监控系统使用说明书内容VIP专享

KJ160N煤矿安全监控系统使用说明书内容_第1页
1/29
KJ160N煤矿安全监控系统使用说明书内容_第2页
2/29
KJ160N煤矿安全监控系统使用说明书内容_第3页
3/29
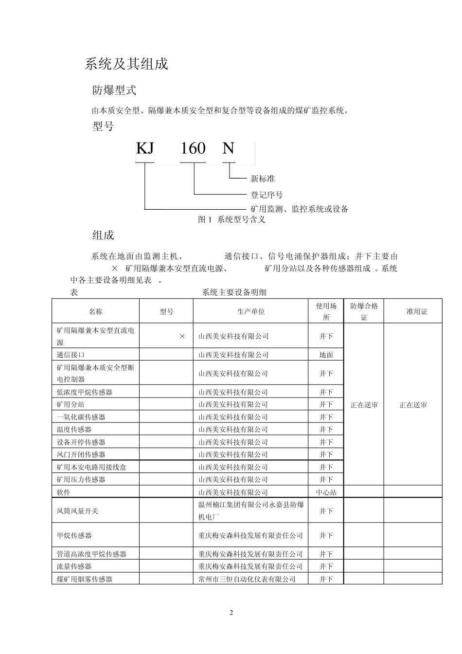
1 目录 1 系统及其组成 ............................................................................................................... 2 1.1 防爆型式 ............................................................................................................ 2 1.2 型号 ................................................................................................................... 2 1.3 组成 ................................................................................................................... 2 2 技术要求 ...................................................................................................................... 4 2.1 环境要求 ............................................................................................................ 4 2.2 供电电源 ............................................................................................................ 4 2.3 系统设计要求 ..................................................................................................... 5 2.4 系统功能 ............................................................................................................ 7 2.5 软件功能 .......................................................................................................... 10 2.6 主要技术指标 ................................................................................................... 18 2.7 风电甲烷闭锁 ................................................................................................... 20 3 主要设备及其连接 ...................................................................................................... 22 3.1 监控主机 ........................................................................................................... 22 3.2 通信接口 ........................................................................................................... 23 3.3 地线及防雷 ..............................................

1、当您付费下载文档后,您只拥有了使用权限,并不意味着购买了版权,文档只能用于自身使用,不得用于其他商业用途(如 [转卖]进行直接盈利或[编辑后售卖]进行间接盈利)。
2、本站所有内容均由合作方或网友上传,本站不对文档的完整性、权威性及其观点立场正确性做任何保证或承诺!文档内容仅供研究参考,付费前请自行鉴别。
3、如文档内容存在违规,或者侵犯商业秘密、侵犯著作权等,请点击“违规举报”。

碎片内容

KJ160N煤矿安全监控系统使用说明书内容

确认删除?
VIP
微信客服
  • 扫码咨询
会员Q群
  • 会员专属群点击这里加入QQ群
客服邮箱
回到顶部