电脑桌面
添加小米粒文库到电脑桌面
安装后可以在桌面快捷访问

《机械制造装备设计》期末试题及答案

《机械制造装备设计》期末试题及答案_第1页
1/13
《机械制造装备设计》期末试题及答案_第2页
2/13
《机械制造装备设计》期末试题及答案_第3页
3/13
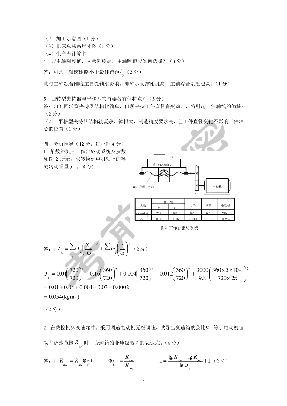
- 1 - 《机械制造装备设计》模拟试题3 参考答案 一、选择(1 0 分,每小题1 分) 1.为了快速响应市场,提出了许多新的制造模式,例如 [ D ]。 A. “刚性”生产制造模式 B. 计算机辅助制造 C. 成组技术 D. “精益—敏捷—柔性” 2.借助磨具对板料施加外力,迫使材料按磨具形状、尺寸进行剪裁和塑性变形,得到要求的金属板制件的设备,称为 [ B ]。 A. 挤压机 B. 冲压机 C. 轧制机 D. 锻造机 3.普通车床的主要性能指标(第二主参数)是 [ B ]。 A. 床身上的最大回转直径 B. 最大的工件长度 C. 工作台工作面宽度 D. 工作台工作面长度 4.机床在空转条件下,在不运动或运动速度较低时各主要部件的形状、相互位置和相对运动的精确程度,称为 [ A ]。 A. 几何精度 B. 运动精度 C. 传动精度 D. 定位精度 5.称为机器人机械本体,也可称为主机的是 [ D ]。 A. 手臂 B. 末端执行器 C. 机座 D. 操作机 6.一个四自由度平面关节型搬运(SCARA)机器人,其运动功能式为[ B ]。 A. MO//4321 B. MZO//321 C. MZXO//21 D. MXYZO// 7.表示被加工零件在机床上的加工过程和加工方法的技术资料,称为[ B ]。 A.被加工零件工序图 B. 加工示意图 C.机床总联系尺寸图 D. 生产率计算卡 8.刨床进给量的单位为[ B ]。 A.毫米/每转 B. 毫米/冲程 C.毫米/分钟 D. 转/分钟 9.把毛坯从料仓送到机床加工位置的装置,称为[ A ]。 A.上料器 B. 隔料器 C.减速器 D. 分路器 10.适应高速轻载或精密机床的主轴轴承配置形式应选择[ A ]。 A.速度型 B. 刚度型 C.速度刚度型 D. 抗振型 二、填空(2 0 分,每小题1 分) 1.机械制造业的生产能力和发展水平标志着一个国家和地区国民经济_ _ _ _ _ 现代化_ _ _ _ _ 的程度。 2.适应控制分约束适应控制、最佳适应控制和_ _ _ 学习适应控制_ _ _ 等。 - 2 - 3.摇臂钻床的主参数是____最大钻孔直径_____。 4.在系列型谱中,结构最典型、应用最广泛的是所谓的“_____基型_____产品”。 5.当运动部件低速运动时,主动件匀速运动,从动件往往出现明显的速度不均匀的跳跃式运动,这种现象,称为______爬行_______。 6.工业机器人额定负载主要根据作用于机械接口处的力和___力矩____来确定。 7.额定负载是指在机器人规定的性能范围内,机械接口处所能承受的...

1、当您付费下载文档后,您只拥有了使用权限,并不意味着购买了版权,文档只能用于自身使用,不得用于其他商业用途(如 [转卖]进行直接盈利或[编辑后售卖]进行间接盈利)。
2、本站所有内容均由合作方或网友上传,本站不对文档的完整性、权威性及其观点立场正确性做任何保证或承诺!文档内容仅供研究参考,付费前请自行鉴别。
3、如文档内容存在违规,或者侵犯商业秘密、侵犯著作权等,请点击“违规举报”。

碎片内容

《机械制造装备设计》期末试题及答案

您可能关注的文档

确认删除?
VIP
微信客服
  • 扫码咨询
会员Q群
  • 会员专属群点击这里加入QQ群
客服邮箱
回到顶部