电脑桌面
添加小米粒文库到电脑桌面
安装后可以在桌面快捷访问

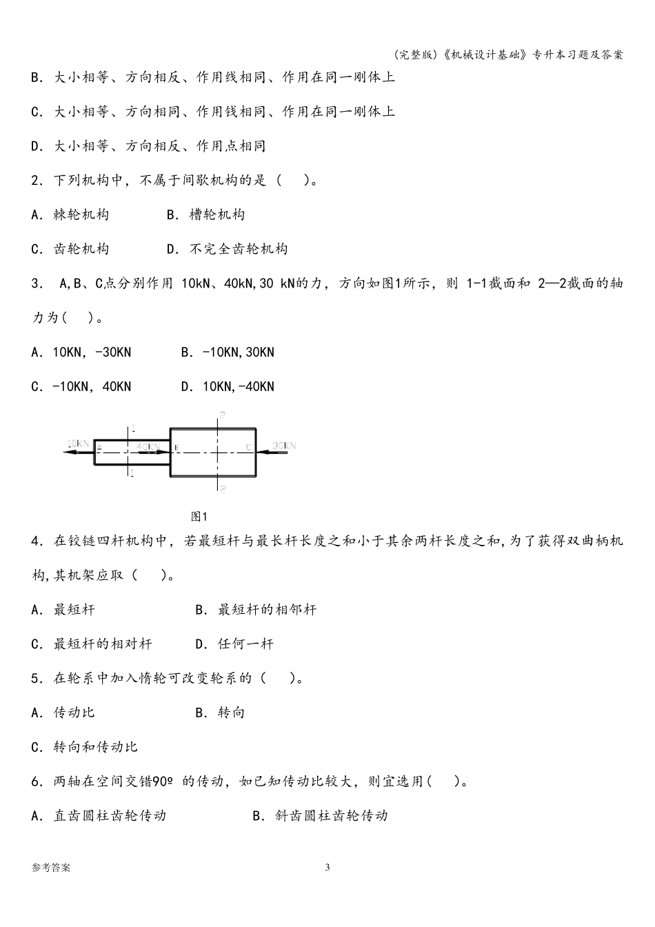
《机械设计基础》专升本习题及答案

《机械设计基础》专升本习题及答案_第1页
1/27
《机械设计基础》专升本习题及答案_第2页
2/27
《机械设计基础》专升本习题及答案_第3页
3/27
(完整版)《机械设计基础》专升本习题及答案 参考答案 1 机械设计基础专升本复习题(一) 一、判断题:正确的打符号√,错误的打符号× 1.在实际生产中,有时也利用机构的"死点"位置夹紧工件。( ) 2。 机构具有确定的运动的条件是:原动件的个数等于机构的自由度数。 ( ) 3.若力的作用线通过矩心,则力矩为零。 ( ) 4.平面连杆机构中,连杆与从动件之间所夹锐角称为压力角。 ( ) 5.带传动中,打滑现象是不可避免的. ( ) 6.在平面连杆机构中,连杆与曲柄是同时存在的,即只要有连杆就一定有曲柄。 ( ) 7.标准齿轮分度圆上的齿厚和齿槽宽相等。 ( ) 8.平键的工作面是两个侧面。 ( ) 9.连续工作的闭式蜗杆传动需要进行热平衡计算,以控制工作温度。 ( ) 10.螺纹中径是螺纹的公称直径。( ) 11.刚体受三个力作用处于平衡时,这三个力的作用线必交于一点.( ) 12.在运动副中,高副是点接触,低 副是线接触。 ( ) 13.曲柄摇 杆机构以曲柄或 摇 杆为原动件时,均 有两个死点位置. ( ) 14.加 大 凸 轮基圆半 径可以减 少 凸 轮机构的压力角。 ( ) 15.渐 开 线标准直齿圆柱 齿轮不产生根 切 的最 少 齿数是 15。 ( ) 16.周 转 轮系 的自由度一定为 1。 ( ) 17.将 通过蜗杆轴 线并 与蜗轮轴 线垂 直的平面定义 为中间平面。 ( ) 18.代 号为 6205 的滚 动轴 承 ,其 内 径为 25mm。 ( ) 19.在 V 带传动中,限 制带轮最 小 直径主 要是为了 限 制带的弯 曲应 力. ( ) 20.利用轴 肩 或 轴 环 是最 常 用和最 方 便 可靠 的轴 上固 定方 法 .( ) 二 、填 空 题 (完整版)《机械设计基础》专升本习题及答案 参考答案 2 1.直齿圆柱齿轮的正确啮合条件是 相等, 相等。 2.螺杆相对于螺母转过一周时,它们沿轴线方向相对移动的距离称为 。 3.在V 带传动设计中,为了限制带的弯曲应力,应对带轮的 加以限制。 4.硬齿面齿轮常用 渗碳淬火来得到,热处理后需要 加工。 5.要将主动件的连续转动转换为从动件的间歇转动,可用 机构. 6.轴上零件的轴向固定方法有 、 、 、 等。 7.常用的滑动轴承材料分为 、 、 三类. 8.齿轮轮齿的切削加工方法按其原理可分为 和 两类。 9 .凸 轮机构按 从动件的运 动形 式 和 相对位 置 分 类 ,可分 为直动从动件凸...

1、当您付费下载文档后,您只拥有了使用权限,并不意味着购买了版权,文档只能用于自身使用,不得用于其他商业用途(如 [转卖]进行直接盈利或[编辑后售卖]进行间接盈利)。
2、本站所有内容均由合作方或网友上传,本站不对文档的完整性、权威性及其观点立场正确性做任何保证或承诺!文档内容仅供研究参考,付费前请自行鉴别。
3、如文档内容存在违规,或者侵犯商业秘密、侵犯著作权等,请点击“违规举报”。

碎片内容

《机械设计基础》专升本习题及答案

您可能关注的文档

确认删除?
VIP
微信客服
  • 扫码咨询
会员Q群
  • 会员专属群点击这里加入QQ群
客服邮箱
回到顶部