电脑桌面
添加小米粒文库到电脑桌面
安装后可以在桌面快捷访问

急流槽、平台排水沟施工方案

急流槽、平台排水沟施工方案_第1页
1/10
急流槽、平台排水沟施工方案_第2页
2/10
急流槽、平台排水沟施工方案_第3页
3/10
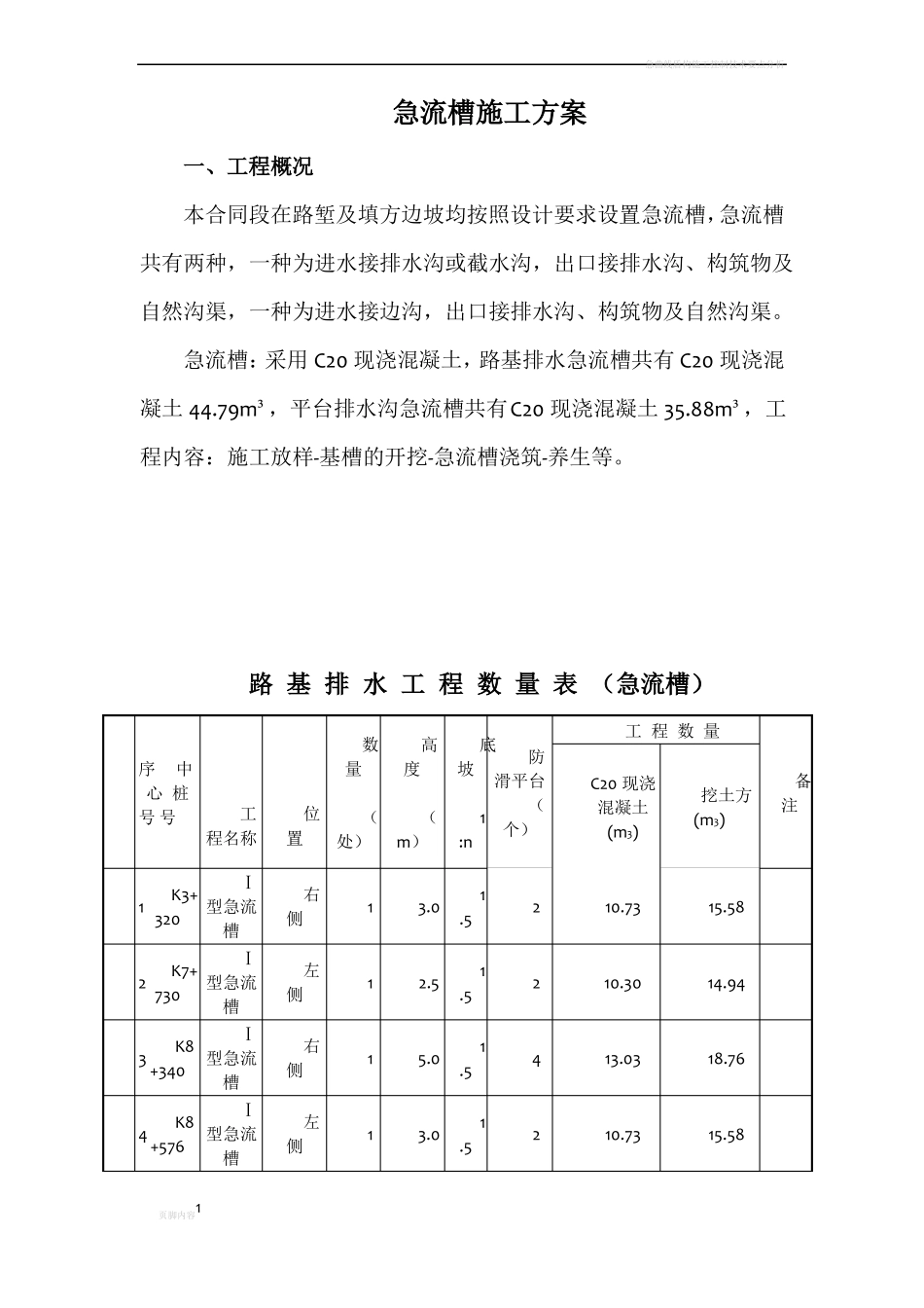
急曲线盾构施工控制技术要点分析G316 平梁至涧池段公路改建工程LJ-1 标合同段(K0+000~K10+100)急流槽、平台排水沟施工技术方案核工业长沙中南建设工程集团公司G316 平梁至涧池段公路改建工程 LJ-1 标二〇一七年四月页脚内容0急曲线盾构施工控制技术要点分析目录目录............................................0一、 工程概况......................................................................................................................... 1二、 施工要求.........................................................................................................................3三、 施工机械设备及人员配置 .............................................................................................41、现场人员配置表..........................................................................................................42、机械设备表 .................................................................................................................4四、 施工计划安排 .................................................................................................................4五、 施工工艺及流程 .............................................................................................................41、 测量放线....................................................................................................................42、 基槽开挖 ...................................................................................................................53、 施工准备 ...................................................................................................................54、 急流槽、平台排水沟砼浇筑方法 ...........................................................................5六、 安全文明工期保证措施 .................................................................................................61、工期保证措施..............................................................................................................62、安全文明施工措施 ........

1、当您付费下载文档后,您只拥有了使用权限,并不意味着购买了版权,文档只能用于自身使用,不得用于其他商业用途(如 [转卖]进行直接盈利或[编辑后售卖]进行间接盈利)。
2、本站所有内容均由合作方或网友上传,本站不对文档的完整性、权威性及其观点立场正确性做任何保证或承诺!文档内容仅供研究参考,付费前请自行鉴别。
3、如文档内容存在违规,或者侵犯商业秘密、侵犯著作权等,请点击“违规举报”。

碎片内容

急流槽、平台排水沟施工方案

您可能关注的文档

确认删除?
VIP
微信客服
  • 扫码咨询
会员Q群
  • 会员专属群点击这里加入QQ群
客服邮箱
回到顶部